电脑桌面
添加小米粒文库到电脑桌面
安装后可以在桌面快捷访问

安全防护用品(具)购置使用计划

安全防护用品(具)购置使用计划_第1页
1/3
安全防护用品(具)购置使用计划_第2页
2/3
安全防护用品(具)购置使用计划_第3页
3/3
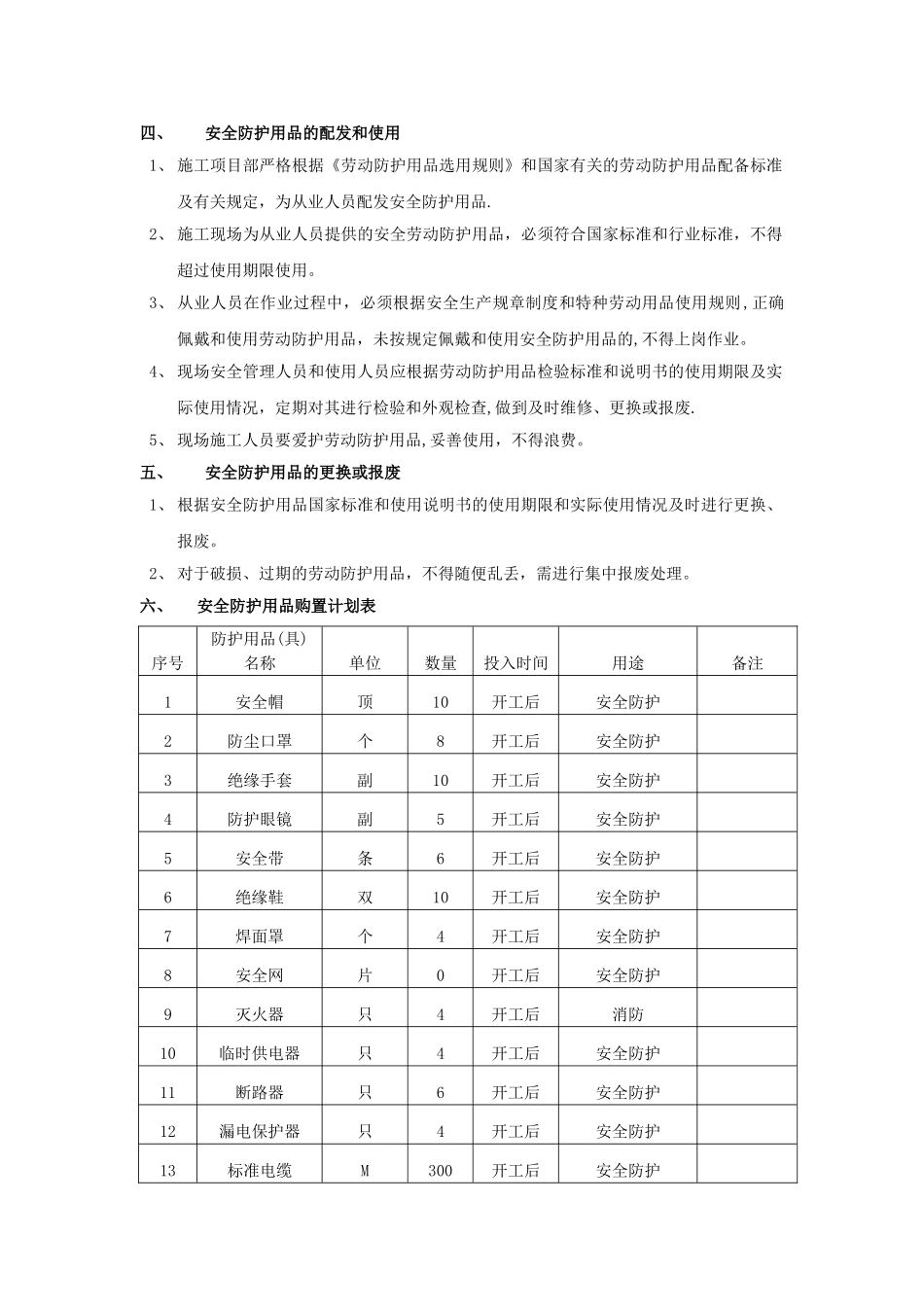
3。1 安全防护用品(具)购置使用计划(粘贴)安全防护用品(具)购置使用计划为仔细贯彻实施《劳动法》、《安全生产法》、《职业病防治法》和《劳动防护用品监督管理规定》等法律、法规的规定,预防、控制和消除职业危害,保护员工在生产过程中安全和健康,确保安全生产,特制定本计划。劳动防护用品,是保护员工在劳动生产过程中职业安全健康的一种预防性辅助措施,是保护员工健康安全的最后一道防线。是指发给员工穿戴和使用的各类着装、用品、用具和器材公司各部门安全负责人、管理人员和项目管理人员要仔细执行防护用品管理制度,指导、督促员工在作业时正确使用防护用品。一、安全防护用品的采购1. 安全防护用品的采购计划由项目部提出,经项目经理审核后,由项目部材料员统一购买。采购的特种劳动保护用品质量必须达到国家或行业标准的合格标准,并在项目部入库、建账。2. 采购的安全防护用品应是取得安全防护用品安全标志的产品。安全防护用品安全标志证书由国家安全生产监督管理总局监制,加盖安全防护用品安全标志管理中心印章.3. 特种劳动保护用品的采购必须在专门从事劳保用品生产经营的厂家或商家处采购,经营商家必须在市级以上工商行政管理部门备案,并办理正规合法的供购手续。4. 项目部租赁的旧安全防护用品必须是合格品,并具有齐全、合格的质量证明文件.5. 所购买劳动防护用品必须符合国家或行业标准,必须有“三证”,即生产许可证、安全鉴定证和产品合格证,由安全部门验收后方可入库.二、安全防护用品的验收1、 施工项目部负责安全防护用品进场的验收,新采购或租赁的安全防护用品应质量合格,质量证明文件齐全、有效.2、 安全部负责对安全防护用品的检验过程和合格性进行监督、检查.3、 公司工会对安全防护用品管理的违法行为有权要求纠正,并对纠正情况进行监督.三、安全防护用品的保管1、 检验验收合格后的安全防护用品方可办理入库手续。2、 各部门、项目部对所有合格入库的安全劳动防护用品,遵循产品说明书或厂商建议,妥善保管,注意防潮、变质,做到先进先出的原则,防止过期的劳动防护用品发放到劳动者手中。四、安全防护用品的配发和使用1、 施工项目部严格根据《劳动防护用品选用规则》和国家有关的劳动防护用品配备标准及有关规定,为从业人员配发安全防护用品.2、 施工现场为从业人员提供的安全劳动防护用品,必须符合国家标准和行业标准,不得超过使用期限使用。3、 从业人员在作业过程中,必须根据安全...

1、当您付费下载文档后,您只拥有了使用权限,并不意味着购买了版权,文档只能用于自身使用,不得用于其他商业用途(如 [转卖]进行直接盈利或[编辑后售卖]进行间接盈利)。
2、本站所有内容均由合作方或网友上传,本站不对文档的完整性、权威性及其观点立场正确性做任何保证或承诺!文档内容仅供研究参考,付费前请自行鉴别。
3、如文档内容存在违规,或者侵犯商业秘密、侵犯著作权等,请点击“违规举报”。

碎片内容

安全防护用品(具)购置使用计划

办公文档专营+ 关注
实名认证
内容提供者

大量办公文档,欢迎选择

确认删除?
VIP
微信客服
  • 扫码咨询
会员Q群
  • 会员专属群点击这里加入QQ群
客服邮箱
回到顶部