电脑桌面
添加小米粒文库到电脑桌面
安装后可以在桌面快捷访问

安防设施设备巡查记录表

安防设施设备巡查记录表_第1页
1/2
安防设施设备巡查记录表_第2页
2/2
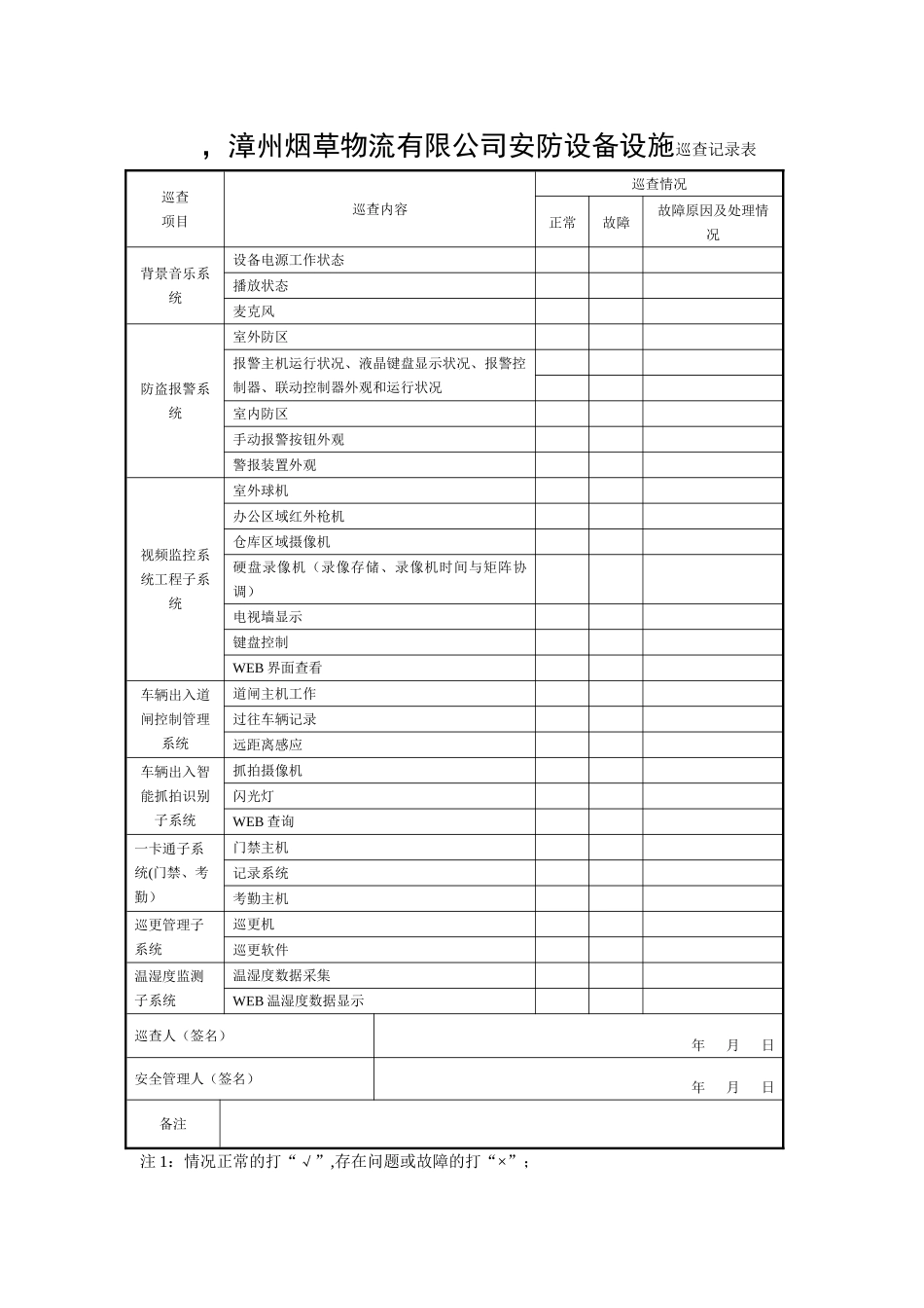
,漳州烟草物流有限公司安防设备设施巡查记录表巡查项目巡查内容巡查情况正常故障故障原因及处理情况背景音乐系统设备电源工作状态播放状态麦克风防盗报警系统室外防区报警主机运行状况、液晶键盘显示状况、报警控制器、联动控制器外观和运行状况室内防区手动报警按钮外观警报装置外观视频监控系统工程子系统室外球机办公区域红外枪机仓库区域摄像机硬盘录像机(录像存储、录像机时间与矩阵协调)电视墙显示键盘控制WEB 界面查看车辆出入道闸控制管理系统道闸主机工作过往车辆记录远距离感应车辆出入智能抓拍识别子系统抓拍摄像机闪光灯WEB 查询一卡通子系统(门禁、考勤)门禁主机记录系统考勤主机巡更管理子系统巡更机巡更软件温湿度监测子系统温湿度数据采集WEB 温湿度数据显示巡查人(签名)年 月 日安全管理人(签名)年 月 日备注注 1:情况正常的打“√”,存在问题或故障的打“×”;注 2:对发现的问题应及时处理,当场不能处置的要填报《安防设施设备故障处理记录表》安防设施设备故障处理记录表检查时间检查人签 名检查发现问题或故障安防安全管理人意见停用系统安防安全责任人签名问题或故障处理 结 果问题或故障排除安防安全管理人签名备注:1、原安防系统工程线缆每月至少 1 次的检查和维护; 2、每月根据用户的要求对原安防系统进行一次预案测试,尤其要对机房服务器的巡查维护,乙方要设计出巡查表,每次的巡查要严格根据巡查表逐项巡查,并提交巡查报告;3、每季度定期一次对系统设备外观进行清洁保养和线路老化检查。4、每月校正视频枪机的位置和系统时间.

1、当您付费下载文档后,您只拥有了使用权限,并不意味着购买了版权,文档只能用于自身使用,不得用于其他商业用途(如 [转卖]进行直接盈利或[编辑后售卖]进行间接盈利)。
2、本站所有内容均由合作方或网友上传,本站不对文档的完整性、权威性及其观点立场正确性做任何保证或承诺!文档内容仅供研究参考,付费前请自行鉴别。
3、如文档内容存在违规,或者侵犯商业秘密、侵犯著作权等,请点击“违规举报”。

碎片内容

安防设施设备巡查记录表

您可能关注的文档

确认删除?
VIP
微信客服
  • 扫码咨询
会员Q群
  • 会员专属群点击这里加入QQ群
客服邮箱
回到顶部