电脑桌面
添加小米粒文库到电脑桌面
安装后可以在桌面快捷访问

室内装修工程安全生产管理方案

室内装修工程安全生产管理方案_第1页
1/10
室内装修工程安全生产管理方案_第2页
2/10
室内装修工程安全生产管理方案_第3页
3/10
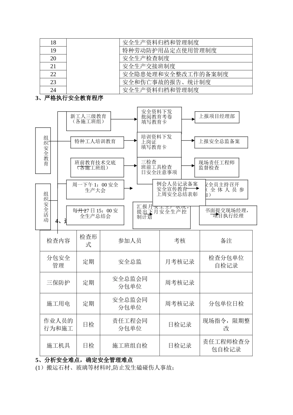
金孔雀装饰公司安全生产方案第一章 安全管理体系与措施第一节 安全管理体系1、 安全管理方针:安全第一,预防为主2、安全生产目标:确保无重大工伤事故,杜绝死亡事故,轻伤率控制在千分之六以内。第二节 建立安全组织体系和安全管理制度1、建立安全组织保证体系以项目经理为首,由现场经理、安全员、专业责任工程师、各施工班组等方面的管理人员组成安全保证体系(见下图)2、健全安全管理制度项目经理现场经理技术负责人专业责任工程师施工班组安全员(1)安全生产责任制:建立健全项目各级安全生产责任制,责任落实到人。各项经济承包有明确的安全指标,和包括奖罚办法在内的保证措施,与班组间签订安全生产协议书。(2)安全教育制度:新进场的工人必须进行安全教育,工人应掌握本工种操作技能,熟悉工种安全技术操作规程。(3)施工组织设计报批制度:施工组织设计应有针对性的安全即使措施,项目总工程师审核批准。(4)分部分项工程安全技术交底制度:根据安全即使措施要求,和现场实际情况,各级管理人员需亲自逐级进行全面的、有针对性的安全技术交底,接受交底者履行签字手续.(5)特种作业持证上岗制度:特种作业人员必须经培训考试合格持证上岗,操作证必须按期复审,不得超期使用,名册齐全。(6)例行安全检查制度:由项目经理部每半月组织一次由各施工单位安全生产责任人参加的联合检查,对检查中所发现的事故隐患问题和违章现象,开出“隐患五问题通知单”,各施工单位在收到通知单后,应根据具体情况,定时间、定人、定措施予以解决,项目经理部有关部门应监督落实问题的解决情况。若发现重大部安全隐患问题,检查组有权下达停工指令,待隐患问题排除,并经检查组批准后方可施工.(7)安全活动考核制度:经理部每周一进行一次全现场的安全活动,总结讲评上周安全生产的情况,提出在本周应注意的安全事项,交叉施工中所应注意的事项,摇由记录,对班组的安全活动摇由考核措施.(8)建立机械设备、临电设施和各类脚手架工程设置完成后的验收制度.未经过验收和验收部合格的严禁使用.(9)工伤事故处理制度:建立事故档案,按调查分析原则、规定进行处理报告,仔细做好“三不放过"工作.(1) 班前检查制:责任工程师必须督促与检查施工人员对安全防护措施是否进行了检查,并且对班前安全生产讲话情况进行检查.安全管理制度一览表:序次类别制度名称1岗位管理安全生产责任制度2安全生产责任制度3安全生产教育培训制度4安全生产岗位认证制度5安全生产...

1、当您付费下载文档后,您只拥有了使用权限,并不意味着购买了版权,文档只能用于自身使用,不得用于其他商业用途(如 [转卖]进行直接盈利或[编辑后售卖]进行间接盈利)。
2、本站所有内容均由合作方或网友上传,本站不对文档的完整性、权威性及其观点立场正确性做任何保证或承诺!文档内容仅供研究参考,付费前请自行鉴别。
3、如文档内容存在违规,或者侵犯商业秘密、侵犯著作权等,请点击“违规举报”。

碎片内容

室内装修工程安全生产管理方案

您可能关注的文档

确认删除?
VIP
微信客服
  • 扫码咨询
会员Q群
  • 会员专属群点击这里加入QQ群
客服邮箱
回到顶部