电脑桌面
添加小米粒文库到电脑桌面
安装后可以在桌面快捷访问

小箱梁预制施工方案

小箱梁预制施工方案_第1页
1/36
小箱梁预制施工方案_第2页
2/36
小箱梁预制施工方案_第3页
3/36
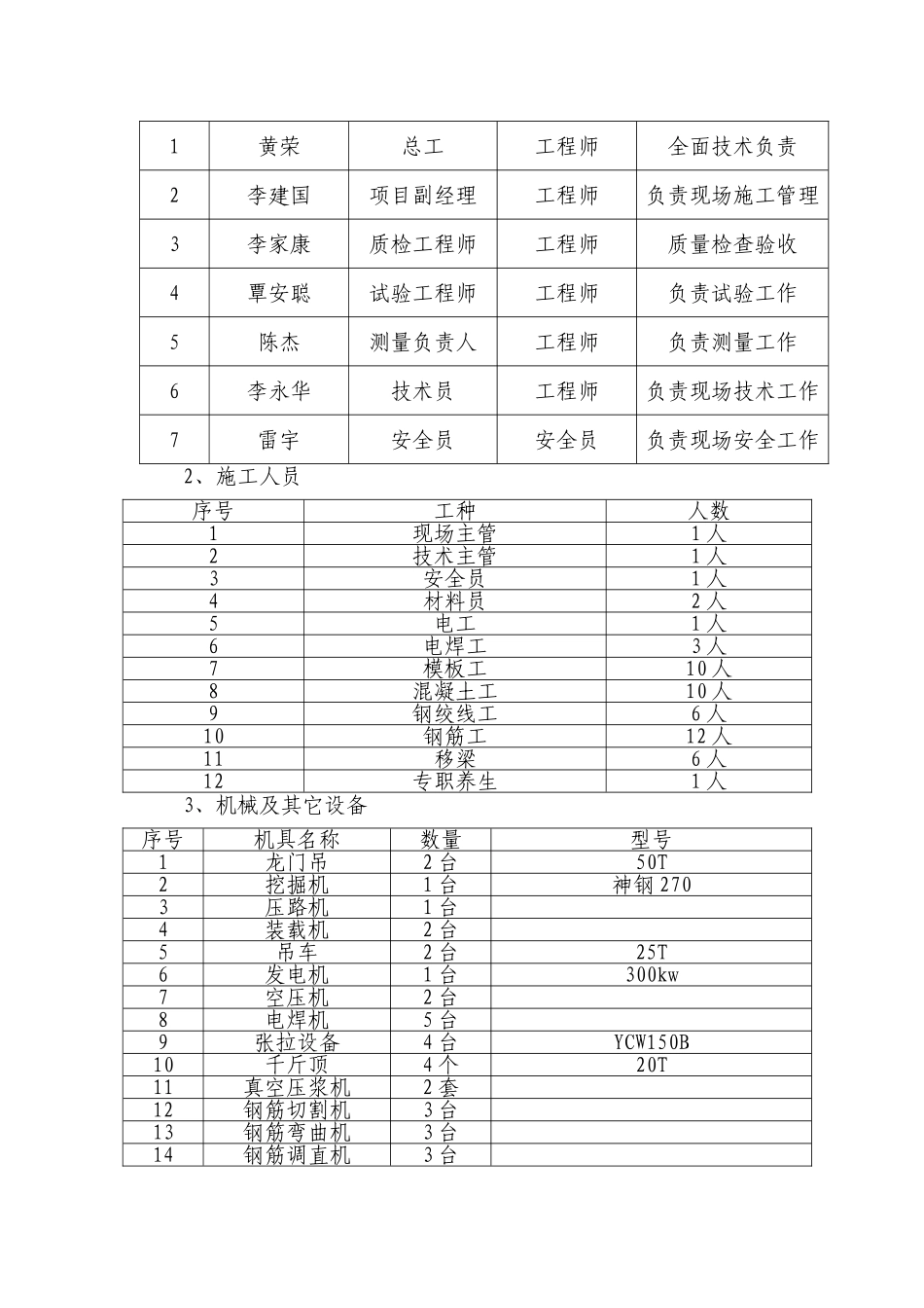
小箱梁预制施工方案一、工程概况TJ11 标 段 路 线 长 9 。 668km , 标 段 起 讫 里 程 桩 号 为 K80+370 ~K90+050,位于雅安市雨城区草坝镇和凤鸣乡境内,工程项目主要位于草坝镇。本标段穿越香樟咀设置水口长隧道,经大通寺后通过草坝坪坝区,于草坝镇北东侧史家沟设置草坝互通连接省道 S305 线,经石碑田水库西侧设肖家碾大桥,穿越肖家山设置中隧道,到达本标段终点。本标段共有三座大桥、六座中桥、一座小桥.其中三座大桥和三座中桥上部结构采纳 20m 跨径的预应力砼简支小箱梁,共计 313 片;一座中桥上部结构采纳 20-25-20m 跨径的现浇预应力砼连续梁,共计两联;一座中桥上部结构采纳 18m 跨径的现浇预应力砼空心板,共计两片;一座中桥上部结构采纳 20m 跨径的预制预应力砼空心板,共计 10 片,一座小桥上部结构采纳 10m 跨径的预制简支空心板,共计 18 片。本标段共有八座大中桥上部结构采纳 20m 跨径的预应力砼简支小箱梁,共计 313 片.梁场主要负责 313 片 20m 跨径的预应力砼简支小箱梁、10 片 20m 跨径的预应力砼空心板和 18 片 10m 跨径的简支空心板的预制和存放.二、编制依据1、国家高速公路网成渝地区环线乐山至雅安公路 TJ11 合同段两阶段施工图设计文件。2、国家高速公路网成渝地区环线乐山至雅安段公路 TJ11 合同段路基土建工程施工合同文件。3、进场后我公司对施工现场及周围环境的调查了解.4、我公司现有人员、技术、机械、财务综合实力与以往我公司承建类似高等级公路的施工经验。5、《公路桥涵施工技术法律规范》(JTJ041—2000).6、《公路工程施工安全技术法律规范》(JTJ076—95).7、招标文件中的补充技术法律规范.8、相关施工手册和作业指导书。三、施工总体规划及组织安排1、主要管理和技术人员序号姓名职务技术职称主要工作分工1黄荣总工工程师全面技术负责2李建国项目副经理工程师负责现场施工管理3李家康质检工程师工程师质量检查验收4覃安聪试验工程师工程师负责试验工作5陈杰测量负责人工程师负责测量工作6李永华技术员工程师负责现场技术工作7雷宇安全员安全员负责现场安全工作2、施工人员序号工种人数1现场主管1 人2技术主管1 人3安全员1 人4材料员2 人5电工1 人6电焊工3 人7模板工10 人8混凝土工10 人9钢绞线工6 人10钢筋工12 人11移梁6 人12专职养生1 人3、机械及其它设备序号机具名称数量型号1龙门吊2 台50T2挖掘机1 台神钢 2703压路...

1、当您付费下载文档后,您只拥有了使用权限,并不意味着购买了版权,文档只能用于自身使用,不得用于其他商业用途(如 [转卖]进行直接盈利或[编辑后售卖]进行间接盈利)。
2、本站所有内容均由合作方或网友上传,本站不对文档的完整性、权威性及其观点立场正确性做任何保证或承诺!文档内容仅供研究参考,付费前请自行鉴别。
3、如文档内容存在违规,或者侵犯商业秘密、侵犯著作权等,请点击“违规举报”。

碎片内容

小箱梁预制施工方案

确认删除?
VIP
微信客服
  • 扫码咨询
会员Q群
  • 会员专属群点击这里加入QQ群
客服邮箱
回到顶部