电脑桌面
添加小米粒文库到电脑桌面
安装后可以在桌面快捷访问

山西省建筑节能产品推广申请表(省内)

山西省建筑节能产品推广申请表(省内)_第1页
1/3
山西省建筑节能产品推广申请表(省内)_第2页
2/3
山西省建筑节能产品推广申请表(省内)_第3页
3/3
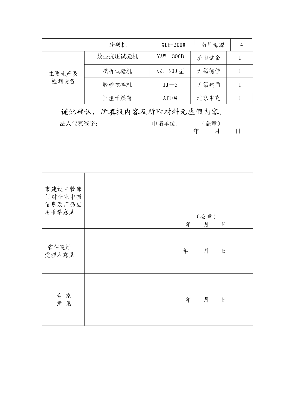
山西省建筑节能产品(技术)推广申请表(省内)初次申请 □ 申请延期□申请单位山西鼎正环保建材有限公司产品(技术)名 称蒸压加气混凝土砌块、蒸压加气混凝土板、 蒸压粉煤灰砖。执行标准GB/T11968-2024(砌块)GB/T15762—2024(板材)JC239—2024 ( 标砖)年生产能力砌块 20 万 m3 板材 100 万 m2标砖 2 亿块单位地址阳泉市平定县冠山镇西锁簧村法人代表王殿勋联系电话0353-2150158技术负责人贺逢均联系电话13613538946承 办 人王贵金联系电话18335306848职工人数206技术人员28生产车间(m2)33600注册资金(万元)3277。32产品技术性能及适用范围砌块:该产品有长 600mm,宽 100—300mm,高 200—300mm等多种规格,体积,密度为 400~800kg/m³ 的优质建筑材料,隔热、保温、降噪、节能效果明显,广泛用于工民建筑。蒸压粉煤灰标砖板材:其密度较小,且具有良好的耐火、防火、隔音、隔热、保温等无与伦比的性能,广泛用于工民建筑。标砖:该产品抗压强度优于普通粘土砖的,可达 MU15 以上,最高可达 MU20 以上,重量 2.1 千克,达到国家优质产品要求,广泛用于工民建筑。主要生产及检测设备 名 称 型 号 产 地数 量智能控制器RW100道合科技7全自动液压成型机主机ZY1200-36洛阳中冶4配料皮带机潍坊恒远4自动控制系统潍坊恒远2强制式双卧轴搅拌机JS3000洛阳中冶2轮碾机XLH-2000南昌海源4主要生产及检测设备数显抗压试验机YAW—300B济南试金1抗折试验机KZJ-500 型无锡德佳1胶砂搅拌机JJ—5无锡建鼎1恒温干燥箱AT104北京申克1谨此确认,所填报内容及所附材料无虚假内容。法人代表签字: 申请单位: (盖章)年 月 日市建设主管部门对企业申报信息及产品应用推举意见 (公章)年 月 日省住建厅受理人意见 年 月 日专 家意 见 年 月 日山西省住房城乡建设部门意 见 年 月 日申请推广说明:一、应当具备以下条件1。申报单位具有独立法人资格。2.有健全的质量管理体系。3.符合国家、行业、地方政策法规要求.4.技术成果类要成熟可靠,通过评估或鉴定;产品类符合相关标准要求,具备认定基本条件,已批量生产,质量稳定,生产设备配套,工艺合理,具备常规检验仪器设备等.5。无成果或权属争议。二、提交资料填写《山西省建筑节能产品(技术)推广申请表》,具备推广基本条件,并有企业所属市建设行政主管部门推举意见.申报资料应齐全、符合企业实际情况,数据真实准确,统一使用A4 纸型,按下述顺序装订成册,...

1、当您付费下载文档后,您只拥有了使用权限,并不意味着购买了版权,文档只能用于自身使用,不得用于其他商业用途(如 [转卖]进行直接盈利或[编辑后售卖]进行间接盈利)。
2、本站所有内容均由合作方或网友上传,本站不对文档的完整性、权威性及其观点立场正确性做任何保证或承诺!文档内容仅供研究参考,付费前请自行鉴别。
3、如文档内容存在违规,或者侵犯商业秘密、侵犯著作权等,请点击“违规举报”。

碎片内容

山西省建筑节能产品推广申请表(省内)

您可能关注的文档

确认删除?
VIP
微信客服
  • 扫码咨询
会员Q群
  • 会员专属群点击这里加入QQ群
客服邮箱
回到顶部