电脑桌面
添加小米粒文库到电脑桌面
安装后可以在桌面快捷访问

2025年资料办公室业务知识培训题库VIP专享

2025年资料办公室业务知识培训题库_第1页
1/10
2025年资料办公室业务知识培训题库_第2页
2/10
2025年资料办公室业务知识培训题库_第3页
3/10
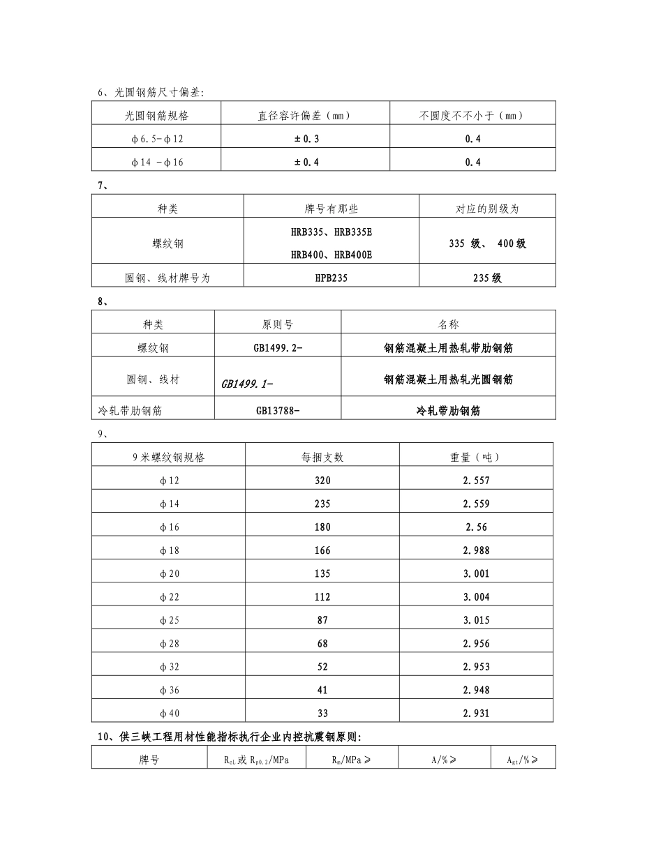
产品管理中心办公室业务考试题库日期: 姓名: 分数: 一、填表题1、国标中钢材力学性能指标:牌号屈服 MPa抗拉 MPa断后伸长率%最大力总伸长率%HRB335≥335≥455≥17≥7.5HRB400≥400≥540≥16≥7.5HPB235≥235≥370≥25≥102、集团企业内控原则中钢材的力学性能规定:牌号屈服 MPa抗拉 MPa断后伸长率%最大力总伸长率%HRB335≥345≥465≥18≥7.5HRB400≥410≥550≥17≥7.5HPB235≥245≥380≥26≥103、国标中如下牌号的化学成分范围:牌号CSiMnSP碳当量HRB335≤0.25≤0.8≤1.6≤0.045≤0.045≤0.52HRB400≤0.25≤0.8≤1.6≤0.045≤0.045≤0.54HPB235≤0.22≤0.3≤0.65≤0.05≤0.045不填4、抗震钢筋力学性能指标:牌号屈服 MPa抗拉 MPa断后伸长率%最大力总伸长率%HRB335350-435≥470≥18≥9.0HRB400415-520≥555≥17≥9.0HPB235410-520≥545≥16≥9.0屈值比不不小于 1.30强屈比不不不小于 1.255、国标规定实际重量与理论重量容许偏差种类∮6—∮12(%)∮14—∮20(%)∮22—∮50(%)螺纹钢±7±5±4圆钢±7±5不填6、光圆钢筋尺寸偏差:光圆钢筋规格直径容许偏差(mm)不圆度不不小于(mm)φ6.5-φ12±0.30.4φ14 -φ16±0.40.47、种类牌号有那些对应的别级为螺纹钢HRB335、HRB335E HRB400、HRB400E335 级、 400 级圆钢、线材牌号为HPB235235 级8、种类原则号名称螺纹钢GB1499.2-钢筋混凝土用热轧带肋钢筋圆钢、线材GB1499.1-钢筋混凝土用热轧光圆钢筋冷轧带肋钢筋GB13788-冷轧带肋钢筋9、9 米螺纹钢规格每捆支数重量(吨)φ123202.557φ142352.559φ161802.56φ181662.988φ201353.001φ221123.004φ25873.015φ28682.956φ32522.953φ36412.948φ40332.93110、供三峡工程用材性能指标执行企业内控抗震钢原则:牌号ReL或 Rp0.2/MPaRm/MPa≥A/%≥Agt/%≥HRB335E360-435470189.0HRB400E(钒钢)425-520555179.0HRB400E(铌钢)425-520545169.0屈值比不不小于 1.30强屈比不不不小于 1.2511、12 米螺纹钢规格每捆支数重量(吨)φ122853.037φ142103.049φ161603.034φ181253.000φ201023.023φ22853.040φ25653.003φ28523.014φ32403.029φ36312.972φ40252.961二、填空题1、定尺钢坯总弯曲度不得超过总长度的 2 %。2、HRB335 代表含义:HRB 代表 热轧带肋钢筋的英文( Hot rolled ribbed Bars ) 缩写、 335代表屈服强度特征值。3、钢筋按定尺交货时的长度容许偏差为±25 mm ,当规定最小长度时,其偏差为 ...

1、当您付费下载文档后,您只拥有了使用权限,并不意味着购买了版权,文档只能用于自身使用,不得用于其他商业用途(如 [转卖]进行直接盈利或[编辑后售卖]进行间接盈利)。
2、本站所有内容均由合作方或网友上传,本站不对文档的完整性、权威性及其观点立场正确性做任何保证或承诺!文档内容仅供研究参考,付费前请自行鉴别。
3、如文档内容存在违规,或者侵犯商业秘密、侵犯著作权等,请点击“违规举报”。

碎片内容

2025年资料办公室业务知识培训题库

您可能关注的文档

确认删除?
VIP
微信客服
  • 扫码咨询
会员Q群
  • 会员专属群点击这里加入QQ群
客服邮箱
回到顶部