电脑桌面
添加小米粒文库到电脑桌面
安装后可以在桌面快捷访问

工地试验室建设方案

工地试验室建设方案_第1页
1/21
工地试验室建设方案_第2页
2/21
工地试验室建设方案_第3页
3/21
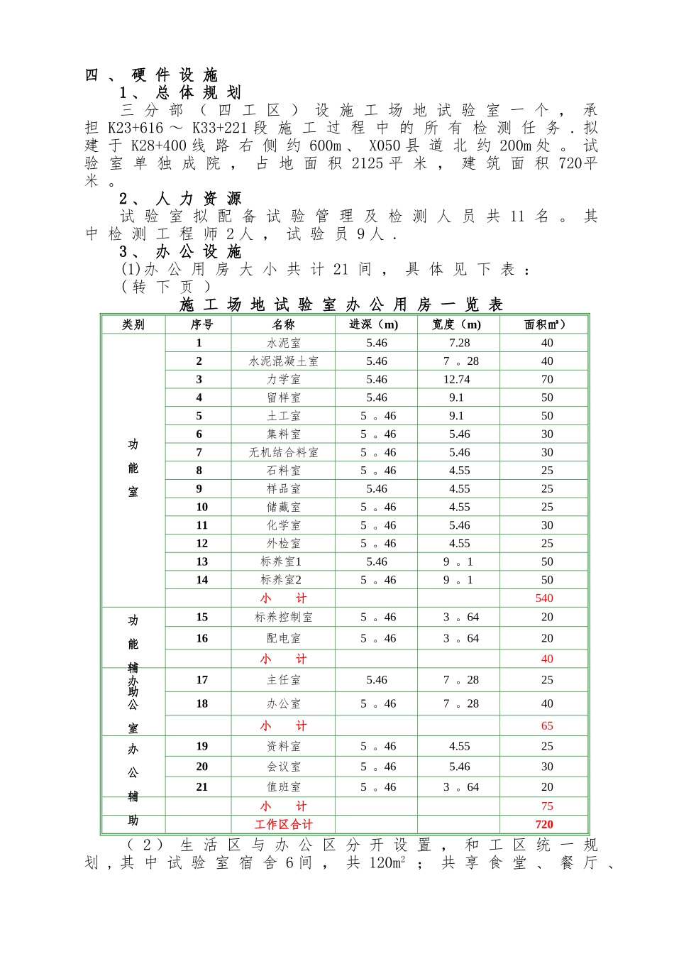
目 录一、编制依据 3二、编制目的 2 三、工程概况 2 四、硬件设施 3 1 、总体规划 3 2 、 人力资源 3 3 、办公设施 3 4 、仪器设备 4 5 、标准法律规范 10 6 、计划工期 12 7 、标识标牌 13 8 、交通工具 13 五、组织机构 13 六、质量管理体系 13 1 、体系文件 13 2 、整章建制 13 3 、质量保证体系框图 13 七、试验室管理模式 14 附件 1 、试验室办公区平面布置图 15 附件 2 、各功能室布置详图 16 1 、水泥混凝土室 16 2 、水泥室 16 3 、办公室 17 4 、资料室 17 5 、化学室 17 6 、外检室 17 7 、标养室 17 8 、养护架详图 17 9 、力学室 17 10 、集料室 17 11 、样品室 17 12 、土工室 18 13 、留样室 18 14 、石料室 19 16 、无机结合料室 19 附件 3 、组织机构框图 19 附件 4 、质量保证体系框图 20 施工场地试验室建设方案一 、 编 制 依 据1 、 施 工 场 地 试 验 室 标 准 化 建 设 要 点 ( 厅 质 监 字〔 2024 〕 200号 ) ;2 、 《 公 路 工 程 施 工 场 地 试 验 室 标 准 化 指 南 》( 交 通 出 版 社 2024 年 10 月 ) ;3 、 《 公 路 工 程 标 准 施 工 招 标 文 件 》 (2024 年 版 下 册 ) ;4 、 高 速 公 路 项 目 施 工 标 准 化 实 施 细 则 ( 施 工 场地 建 设 分 册 ) ;5 、 《 河 南 省 公 路 工 程 施 工 场 地 试 验 室 管 理 办法 》 ( 豫 交 文 〔 2024 〕 220号 ) 。二 、 编 制 目 的为 确 保 施 工 场 地 试 验 室 标 准 化 建 设 全 面 达 标 ,特 制 订 本 建 设 方 案 。三 、 工 程 概 况我 分 部 承 建 K23+613~K33+221段 施 工 任 务 , 线 路 全 长9608m , 位 于 洛 阳 市 宜 阳 县 和 洛 宁 县 境 内 , 其 中 大 桥6 座 , 分 别 为 西 沟 大 桥 、 范 店 大 桥 、 麻 岩 大 桥 、 蒋 麻岩 大 桥 、 寨 坡 大 桥 、 坡 头 大 桥 , 共 计 3263 延 米 , 占标 段 线 路 总 长 的 34%; 路 基 6345m , 其 中 挖 方 160万 方 ,填 方 50 。 3 万 立 方 米 , 沿 线 共 设 河 底...

1、当您付费下载文档后,您只拥有了使用权限,并不意味着购买了版权,文档只能用于自身使用,不得用于其他商业用途(如 [转卖]进行直接盈利或[编辑后售卖]进行间接盈利)。
2、本站所有内容均由合作方或网友上传,本站不对文档的完整性、权威性及其观点立场正确性做任何保证或承诺!文档内容仅供研究参考,付费前请自行鉴别。
3、如文档内容存在违规,或者侵犯商业秘密、侵犯著作权等,请点击“违规举报”。

碎片内容

工地试验室建设方案

确认删除?
VIP
微信客服
  • 扫码咨询
会员Q群
  • 会员专属群点击这里加入QQ群
客服邮箱
回到顶部