电脑桌面
添加小米粒文库到电脑桌面
安装后可以在桌面快捷访问

2025年大宝山隧道爆破工程技术交底四级

2025年大宝山隧道爆破工程技术交底四级_第1页
1/11
2025年大宝山隧道爆破工程技术交底四级_第2页
2/11
2025年大宝山隧道爆破工程技术交底四级_第3页
3/11
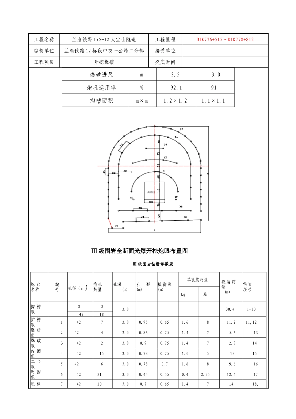
工程名称兰渝铁路 LYS-12 大宝山隧道工程里程D1K776+515~D1K778+812编制单位兰渝铁路 12 标段中交一公局二分部接受单位工程项目开挖爆破交底时间交底内容:交底范围: 为保证开挖轮廓线,控制超欠挖,规定开挖方式采用光面爆破,钻爆设计如下:一、本工程采用预留光面层的爆破措施,爆破参数如下:(1)预留的光面层厚度Ⅴ:60-70cm;(2)周围眼间距 E:40-50cm;按照 E/V=0.8 的目的控制参数的选择。此外,以上参数为拟选定参数,详细参数要根据现场的爆破效果,按照炮眼的留痕率:硬岩≥80%、中硬岩≥70%和软岩≥50%的原则,经多次试验后来,根据详细状况予以修正。二、为了保证开挖面的平整,掏槽眼应当比辅助眼深 10cm,并且掏槽眼规定严格互相平行,眼口间距误差和眼底间距误差不得不小于 5cm;辅助眼的眼口排距,行距误差均不得不小于 5㎝,下台阶眼底不超过开挖轮廓线 10㎝.三、拱部光面层钻孔的时间要搭设钻孔平台,以保证光面层周围眼沿隧道设计断面轮廓线上的间距误差不不小于 5㎝,外斜率不不小于 5㎝/m,两茬炮眼衔接时出现的台阶形误差不得不小于 15㎝.四、光面爆破宜采用小直径药卷,根据不一样的围岩状况及药卷特性,通过试验后确定最佳装药参数。五、炮眼布置示意图及爆破参数如下 Ⅲ 级围岩大直径中空直眼掏槽法工程名称兰渝铁路 LYS-12 大宝山隧道工程里程D1K776+515~D1K778+812编制单位兰渝铁路 12 标段中交一公局二分部接受单位工程项目开挖爆破交底时间炮眼倾斜不超过 2cm/m。为保证各个炮眼起爆时有良好的自由面、对的的起爆次序,掏槽眼起爆采用毫秒微差雷管,跳段使用,为保证掏槽成功,在掏槽孔中装 2 发同段雷管。并采用正向起爆技术,及两发雷管均装于炮孔的中上部。 Ⅲ 级围岩导坑掏槽眼钻爆参数表炮眼名称孔径(mm)孔数孔深(m)单 孔 装 药 量(kg)雷管段号备 注中空孔9033.2不装药掏槽眼14223.22.01,3掏槽眼24243.21.8 4掏槽眼34243.21.6 6掏槽眼442 43.21.6 8掏槽眼54243.21.610总计2167.230.4、、、重要技术指标表指 标 名 称单 指 标Ⅱ 级 围岩Ⅲ 级 围岩钻孔深度m3.83.2工程名称兰渝铁路 LYS-12 大宝山隧道工程里程D1K776+515~D1K778+812编制单位兰渝铁路 12 标段中交一公局二分部接受单位工程项目开挖爆破交底时间爆破进尺m3.53.0炮孔运用率%92.191掏槽面积m×m1.2×1.21.1×1.1Ⅲ 级围岩钻爆参数表炮 眼名称编号孔径(m)炮孔数量孔深(m)孔距(m)抵御...

1、当您付费下载文档后,您只拥有了使用权限,并不意味着购买了版权,文档只能用于自身使用,不得用于其他商业用途(如 [转卖]进行直接盈利或[编辑后售卖]进行间接盈利)。
2、本站所有内容均由合作方或网友上传,本站不对文档的完整性、权威性及其观点立场正确性做任何保证或承诺!文档内容仅供研究参考,付费前请自行鉴别。
3、如文档内容存在违规,或者侵犯商业秘密、侵犯著作权等,请点击“违规举报”。

碎片内容

2025年大宝山隧道爆破工程技术交底四级

您可能关注的文档

确认删除?
VIP
微信客服
  • 扫码咨询
会员Q群
  • 会员专属群点击这里加入QQ群
客服邮箱
回到顶部