电脑桌面
添加小米粒文库到电脑桌面
安装后可以在桌面快捷访问

工程质量目标及保证措施VIP专享

工程质量目标及保证措施_第1页
1/17
工程质量目标及保证措施_第2页
2/17
工程质量目标及保证措施_第3页
3/17
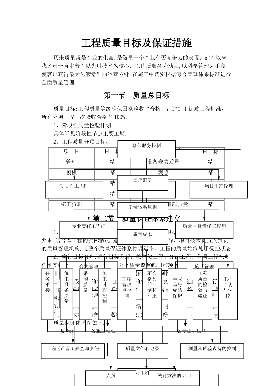
工程质量目标及保证措施历来质量就是企业的生命,是衡量一个企业有否竞争力的表现。建企以来,我公司一直本着“以先进技术为核心,以优质服务为动力,以科学管理为手段,使客户获得最大化满意”的经营方针,在施工中切实根据综合管理体系标准进行全面质量管理.第一节 质量总目标质量目标:工程质量等级确保国家验收“合格”,达到市优质工程标准,所有分项工程一次验收合格率 100%。1、阶段性质量检验计划具体详见阶段性节点主要工期.2、工程质量分项目标、项 目目 标项 目目 标管理精设备安装质量精模板精观感精钢筋精使用功能精砼精环境质量精施工资料精重要部位及细部质量精第二节 质量保证体系建立1、严格按公司的综合管理体系程序文件执行,根据公司质量保证体系的要求,结合本工程的实际情况,建立由公司总工程师领导、项目技术负责人负责的质量管理机构,使整个质量保证体系协调运作,工程的质量始终处于受控状态.2、实行目标管理,进行目标分解,按单位工程、分部工程、分项工程把责任落实到相应的部门和人员。除公司质量监督部门和项目技术负责人外,现场另安排专职质监员跟班作业,分别对土建的模板的制作安装、钢筋绑扎、砼浇筑等施工作业以及设备的安装,工艺管道的安装,仪表安装等施工作业进行跟踪监控,并严格根据公司质量体系文件规定,使项目各部门到各施工班组,层层落实质量职责,明确质量责任.3、积极开展质量管理(QC)小组的活动,工人、技术人员、项目领导“三结合”,针对技术质量关键问题组织攻关,并积极做好 QC 成果的推广应用工作。质量保证体系图如下:质量保证体系图如下:ISO-19002 质量标准总部服务控制项目经理项目总工程师项目生产经理专业责任工程师质量监督责任工程师合约管理施工管理物资管理技术管理各施工班组各专业承包商QC 小组活动管理职责质量体系原则质量成本施工过程控制采购质量施工准备质量任务承接 工序管理点控制不合格品的控制和纠正工程质量的检验与验证 工程回访与保修 半成品与成品保护工程 ( 产品 ) 安全与责任质量文件和记录测量和试验设备的控制人员统计方法的应用第三节 质量控制的原则1、坚持“质量第一,顾客满意”的原则:在工程施工过程中,我公司将始终以业主为重,充分重视业主及监理对工程质量提出的意见或建议,在质量面前,监理和业主具有一票否决权,任何工作均以能够确保施工质量为前提而展开。2、以“人为核心"的质量控制原则:各施工人员是质量的制造者,质量控制必须“以...

1、当您付费下载文档后,您只拥有了使用权限,并不意味着购买了版权,文档只能用于自身使用,不得用于其他商业用途(如 [转卖]进行直接盈利或[编辑后售卖]进行间接盈利)。
2、本站所有内容均由合作方或网友上传,本站不对文档的完整性、权威性及其观点立场正确性做任何保证或承诺!文档内容仅供研究参考,付费前请自行鉴别。
3、如文档内容存在违规,或者侵犯商业秘密、侵犯著作权等,请点击“违规举报”。

碎片内容

工程质量目标及保证措施

确认删除?
VIP
微信客服
  • 扫码咨询
会员Q群
  • 会员专属群点击这里加入QQ群
客服邮箱
回到顶部