电脑桌面
添加小米粒文库到电脑桌面
安装后可以在桌面快捷访问

工程量签证单45552VIP专享

工程量签证单45552_第1页
1/42
工程量签证单45552_第2页
2/42
工程量签证单45552_第3页
3/42
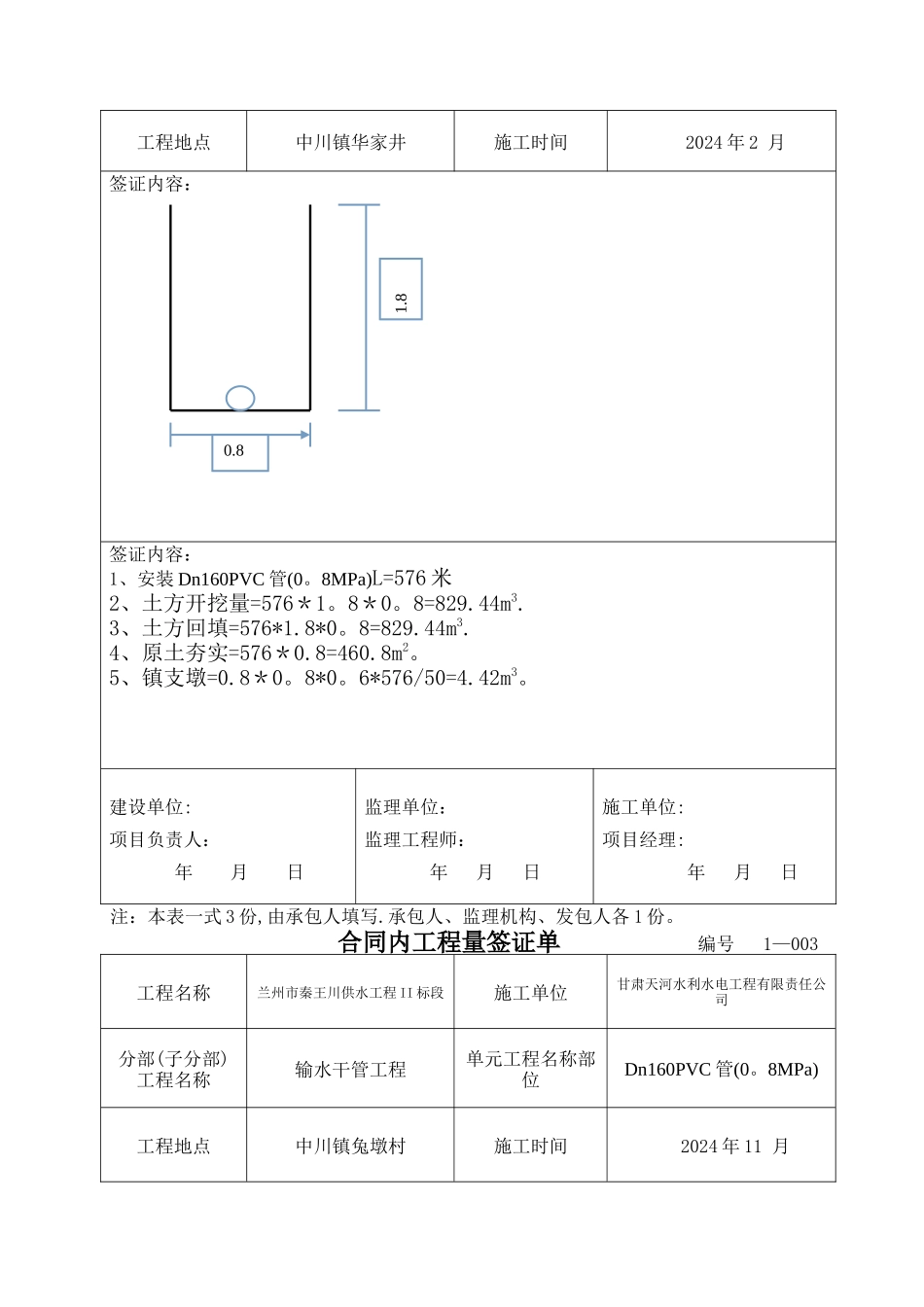
合同内工程量签证单 编号 1—001工程名称兰州市秦王川供水工程 II 标段施工单位甘肃天河水利水电工程有限责任公司 分部(子分部)工程名称输水干管工程分项工程名称部位Dn160PVC 管(0.8MPa) 工程地点中川镇何家梁村施工时间2024 年 10 月签证内容:签证内容:1、安装 Dn160PVC(0。8MPa)L=1506M2、管道土方开挖:V=1506*1。8*0。8=2168。64m3。3、管道土方回填:V=1506*1。8*0。8=2168.64m3。4、管道原土夯实:S=1506*0。8=1804.8m2.5、管道镇支墩: V=0。8*0.8*0。6*1506/50=11。57m3.建设单位:项目负责人:年 月 日监理单位:监理工程师:年 月 日施工单位:项目经理: 年 月 日 注:本表一式 3 份,由承包人填写。承包人、监理机构、发包人各 1 份.合同内工程量签证单 编号 1—002工程名称兰州市秦王川供水工程 II 标段施工单位甘肃天河水利水电工程有限责任公司 分部(子分部)工程名称输水干管工程单元工程名称部位Dn160PVC 管(0。8MPa) 0.81.8工程地点中川镇华家井施工时间 2024 年 2 月 签证内容:签证内容:1、安装 Dn160PVC 管(0。8MPa)L=576 米2、土方开挖量=576*1。8*0。8=829.44m3.3、土方回填=576*1.8*0。8=829.44m3.4、原土夯实=576*0.8=460.8m2。5、镇支墩=0.8*0。8*0。6*576/50=4.42m3。建设单位:项目负责人:年 月 日监理单位:监理工程师:年 月 日施工单位:项目经理: 年 月 日 注:本表一式 3 份,由承包人填写.承包人、监理机构、发包人各 1 份。合同内工程量签证单 编号 1—003工程名称兰州市秦王川供水工程 II 标段施工单位甘肃天河水利水电工程有限责任公司 分部(子分部)工程名称输水干管工程单元工程名称部位Dn160PVC 管(0。8MPa)工程地点中川镇兔墩村施工时间 2024 年 11 月 0.81.8签证内容:签证内容:1、安装 Dn160PVC 管(0。8MPa)L=624 米2、土方开挖量=624*1。8*0。8=898。56m3。3、土方回填=624*1.8*0.8=898。56m3。4、原土夯实=624*0。8=499.2m2。5、镇支墩=0.8*0。8*0。6*624/50=4。79m3.建设单位:项目负责人:年 月 日监理单位:监理工程师:年 月 日施工单位:项目经理: 年 月 日 注:本表一式 3 份,由承包人填写。承包人、监理机构、发包人各 1 份。合同内工程量签证单 编号 1—004工程名称兰州市秦王川供水工程 II 标段施工单位甘肃天河水利水电工程有限责任公司 分部(子分部)工程名称输水支管工程单元...

1、当您付费下载文档后,您只拥有了使用权限,并不意味着购买了版权,文档只能用于自身使用,不得用于其他商业用途(如 [转卖]进行直接盈利或[编辑后售卖]进行间接盈利)。
2、本站所有内容均由合作方或网友上传,本站不对文档的完整性、权威性及其观点立场正确性做任何保证或承诺!文档内容仅供研究参考,付费前请自行鉴别。
3、如文档内容存在违规,或者侵犯商业秘密、侵犯著作权等,请点击“违规举报”。

碎片内容

工程量签证单45552

确认删除?
VIP
微信客服
  • 扫码咨询
会员Q群
  • 会员专属群点击这里加入QQ群
客服邮箱
回到顶部