电脑桌面
添加小米粒文库到电脑桌面
安装后可以在桌面快捷访问

工艺提升方案

工艺提升方案_第1页
1/4
工艺提升方案_第2页
2/4
工艺提升方案_第3页
3/4
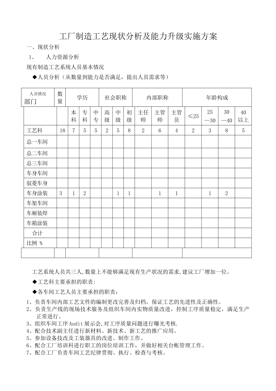
工厂制造工艺现状分析及能力升级实施方案一、现状分析1、人力资源分析现有制造工艺系统人员基本情况◆人员分析(从数量到能力是否满足,提出人员需求等)工艺系统人员共三人,数量上不能够满足现有生产状况的需求,建议工厂增加一位。◆工艺科主要承担的职责:◆各车间工艺人员主要承担的职责:1、负责车间内部工艺文件的编制更改完善及归档,保证工艺的先进性及正确性。2、负责生产线的现场技术服务及组织车间内实物质量改进,控制工序质量稳定,满足生产正常进行。3、组织车间工序 Audit 展示会,对工序质量问题进行曝光考核.4、配合技术副主任进行新材料、新技术、新工艺的推广应用。5、参加设备技改及工装器具的改进、制作工作。6、配合工厂培训科进行职工的岗位培训工作,并做好相关台帐管理工作。7、配合工厂负责车间工艺纪律贯彻、执行、检查与考核。人员情况部门数量学历社会职称内部职称年龄构成本科专科中专高级中级初级主任师主管师主管员≤2525—3030—4040以上工艺科187552582642385总一车间总二车间总三车间车身车间驭菱车身车身涂装312111112车架车间车厢装焊车箱涂装合计比例 %8、向车间反馈生产过程发生的技术质量信息,并及时进行处理.9、组织开展 QC 小组活动,并对成果进行发表。10、负责对化验报告的校对和审核.2、工艺设施改进分析车间项目奥铃工厂现状分析改进措施总 装车间车 身装焊涂 装车间车 架车间车 厢装焊车 厢涂装3、工艺文件体系1、 编制了最新版的操作指导书、检验指导书、入厂检验规程等,更具有有用性。2、 从人、机、料、法、环五个方面,对各工位建立了标准化作业系统。3、 具备现行有效的管理制度及第三层次文件清单和收文登记等内容.二、目标1、软件① 借鉴通用公司工艺文件模板,结合 TPS 专家指导,建立和完善制造过程的标准化作业系统,形成工厂法律规范统一的 QC 工序表、岗位作业指导书、物料数据单的标准模板,充分分解工序质量特性、设备、检验要求.② 强化工艺文件的贯彻执行,在标准化作业的基础上,完善、建立制造过程的在线质量响应系统2、分析改造工艺装备等硬件设施,提高硬件工艺保障能力:针对现在工艺装备等硬件设施存在的问题,以产品质量特性为主线,通过一系列技改项目的策划和实施,实现工艺保障能力升级,降低劳动强度,避开磕碰划伤,提高劳动强度,降低生产成本,提高工作效率,改善作业环境。4、组织工艺系统人员进行工艺理念的培训和技能的培训,切实提升工艺系统人员整...

1、当您付费下载文档后,您只拥有了使用权限,并不意味着购买了版权,文档只能用于自身使用,不得用于其他商业用途(如 [转卖]进行直接盈利或[编辑后售卖]进行间接盈利)。
2、本站所有内容均由合作方或网友上传,本站不对文档的完整性、权威性及其观点立场正确性做任何保证或承诺!文档内容仅供研究参考,付费前请自行鉴别。
3、如文档内容存在违规,或者侵犯商业秘密、侵犯著作权等,请点击“违规举报”。

碎片内容

工艺提升方案

您可能关注的文档

确认删除?
VIP
微信客服
  • 扫码咨询
会员Q群
  • 会员专属群点击这里加入QQ群
客服邮箱
回到顶部