电脑桌面
添加小米粒文库到电脑桌面
安装后可以在桌面快捷访问

市政公路临时用电施工方案

市政公路临时用电施工方案_第1页
1/9
市政公路临时用电施工方案_第2页
2/9
市政公路临时用电施工方案_第3页
3/9
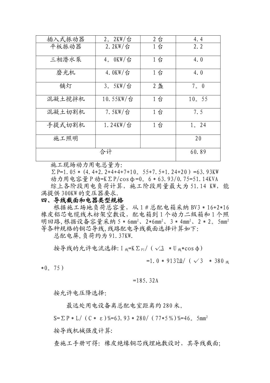
祥瑞广场规划道路工程临时用电方案编 制 人:审核人:审批人:钟祥市市政公司编制时间:二 0 一三年九月目 录☆封面———-—--————-—-——--————---—-—-—-————————-————————---1☆ 目 录 -——---———---———-—-————--—————--—-—————---—-—--—————2一 、 工 程 概 况 — — — -—-—--—------——-——-——-——-——--—-————--—---—3二、编制依据——--————————————-———-—-—-—-——-—-—-—-————----—4三、负荷计算—-—-——--———-——---—-—————-—-—--—-——---——--—-——4四、导线截面和电器类型规格-————————————---———-——--——-————4五、接地与防雷————-—------—————-——--——-—————————-—--———--7六、变配电装置--—-—-—-—--—-—-—-——--——--—————-——---————-—-9七、配电箱与开关箱--——-————--——-———---——-——-——--————-————9八、雨季施工用电的安全措施-—-——————-————————————-——--—————10九、施工用电安全措施--—————-——-———————-—-—-—--—--—————---—12十、建立健全的临时用电安全技术档案—--—————-—-—————-————-——14十一、电气火灾的预防 -—-—---——-—--—————-——————————-———---—14十二、电气灭火措施 —--———-—--———----——-—--—----—--——-———-—15一、工程概况建设单位:钟祥市城市建设投资公司设计单位:钟祥市城乡规划设计院监理单位:钟祥市祥安建设工程监理责任有限公司施工单位:钟祥市市政公司钟祥祥瑞广场南规划道路工程位于钟祥市祥瑞广场南,道路西起祥瑞大道,东至镜月湖,道路总长 270.8 米;道路宽度为 30 米,车行道宽度为 18 米,两侧人行道宽度为 6 米(根据现场实际情况调整)。全线采纳沥青混凝土路面,人行道采纳砖铺.本项目设计内容包括:道路工程、给排水工程、绿化工程、交通工程等。施工现场临时用电分别从当地居民用电的配电箱接入的三相四线供电电表接线,设置 1#总配电箱。在总配电箱将工作零线作重复接地,并引出保护零线。现场内无高、低压线路通过,无电磁感应及静电存在。根据工程施工组织设计中平面布置确定线路走向及所需用电设备有:插入式振动器 2...

1、当您付费下载文档后,您只拥有了使用权限,并不意味着购买了版权,文档只能用于自身使用,不得用于其他商业用途(如 [转卖]进行直接盈利或[编辑后售卖]进行间接盈利)。
2、本站所有内容均由合作方或网友上传,本站不对文档的完整性、权威性及其观点立场正确性做任何保证或承诺!文档内容仅供研究参考,付费前请自行鉴别。
3、如文档内容存在违规,或者侵犯商业秘密、侵犯著作权等,请点击“违规举报”。

碎片内容

市政公路临时用电施工方案

一帆文传+ 关注
实名认证
内容提供者

欢迎光临店铺,各类公文供您挑选。

确认删除?
VIP
微信客服
  • 扫码咨询
会员Q群
  • 会员专属群点击这里加入QQ群
客服邮箱
回到顶部