电脑桌面
添加小米粒文库到电脑桌面
安装后可以在桌面快捷访问

市政工程检测方案VIP专享

市政工程检测方案_第1页
1/3
市政工程检测方案_第2页
2/3
市政工程检测方案_第3页
3/3
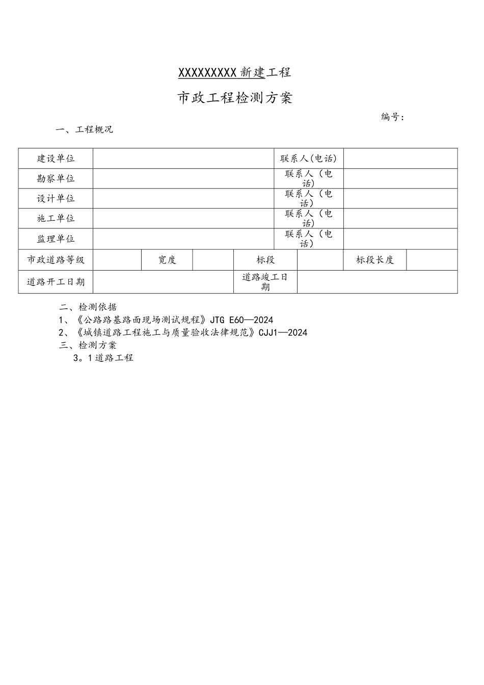
XXXXXXXXX 新建 工程市政工程检测方案编号:一、工程概况二、检测依据1、《公路路基路面现场测试规程》JTG E60—20242、《城镇道路工程施工与质量验收法律规范》CJJ1—2024三、检测方案3。1 道路工程建设单位联系人(电话)勘察单位联系人(电话)设计单位联系人(电话)施工单位联系人(电话)监理单位联系人(电话)市政道路等级宽度标段标段长度道路开工日期道路竣工日期3.2 排水工程3.3 给水工程3。4 附属工程四、单位意见检测项目检测方法检测频率抽检数量路基压实度灌砂法或者环刀法每 1000 平方米抽 3 个点弯沉贝克曼梁法每车道、每 20 米测 1 点宽度钢卷尺每 40 米测 1 点原材料试验土击实、液塑限、CBR 试验、含水量每种填料土抽检地基承载力动力触探、平板载荷试验基层压实度灌砂法每 1000 平方米抽 1 个点弯沉贝克曼梁法每车道、每 20 米测 1 点宽度钢卷尺每 40 米测 1 点无侧限抗压强度取样、制件抗压试验每 2000 平方米抽 1 组原材料试验配合比试验、混合料筛分试验、灰剂量、粗集料、细集料试验、水试验、击实试验每种填料抽检沥青混凝土路面压实度钻芯法每 1000 平方米抽 1 个点厚度钢直尺每 1000 平方米抽 1 个点弯沉贝克曼梁法每车道、每 20 米测 1 点宽度钢卷尺每 40 米测 1 点平整度连续平整度仪或 3 米直尺连续平整度仪:每 100 米测 3次; 3 米直尺:每 20 米测 3 次抗滑性能摆式仪每 200 米测 1 处原材料试验沥青混合料配比设计、矿料级配设计、沥青三大指标、含蜡量、马歇尔试验、油石比、车辙试验、粗集料、细集料、矿粉试验每种材料抽检水泥混凝土路面抗压强度钻芯法每 1000 平方米抽 1 个点厚度钢直尺每 1000 平方米抽 1 个点抗滑构造深度铺砂法每 1000 平方米抽 1 个点平整度3 米直尺每 20 米测 1 点宽度钢卷尺每 40 米测 1 点原材料试验混凝土配合比设计、混凝土试件抗弯拉强度、水泥、粗集料、细集料、钢材试验每种材料抽检检测项目检测方法检测频率闭水试验灌水量测污水管全线检测填土压实度灌砂法或者环刀法每 1000 平方米抽 3 个点管道及构筑物地基承载力动力触探、平板载荷试验原材料试验混凝土配比设计、混凝土抗压强度、水泥、砂、石试验、井盖、井况承载力试验、混凝土管 荷 载 强 度 、 外 观 几 何 尺寸、HDPE 管管材环刚度、环柔性、拉伸强度试验、钢材试验每种材料抽检检测项目检测方法检测频率水压...

1、当您付费下载文档后,您只拥有了使用权限,并不意味着购买了版权,文档只能用于自身使用,不得用于其他商业用途(如 [转卖]进行直接盈利或[编辑后售卖]进行间接盈利)。
2、本站所有内容均由合作方或网友上传,本站不对文档的完整性、权威性及其观点立场正确性做任何保证或承诺!文档内容仅供研究参考,付费前请自行鉴别。
3、如文档内容存在违规,或者侵犯商业秘密、侵犯著作权等,请点击“违规举报”。

碎片内容

市政工程检测方案

确认删除?
VIP
微信客服
  • 扫码咨询
会员Q群
  • 会员专属群点击这里加入QQ群
客服邮箱
回到顶部