电脑桌面
添加小米粒文库到电脑桌面
安装后可以在桌面快捷访问

常州市建设工程检测见证取样员培训

常州市建设工程检测见证取样员培训_第1页
1/32
常州市建设工程检测见证取样员培训_第2页
2/32
常州市建设工程检测见证取样员培训_第3页
3/32
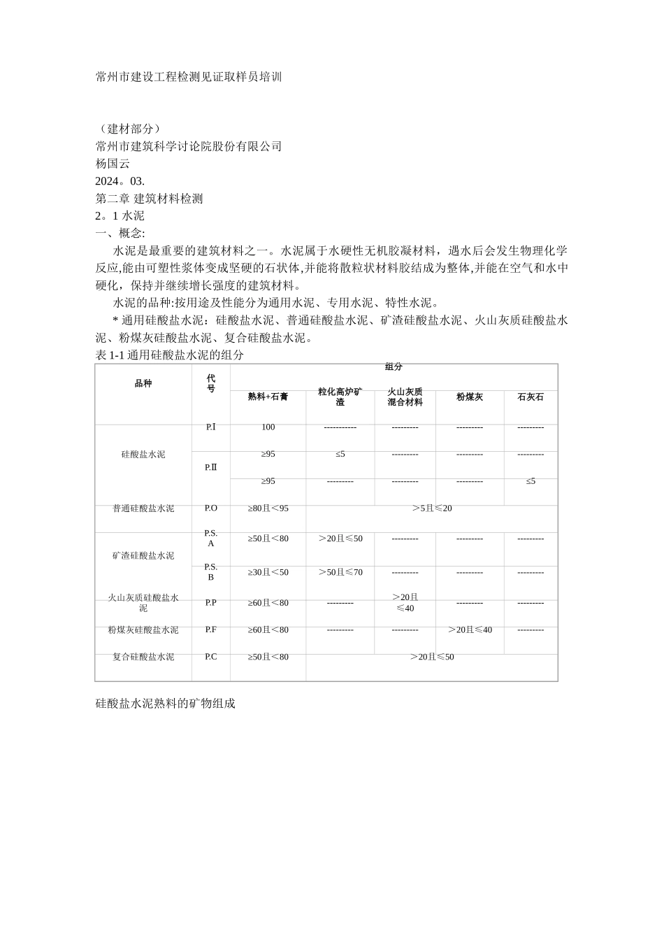
常州市建设工程检测见证取样员培训(建材部分) 常州市建筑科学讨论院股份有限公司杨国云2024。03.第二章 建筑材料检测2。1 水泥一、概念:水泥是最重要的建筑材料之一。水泥属于水硬性无机胶凝材料,遇水后会发生物理化学反应,能由可塑性浆体变成坚硬的石状体,并能将散粒状材料胶结成为整体,并能在空气和水中硬化,保持并继续增长强度的建筑材料。水泥的品种:按用途及性能分为通用水泥、专用水泥、特性水泥。* 通用硅酸盐水泥:硅酸盐水泥、普通硅酸盐水泥、矿渣硅酸盐水泥、火山灰质硅酸盐水泥、粉煤灰硅酸盐水泥、复合硅酸盐水泥。表 1-1 通用硅酸盐水泥的组分硅酸盐水泥熟料的矿物组成品种代号组分熟料+石膏粒化高炉矿渣火山灰质混合材料粉煤灰石灰石硅酸盐水泥P.Ⅰ100--------------------------------------P.Ⅱ≥95≤5---------------------------≥95---------------------------≤5普通硅酸盐水泥P.O≥80且<95>5且≤20矿渣硅酸盐水泥P.S.A≥50且<80>20且≤50---------------------------P.S.B≥30且<50>50且≤70---------------------------火山灰质硅酸盐水泥P.P≥60且<80--------->20且≤40------------------粉煤灰硅酸盐水泥P.F≥60且<80------------------>20且≤40---------复合硅酸盐水泥P.C≥50且<80>20且≤50硅酸盐水泥的凝聚硬化过程水泥加入适量水拌合均匀后,水泥颗粒分散在水中成为水泥浆,水泥浆经过一定时间,由于本身的物理化学变化会逐浙变稠,失去塑性,但尚不具有强度的过程称为初凝,开始具有强度时称为终凝。由初凝到终凝的过程称为水泥的“凝聚"。 随着时间增长其强度继续进展提高并逐渐变成坚硬的石状物——水泥石这一过程称为水泥的“硬化”。 水泥的凝聚和硬化过程是人为划分的,实际上是一个连续的复杂的物理化学变化过程,是不能截然分开的.综上所述,可以将其凝聚硬化过程概括 如下: 初 凝 -— 失去塑性尚无强度凝 结: 终 凝 —— 开始具有强度时硬 化: 强度进展形成水泥石二、水泥的主要技术要求通用硅酸盐水泥的主要技术要求,可分为化学指标和物理指标两大类。1、化学指标:通用硅酸盐水泥的化学指标主要包括:不溶物、烧失量、三氧化硫含量、氧化镁含量和氯离子含量等几个指标。另外水泥碱含量是按 Na2O+0。658K2O 计算值表示为水泥的一项选择性指标。若使用活性骨料,用户要求提供低碱水泥时,水泥中的碱含量应不大于 0.60%或由买卖双方协商确定。 表 1—2 通用...

1、当您付费下载文档后,您只拥有了使用权限,并不意味着购买了版权,文档只能用于自身使用,不得用于其他商业用途(如 [转卖]进行直接盈利或[编辑后售卖]进行间接盈利)。
2、本站所有内容均由合作方或网友上传,本站不对文档的完整性、权威性及其观点立场正确性做任何保证或承诺!文档内容仅供研究参考,付费前请自行鉴别。
3、如文档内容存在违规,或者侵犯商业秘密、侵犯著作权等,请点击“违规举报”。

碎片内容

常州市建设工程检测见证取样员培训

您可能关注的文档

确认删除?
VIP
微信客服
  • 扫码咨询
会员Q群
  • 会员专属群点击这里加入QQ群
客服邮箱
回到顶部