电脑桌面
添加小米粒文库到电脑桌面
安装后可以在桌面快捷访问

干作业成孔混凝土灌注桩施工

干作业成孔混凝土灌注桩施工_第1页
1/12
干作业成孔混凝土灌注桩施工_第2页
2/12
干作业成孔混凝土灌注桩施工_第3页
3/12
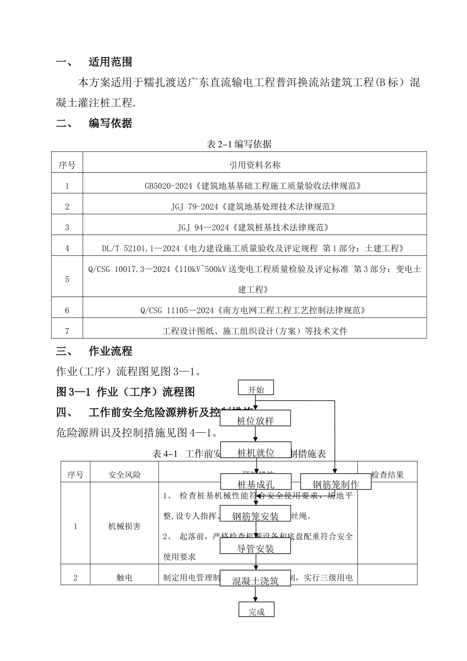
一、适用范围本方案适用于糯扎渡送广东直流输电工程普洱换流站建筑工程(B 标)混凝土灌注桩工程.二、编写依据表 2-1 编写依据序号引用资料名称1GB5020-2024《建筑地基基础工程施工质量验收法律规范》2JGJ 79-2024《建筑地基处理技术法律规范》3JGJ 94—2024《建筑桩基技术法律规范》4DL/T 52101.1—2024《电力建设施工质量验收及评定规程 第 1 部分:土建工程》5Q/CSG 10017.3—2024《110kV~500kV 送变电工程质量检验及评定标准 第 3 部分:变电土建工程》6Q/CSG 11105—2024《南方电网工程工程工艺控制法律规范》7工程设计图纸、施工组织设计(方案)等技术文件三、作业流程作业(工序)流程图见图 3—1。图 3—1 作业(工序)流程图四、工作前安全危险源辨析及控制措施危险源辨识及控制措施见图 4—1。表 4-1 工作前安全风险辨析及控制措施表序号安全风险预控措施检查结果1机械损害1、 检查桩基机械性能符合安全使用要求,场地平整,设专人指挥、监护。定期检查钢丝绳。2、 起落前,严格检查机械设备和底盘配重符合安全使用要求2触电制定用电管理制度,使用三相五线制,实行三级用电开始桩位放样桩机就位桩基成孔钢筋笼安装导管安装钢筋笼制作完成混凝土浇筑保护,使用标准电源箱.多机作业用电须分闸,严禁一闸多机3烫伤安标准配备劳动保护用品4起重吊装特别作业人员持证上岗,选用符合安全标准的工器具与机械5孔洞坠落桩基成孔后不能立即进行下道工序,应在孔洞口设置安全防护栏,并悬挂安全标识6交通意外运输通道应足够宽,车辆由具有资格的专人驾驶,加强现场监督五、作业准备5.1、人员配备表 5-1 人员配备表工序名称建议工作人数负责人数监护人数桩位放样及控制311桩机就位及成孔631钢筋笼加工3521钢筋笼安装931导管安放1531混凝土浇筑25335.2、主要工器具及仪器仪表配置序号名称规格/标号单位数量备注1旋挖钻机YTR220台22旋挖钻机YTR260台13混凝土搅拌楼JS750台24混凝土罐车10 方台45电焊机BX1—400台156钢筋弯曲机GW40台37装载机DA0Y926B台28起重吊车25T台49导管φ300/3m节4010钢丝绳φ16m50m六、地质情况介绍根据《岩土工程勘测报告》可知,站址区域地层结构为:上覆地层为第四系,下伏地层为三叠系。第四系包括:局部分布于道路地带的第四系人工堆积层(Qs)素填土,分布较普遍的第四系残坡积层(Qel+sl)粘性土、含碎石粘性土、碎块石。下伏基岩为三叠系上统橄榄坝组上段(T3g3)的泥岩夹灰岩、泥质灰岩、泥质砂岩。现...

1、当您付费下载文档后,您只拥有了使用权限,并不意味着购买了版权,文档只能用于自身使用,不得用于其他商业用途(如 [转卖]进行直接盈利或[编辑后售卖]进行间接盈利)。
2、本站所有内容均由合作方或网友上传,本站不对文档的完整性、权威性及其观点立场正确性做任何保证或承诺!文档内容仅供研究参考,付费前请自行鉴别。
3、如文档内容存在违规,或者侵犯商业秘密、侵犯著作权等,请点击“违规举报”。

碎片内容

干作业成孔混凝土灌注桩施工

您可能关注的文档

一帆文传+ 关注
实名认证
内容提供者

欢迎光临店铺,各类公文供您挑选。

确认删除?
VIP
微信客服
  • 扫码咨询
会员Q群
  • 会员专属群点击这里加入QQ群
客服邮箱
回到顶部