电脑桌面
添加小米粒文库到电脑桌面
安装后可以在桌面快捷访问

应急救援物资检查表

应急救援物资检查表_第1页
1/2
应急救援物资检查表_第2页
2/2
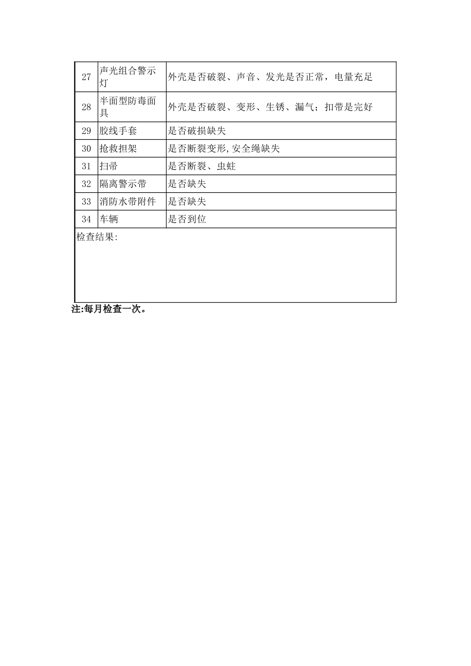
苏家浩大桥项目部应急救援物资检查表检查日期: 检查人:序号检查项目检查标准1灭火器筒体筒体是否存在变形、漆皮脱落、腐蚀等现象2灭火器压把压把是否存在锈蚀、缺损、断裂等现象3灭火器压力表压力表指针是否在绿色区域内,外壳是否变形、损坏4消防水枪水枪是否存在破裂等现象5消防井盖钩子钩子是否存在锈蚀、变形等现象6消防栓扳手扳手是否存在锈蚀、变形等现象7消防水带水带是否破损、接头是否锈蚀、断裂8消防沙消防沙是否存在缺少、杂物覆盖等现象9大铁锤把大锤把是否存在断裂、变形、虫蛀等现象10直钎子是否存在锈蚀、变形等现象11大铁锤头锤头是否存在锈蚀等现象12大铁锤把大锤把是否存在断裂、变形等现象13锹头(尖)锹头是否存在锈蚀、破损等现象14锹把锹把是否存在断裂、变形等现象15钢把镐把是否存在断裂现象16钢镐镐头是否存在锈蚀等现象17麻绳是否存在断裂现象18尼龙绳是否存在断裂现象19船用救生圈救生圈是否存在变形、破损、挂绳断裂的现象20气胀试救生衣气瓶体是否脱落、漏气、安全带是否断裂21铁丝铁丝是否生锈22编织袋编织袋是否破损23铁钉铁钉是否生锈24雨鞋雨鞋是否破损、断底、缺失25雨衣雨衣是否破损、缺失26强光探照灯外壳体是否破裂、电池是否膨胀、电量充足发光正常27声光组合警示灯外壳是否破裂、声音、发光是否正常,电量充足28半面型防毒面具外壳是否破裂、变形、生锈、漏气;扣带是完好29胶线手套是否破损缺失30抢救担架是否断裂变形,安全绳缺失31扫帚是否断裂、虫蛀32隔离警示带是否缺失33消防水带附件是否缺失34车辆是否到位检查结果:注:每月检查一次。

1、当您付费下载文档后,您只拥有了使用权限,并不意味着购买了版权,文档只能用于自身使用,不得用于其他商业用途(如 [转卖]进行直接盈利或[编辑后售卖]进行间接盈利)。
2、本站所有内容均由合作方或网友上传,本站不对文档的完整性、权威性及其观点立场正确性做任何保证或承诺!文档内容仅供研究参考,付费前请自行鉴别。
3、如文档内容存在违规,或者侵犯商业秘密、侵犯著作权等,请点击“违规举报”。

碎片内容

应急救援物资检查表

您可能关注的文档

确认删除?
VIP
微信客服
  • 扫码咨询
会员Q群
  • 会员专属群点击这里加入QQ群
客服邮箱
回到顶部