电脑桌面
添加小米粒文库到电脑桌面
安装后可以在桌面快捷访问

外墙粘贴岩棉板保温隐蔽

外墙粘贴岩棉板保温隐蔽_第1页
1/17
外墙粘贴岩棉板保温隐蔽_第2页
2/17
外墙粘贴岩棉板保温隐蔽_第3页
3/17
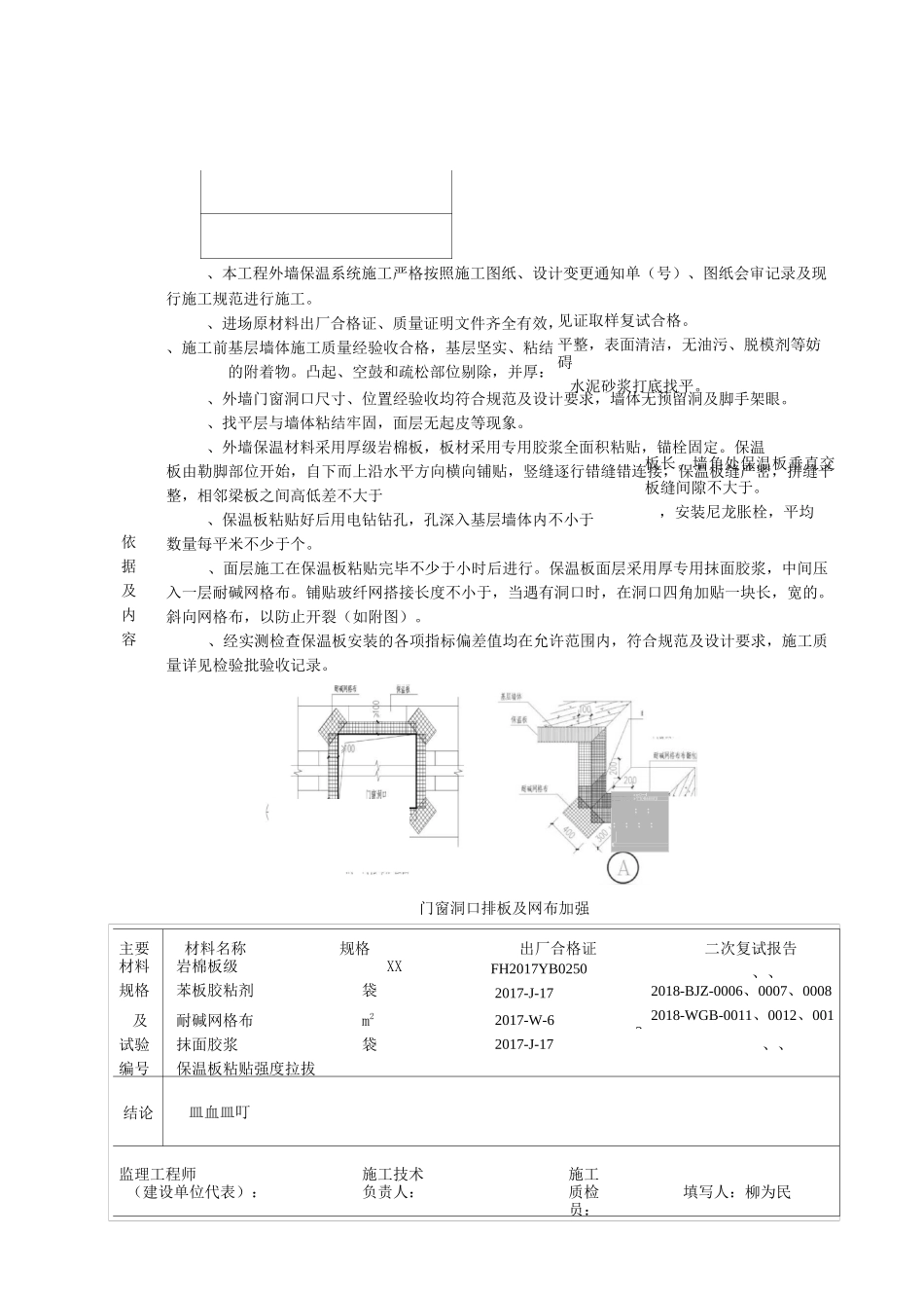
、本工程外墙保温系统施工严格按照施工图纸、设计变更通知单(号)、图纸会审记录及现行施工规范进行施工。、进场原材料出厂合格证、质量证明文件齐全有效,、施工前基层墙体施工质量经验收合格,基层坚实、粘结的附着物。凸起、空鼓和疏松部位剔除,并厚:见证取样复试合格。平整,表面清洁,无油污、脱模剂等妨碍水泥砂浆打底找平。依据及内容、外墙门窗洞口尺寸、位置经验收均符合规范及设计要求,墙体无预留洞及脚手架眼。、找平层与墙体粘结牢固,面层无起皮等现象。、外墙保温材料采用厚级岩棉板,板材采用专用胶浆全面积粘贴,锚栓固定。保温板由勒脚部位开始,自下而上沿水平方向横向铺贴,竖缝逐行错缝错连接,保温板缝严密,拼缝平整,相邻梁板之间高低差不大于、保温板粘贴好后用电钻钻孔,孔深入基层墙体内不小于数量每平米不少于个。、面层施工在保温板粘贴完毕不少于中间压入一层耐碱网格布(首层增铺一层)。在洞口四角加贴一块长,宽的板长。墙角处保温板垂直交板缝间隙不大于。,安装尼龙胀栓,平均小时后进行。保温板面层采用厚专用抹面胶浆,铺贴玻纤网搭接长度不小于,当遇有洞口时,°斜向网格布,以防止开裂(如附图)。、经实测检查保温板安装的各项指标偏差值均在允许范围内,符合规范及设计要求,施工质量详见检验批验收记录。»«<>••I»1'1(•Ilaiiiliii'jl;;;;;;」I|.主要材料名称规格出厂合格证二次复试报告材料岩棉板级XXFH2017YB0250、、规格苯板胶粘剂袋2017-J-172018-BJZ-0006、0007、0008及耐碱网格布m22017-W-62018-WGB-0011、0012、0013试验抹面胶浆袋2017-J-17、、编号保温板粘贴强度拉拔结论皿血皿叮监理工程师施工技术施工(建设单位代表):负责人:质检员:填写人:柳为民门窗洞口排板及网布加强、本工程外墙保温系统施工严格按照施工图纸、设计变更通知单(号)、图纸会审记录及现行施工规范进行施工。、进场原材料出厂合格证、质量证明文件齐全有效,、施工前基层墙体施工质量经验收合格,基层坚实、粘结的附着物。凸起、空鼓和疏松部位剔除,并厚:见证取样复试合格。平整,表面清洁,无油污、脱模剂等妨碍水泥砂浆打底找平。依据及内容、外墙门窗洞口尺寸、位置经验收均符合规范及设计要求,墙体无预留洞及脚手架眼。、找平层与墙体粘结牢固,面层无起皮等现象。、外墙保温材料采用厚级岩棉板,板材采用专用胶浆全面积粘贴,锚栓固定。保温板由勒脚部位开始,自下而上沿水平方向横向铺贴,竖缝...

1、当您付费下载文档后,您只拥有了使用权限,并不意味着购买了版权,文档只能用于自身使用,不得用于其他商业用途(如 [转卖]进行直接盈利或[编辑后售卖]进行间接盈利)。
2、本站所有内容均由合作方或网友上传,本站不对文档的完整性、权威性及其观点立场正确性做任何保证或承诺!文档内容仅供研究参考,付费前请自行鉴别。
3、如文档内容存在违规,或者侵犯商业秘密、侵犯著作权等,请点击“违规举报”。

碎片内容

外墙粘贴岩棉板保温隐蔽

您可能关注的文档

确认删除?
VIP
微信客服
  • 扫码咨询
会员Q群
  • 会员专属群点击这里加入QQ群
客服邮箱
回到顶部