电脑桌面
添加小米粒文库到电脑桌面
安装后可以在桌面快捷访问

建筑工程质量目标

建筑工程质量目标_第1页
1/40
建筑工程质量目标_第2页
2/40
建筑工程质量目标_第3页
3/40
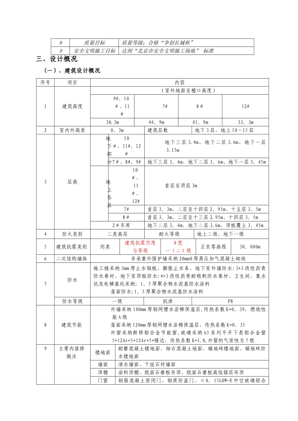
目录一、编制依据 1 (一)、主要依据 1 (二 ) 、选用法律规范 2 二、工程概况 2 三、设计概况 3 (一)、建筑设计概况 3 ( 二 ) 、结构设计概况 4 四、质量计划 5 (一 ) 、质量计划目的与范围 5 ( 二)、工程特点、难点 5 ( 三 ) 、实现质量承诺的有利及不利因素分析 6 五、工程质量目标及分解 6 (一)、工程质量目标 6 (二)、质量目标分解 7 六、各关键工序质量控制点 10 (一 ) 、关键工序质量控制中采纳的办法 10 ( 二 ) 、本工程各关键工序控制点列表 10 ( 三 ) 、工序质量控制点的内容及技术要求 10 七、质量措施 18 (一)、桩基工程 18 (二)、土方工程 18 (三 ) 、防水工程 19 (四)、钢筋工程 21 (五)、模板工程 22 (六)、混凝土工程 23 (七 ) 、砌体工程 24 (八)、抹灰工程 25 (九)、屋面防水工程 25 (十 ) 、室内外给排水、消防及煤气工程 26 (十一)、电气安装工程 27 八、质量体系要素职能分配表 28 九、质量岗位责任制 29 十、工程资料标准 35 十一、资源管理 36 十二、测量、分析和改进 38 十三、质量保证体系图 40 一、编制依据(一)、主要依据序号名 称1平谷新城 05 街区 PG—0005—103 地块住宅项目(二标段)设计蓝图2平谷新城 05 街区 PG—0005—103 地块住宅项目(二标段)施工组织设计(二)、选用法律规范类别名 称编 号国家混凝土结构工程施工质量验收法律规范GB50204—2024地下防水工程质量验收法律规范GB50208—2024建筑工程施工质量验收统一标准GB50300—2024建筑地基基础工程施工质量验收法律规范GB50202-2024人防工程施工及验收法律规范GB50134—2024混凝土强度检验评定标准GB/T50107—2024建筑工程施工质量评价标准GB/T50375—2024地方建筑工程资料管理规程DB11/T695-2024北京市建筑工程施工安全操作规程DBJ01—62-2024混凝土结构工程施工质量验收规程DBJ01—82—2024民用建筑工程室内环境污染控制规程DBJ01-91—2024建筑工程施工组织设计管理规程DB11/T363—2024建设工程施工现场安全资料管理规程DB11/383-2024建筑结构长城杯工程质量评审标准DB11/T1074—2024建设工程施工现场安全防护、场容卫生、环境保护及保卫消防标准DBJ01—83-2024行业建筑施工安全检查标准JGJ59—2024建筑施工扣件式钢管脚手架安全技术法律规范(2024 修订版)JGJ130—2024高层建筑箱形与筏形基础技术法...

1、当您付费下载文档后,您只拥有了使用权限,并不意味着购买了版权,文档只能用于自身使用,不得用于其他商业用途(如 [转卖]进行直接盈利或[编辑后售卖]进行间接盈利)。
2、本站所有内容均由合作方或网友上传,本站不对文档的完整性、权威性及其观点立场正确性做任何保证或承诺!文档内容仅供研究参考,付费前请自行鉴别。
3、如文档内容存在违规,或者侵犯商业秘密、侵犯著作权等,请点击“违规举报”。

碎片内容

建筑工程质量目标

确认删除?
VIP
微信客服
  • 扫码咨询
会员Q群
  • 会员专属群点击这里加入QQ群
客服邮箱
回到顶部