电脑桌面
添加小米粒文库到电脑桌面
安装后可以在桌面快捷访问

循环水技术方案

循环水技术方案_第1页
1/4
循环水技术方案_第2页
2/4
循环水技术方案_第3页
3/4
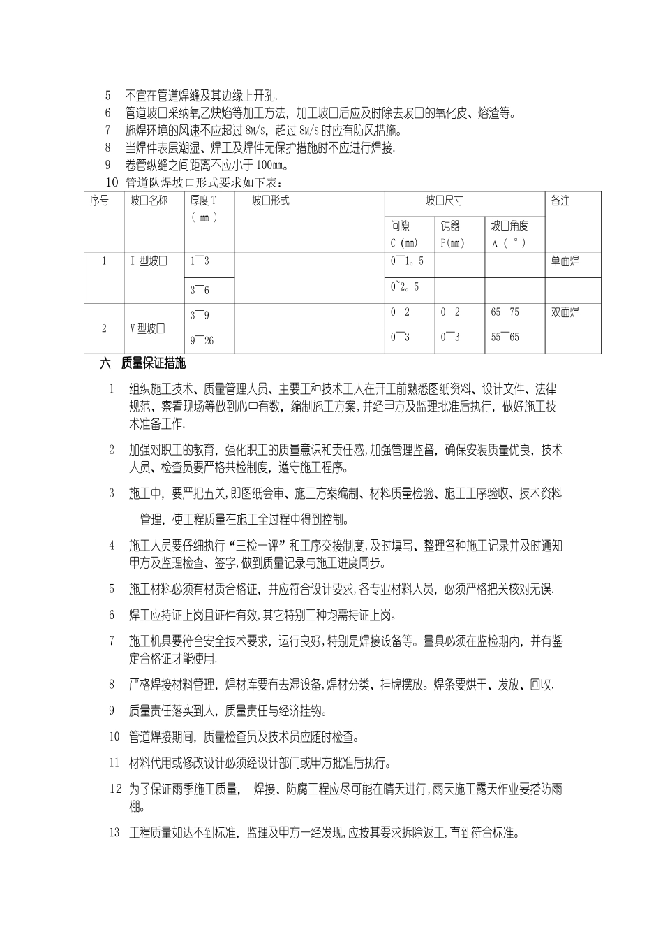
目 录 一 工程概况二 编制依据三 施工准备四 施工程序及部署五 施工技术要求六 质量保证措施 七 施工进度计划一、工程概况:本工程为 XXXXX 限公司年产 2000 吨青霉素工业钾盐工程循环冷却水车间工艺管道安装工程。该工程有管道约 170 米,最大管径 DN1400,最小管径 DN100,有阀门 41 个、弯头 20 个、三通 24个、法兰 235 个。循环冷却水车间共两层,主要管道在-1.2 米处.该车间工艺管道属低压管道,安装时要做好各工种之间的协调工作.二、编制依据:1 循环冷却水车间给水排水设计施工图及相关说明2 《工业金属管道工程施工及验收法律规范》(GB50235-97)3 《工业金属管道工程质量检验评定标准》(GB50184-93)4 《现场设备、工业管道焊接工程施工及验收法律规范》(GB50236—98)三、施工准备:1组织专业技术人员进行图纸会审,并做好会审记录。2组织施工人员熟悉施工图、学习法律规范、作技术交底,察看施工现场,全面了解现场情况做到心中有数.3准备好施工记录表格和质量检查表格.4施工现场具备“三通”、“一平”即通水、通电、场地平整等施5设备安装完毕,并且精平完。6施 工 人 员 、 机 具 等 进 入 现 场 , 用 电 设 备 一 定 要 做 好 防 漏 电 准 备 , 有 关 量 具 要经校验并合格。7施工主要材料、辅助材料进入施工现场,并具有出场合格证。8各批类阀门要进行百分之十抽查,并进行现场试漏。9管道安装前与管道有关的土建工程检验合格并满足安装要求,与管道连接的设备要找正合格且固定完毕。管道、管件、阀门内部要清理洁净,用于管道安装的预埋件、预留孔要满足安装要求。10 施工主材要堆放整齐,不同材质的管道要分开放置,如露天存放要做好防雨措施。要严格材料管理制度、设专人管理并限额领料。四、施工程序及部署:1 施工程序施工准备 →→ 管道及支架预制→→→管线铺设安装→→管道系统试压材料检验 →→管道防腐 →→↑↓ 实物交接←←单位工程验收←←管线水洗吹扫←←单体试车←←焊口防腐2管道的安装本着先大后小先上后下的原则组织施工。3施工工期短、交叉作业多,要求技术人员与班组长之间多沟通多协调,确保施工质量及安全。五、施工技术要求:(一) 安装要求 1 管道施工前必须持图纸与现场核对,发现问题及时提出及时解决。 2预制完毕的管段应将内部清理洁净并及时封闭管口。3各种类型的阀门应从每批中抽查 10%且不少于 1 个,进行壳体压力试...

1、当您付费下载文档后,您只拥有了使用权限,并不意味着购买了版权,文档只能用于自身使用,不得用于其他商业用途(如 [转卖]进行直接盈利或[编辑后售卖]进行间接盈利)。
2、本站所有内容均由合作方或网友上传,本站不对文档的完整性、权威性及其观点立场正确性做任何保证或承诺!文档内容仅供研究参考,付费前请自行鉴别。
3、如文档内容存在违规,或者侵犯商业秘密、侵犯著作权等,请点击“违规举报”。

碎片内容

循环水技术方案

雏圣文化+ 关注
实名认证
内容提供者

欢迎光临,大量办公文档供您挑选。

确认删除?
VIP
微信客服
  • 扫码咨询
会员Q群
  • 会员专属群点击这里加入QQ群
客服邮箱
回到顶部