电脑桌面
添加小米粒文库到电脑桌面
安装后可以在桌面快捷访问

循环水阻垢缓蚀剂技术协议

循环水阻垢缓蚀剂技术协议_第1页
1/5
循环水阻垢缓蚀剂技术协议_第2页
2/5
循环水阻垢缓蚀剂技术协议_第3页
3/5
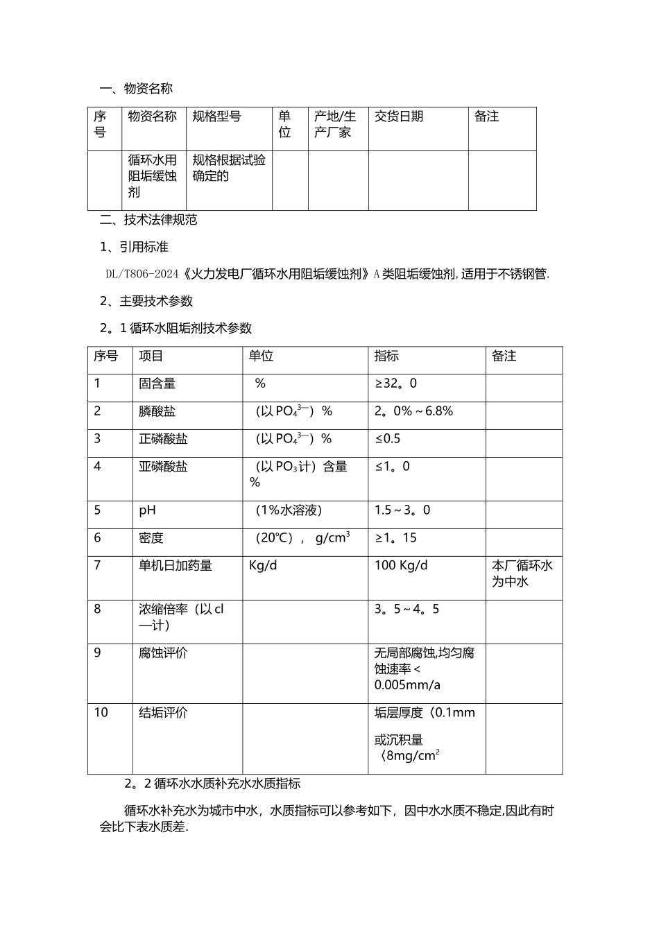
中国国电集团国电泰安2×350MW 热电有限公司循环水阻垢缓蚀剂技术协议编号:GDTA—YXYJ-2024—买 方:国电泰安热电有限公司卖 方:欣格瑞(山东)环境科技有限公司2024 年 12 月一、物资名称序号物资名称规格型号单位产地/生产厂家交货日期备注循环水用阻垢缓蚀剂规格根据试验确定的二、技术法律规范1、引用标准DL/T806-2024《火力发电厂循环水用阻垢缓蚀剂》A 类阻垢缓蚀剂,适用于不锈钢管.2、主要技术参数2。1 循环水阻垢剂技术参数序号项目单位指标备注1固含量% ≥32。02膦酸盐(以 PO43—)%2。0%~6.8%3正磷酸盐(以 PO43—)%≤0.54亚磷酸盐 (以 PO3计)含量 %≤1。05pH(1%水溶液)1.5~3。06密度(20℃), g/cm3≥1。157单机日加药量Kg/d100 Kg/d本厂循环水为中水8浓缩倍率(以 cl—计)3。5~4。59腐蚀评价无局部腐蚀,均匀腐蚀速率<0.005mm/a10结垢评价垢层厚度〈0.1mm或沉积量〈8mg/cm22。2 循环水水质补充水水质指标循环水补充水为城市中水,水质指标可以参考如下,因中水水质不稳定,因此有时会比下表水质差.序号项目单位水质控制指标备注1.pH 值(25℃)—7。0-8.52.悬浮物mg/L≤103.浊度NTU≤54.生化需氧量(BOD5)mg/L≤55.化学需氧量(CODcr)mg/L≤306.铁mg/L≤0.57.锰mg/L≤0.28.CL—mg/L≤2509.钙硬度(以 CaCO3 计)mg/L≤25010.甲基橙碱度(以 CaCO3计)mg/L≤20011.NH3-Nmg/L≤512.总磷(以 P 计)mg/L≤113.游离氯mg/L末端 0.1—0.214.石油类mg/L≤515.细菌总数个/mL<10003、技术及服务要求3。1 供方免费提供技术服务,提供药剂合格证、产品检验报告单。所提供药剂不得造成环境污染,循环水排污水若直接外排能够满足环保部门要求。3。2 供方现场供货所有人员必须遵守最终用户有关管理、安全等方面规定.3。3 最终用户使用供方提供的药品,根据供方提供的循环水参数进行日常控制,供方应保证循环水系统腐蚀结垢量符合《中国国电集团公司化学技术监督实施细则》中对采纳不锈钢管的凝汽器要求的一类标准。3.4 供方应无偿的每月对循环水及循环水补水进行水质的对循环水系统有影响的指标如硬度、碱度、pH 值、氯离子、总溶解固体、悬浮物、浊度等指标进行分析(并提交最终用户水质报告,若水质波动较小依原有加药方案进行投加,供方必要时(如水质波动较大)根据水质报告做循环水模拟试验为最终用户提供循环水加药方案,最终用户根据提供方案及时调整控制参数,但控制方案不得违反 2.1 主要技术参...

1、当您付费下载文档后,您只拥有了使用权限,并不意味着购买了版权,文档只能用于自身使用,不得用于其他商业用途(如 [转卖]进行直接盈利或[编辑后售卖]进行间接盈利)。
2、本站所有内容均由合作方或网友上传,本站不对文档的完整性、权威性及其观点立场正确性做任何保证或承诺!文档内容仅供研究参考,付费前请自行鉴别。
3、如文档内容存在违规,或者侵犯商业秘密、侵犯著作权等,请点击“违规举报”。

碎片内容

循环水阻垢缓蚀剂技术协议

您可能关注的文档

确认删除?
VIP
微信客服
  • 扫码咨询
会员Q群
  • 会员专属群点击这里加入QQ群
客服邮箱
回到顶部