电脑桌面
添加小米粒文库到电脑桌面
安装后可以在桌面快捷访问

排水工程评估报告.

排水工程评估报告._第1页
1/8
排水工程评估报告._第2页
2/8
排水工程评估报告._第3页
3/8
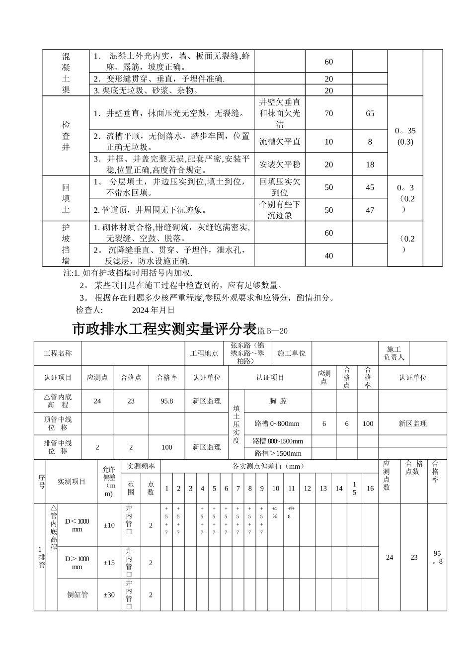
附录:03单位工程质量评估报告 工程名称: 单位工程: 设计单位: 施工单位: 建设单位: 监理单位: 日 期:市政排水工程质量评估报告一、工程概况及特点1。单位工程名称:排水工程2。工程地点:3。计划工期 4.建设单位:5。设计单位: 6.施工单位:7.单位工程概况:二、 监理工作依据1。已经批准的监理规划2。建设部《工程建设标准强制性条文》(城市建设部分)3。上海市《工程建设地方标准强制性条文》4。本工程的设计文件(设计图纸、设计变更图纸、设计交底和图纸会审纪要)5。《中华人民共和国建筑法》6。建设部《建设工程质量管理办法》(建设部【1993】29 号)7。《建设工程质量管理条例》(国务院 279 号令)8。《建设工程安全生产管理条例》(国务院 393 号令)9.《上海市建设工程管理条例暂行办法》(上海市政府第 20 号令)10。《建设工程监理法律规范》(GB50319-2000)11。 《上海市市政排水管道工程施工及验收规程》DBJ08—220—9612。上海市工程建设法律规范《市政道路、排水管道成品与半成品施工及验收规程》(DGJ08-87—2000)13。《给水排水管道工程施工及验收法律规范》GB50268—202414。《建筑施工安全检查标准》(JGJ59-99)15.上海市市政工程质量保证资料表式汇编及业主规定的有关表式16.《关于实行工程竣工验收备案的通知》沪建设(2000)0870 号17。国家、上海市颁布的有关设计和施工技术法律规范、规程、规定、条例的最新版本18。业主和承包商签订的施工承包合同或协议19。业主和监理单位签订的委托监理合同20.业主提供的地质报告及其他技术基础资料等21.已经批准的施工组织设计三、施工质量管理情况:本工程建立了全面的质量管理网络体系,定期开展质量活动,制定了工程质量控制制度和保证工程质量的技术措施,严格仔细执行工程质量验收规程,隐蔽工程报检验收,各道工序经监理验收合格后,才进入下道工序施工,工程处于受控状态,保证工程质量.四、施工质量监控情况:对临时水准点、工程基准线和工程控制点施工单位自查的基础上进行复测,每道施工工序经报检后进行监理复查,在检查符合施工及验收法律规范基础上进行下道工序施工,该工程各项合格率均达到 90%以上,各道工序外观质量符合法律规范要求,质量保证资料齐全,内外业同步.五、原材料、成品、半成品进场质量监控情况:本工程所使用的原材料、成品、半成品均附有质保单,进入现场经外观检查,抽样复测合格后,方准使用,保证工程材料质量要求。市政排水...

1、当您付费下载文档后,您只拥有了使用权限,并不意味着购买了版权,文档只能用于自身使用,不得用于其他商业用途(如 [转卖]进行直接盈利或[编辑后售卖]进行间接盈利)。
2、本站所有内容均由合作方或网友上传,本站不对文档的完整性、权威性及其观点立场正确性做任何保证或承诺!文档内容仅供研究参考,付费前请自行鉴别。
3、如文档内容存在违规,或者侵犯商业秘密、侵犯著作权等,请点击“违规举报”。

碎片内容

排水工程评估报告.

确认删除?
VIP
微信客服
  • 扫码咨询
会员Q群
  • 会员专属群点击这里加入QQ群
客服邮箱
回到顶部