电脑桌面
添加小米粒文库到电脑桌面
安装后可以在桌面快捷访问

排水沟盖板检表及记录表

排水沟盖板检表及记录表_第1页
1/9
排水沟盖板检表及记录表_第2页
2/9
排水沟盖板检表及记录表_第3页
3/9
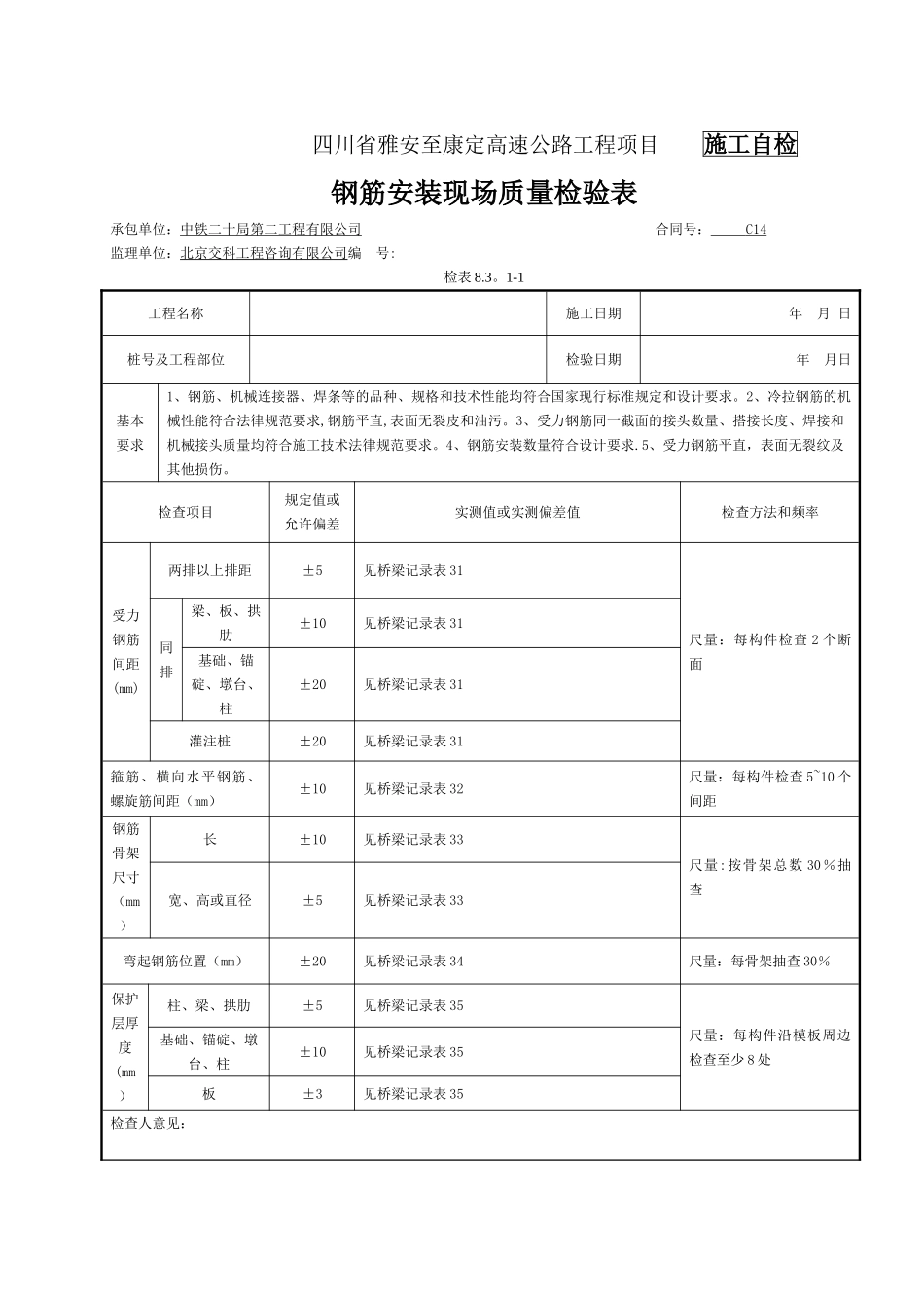
四川省雅安至康定高速公路工程项目 施工自检钢筋安装现场质量检验表承包单位:中铁二十局第二工程有限公司 合同号: C14 监理单位:北京交科工程咨询有限公司编 号:检表 8.3。1-1工程名称施工日期 年 月 日桩号及工程部位检验日期 年 月日基本要求1、钢筋、机械连接器、焊条等的品种、规格和技术性能均符合国家现行标准规定和设计要求。2、冷拉钢筋的机械性能符合法律规范要求,钢筋平直,表面无裂皮和油污。3、受力钢筋同一截面的接头数量、搭接长度、焊接和机械接头质量均符合施工技术法律规范要求。4、钢筋安装数量符合设计要求.5、受力钢筋平直,表面无裂纹及其他损伤。检查项目规定值或允许偏差实测值或实测偏差值检查方法和频率受力钢筋间距 (mm)两排以上排距±5见桥梁记录表 31尺量:每构件检查 2 个断面同排梁、板、拱肋±10见桥梁记录表 31基础、锚碇、墩台、柱±20见桥梁记录表 31灌注桩±20见桥梁记录表 31箍筋、横向水平钢筋、螺旋筋间距(mm)±10见桥梁记录表 32尺量:每构件检查 5~10 个间距钢筋骨架尺寸(mm)长±10见桥梁记录表 33尺量:按骨架总数 30%抽查宽、高或直径±5见桥梁记录表 33弯起钢筋位置(mm)±20见桥梁记录表 34尺量:每骨架抽查 30%保护层厚度(mm)柱、梁、拱肋±5见桥梁记录表 35尺量:每构件沿模板周边检查至少 8 处基础、锚碇、墩台、柱±10见桥梁记录表 35板±3见桥梁记录表 35检查人意见:质检负责人意见:四川省雅安至康定高速公路工程项目钢筋加工分项工程关键工序交验单承包单位:中铁二十局第二工程有限公司 合同号: C14 监理单位:北京交科工程咨询有限公司编 号:监表:46工程名称施工日期 年 月 日桩号及工程部位检验日期 年 月 日检 查 项 目规定值或允许偏差实测值或实测偏差值检查方法及频率附件:1、 工序检测记录或报告;2、 图像资料 ;3、 其他相关资料。质检负责人意见:签字: 日期: 年 月 日现场监理意见:签字: 日期: 年 月 日专业监理意见:签字: 日期: 年 月 日 四川省雅安至康定高速公路工程项目 施工自检模板、支架及拱架安装检查记录表承包单位:中铁二十局第二工程有限公司 合同号: C14监理单位:北京交科工程咨询有限公司编 号: 记录表 11工程名称工程部位检查日期 年 月 日检查项目规定值或允许偏差实测值或实测偏差值1模板高程(mm)基础±15柱、墙和梁±10墩台±102模板内部尺寸(mm)上部构造的所有...

1、当您付费下载文档后,您只拥有了使用权限,并不意味着购买了版权,文档只能用于自身使用,不得用于其他商业用途(如 [转卖]进行直接盈利或[编辑后售卖]进行间接盈利)。
2、本站所有内容均由合作方或网友上传,本站不对文档的完整性、权威性及其观点立场正确性做任何保证或承诺!文档内容仅供研究参考,付费前请自行鉴别。
3、如文档内容存在违规,或者侵犯商业秘密、侵犯著作权等,请点击“违规举报”。

碎片内容

排水沟盖板检表及记录表

确认删除?
VIP
微信客服
  • 扫码咨询
会员Q群
  • 会员专属群点击这里加入QQ群
客服邮箱
回到顶部