电脑桌面
添加小米粒文库到电脑桌面
安装后可以在桌面快捷访问

摄像机监控距离对照表

摄像机监控距离对照表_第1页
1/4
摄像机监控距离对照表_第2页
2/4
摄像机监控距离对照表_第3页
3/4
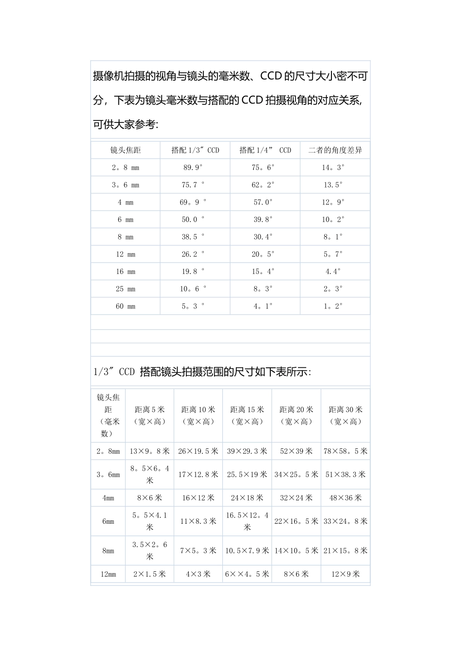
摄像机拍摄的视角与镜头的毫米数、CCD 的尺寸大小密不可分,下表为镜头毫米数与搭配的 CCD 拍摄视角的对应关系,可供大家参考:镜头焦距搭配 1/3" CCD搭配 1/4” CCD二者的角度差异2。8 mm89.9°75。6°14。3°3。6 mm75.7 °62。2°13.5°4 mm69。9 °57.0°12。9°6 mm50.0 °39.8°10。2°8 mm38.5 °30.4°8。1°12 mm26.2 °20。5°5。7°16 mm19.8 °15。4°4.4°25 mm10。6 °8。3°2。3°60 mm5。3 °4。1°1。2°1/3" CCD 搭配镜头拍摄范围的尺寸如下表所示:镜头焦距(毫米数)距离 5 米(宽×高)距离 10 米(宽×高)距离 15 米(宽×高)距离 20 米(宽×高)距离 30 米(宽×高)2。8mm13×9。8 米26×19.5 米39×29.3 米52×39 米78×58。5 米3。6mm8。5×6。4米17×12.8 米25.5×19 米34×25。5 米51×38.3 米4mm8×6 米16×12 米24×18 米32×24 米48×36 米6mm5。5×4.1米11×8.3 米16.5×12。4米22×16。5 米 33×24。8 米8mm3.5×2。6米7×5。3 米10.5×7.9 米 14×10。5 米 21×15。8 米12mm2×1.5 米4×3 米6××4。5 米8×6 米12×9 米16mm1。5×1。1米3×2。3 米4。5×3。4米6×4。5 米9×6。8 米25mm1.3×1 米2。5×1.9米3.8×2。9 米5×3.8 米7.5×5。6 米60mm0。5×0。4米1×0。75 米1。5×1。1米2×1。5 米3×2。3 米备注:同样毫米数的镜头搭配 1/4"的 CCD 芯片拍摄的范围和角度略微窄一点,但是拍摄画面中的物体看起来要大一点.表中的数据为水平方向的视场角度,假如摄像机装在高处往低处监看时,视场角和拍摄范围要略微大一些,但拍摄画面中的物体要略微小一点 一、 高速球综述 高速球是一种智能化摄像机前端,全名叫高速智能化球型摄像机,或者一体化高速球智能球,或者简称快球,简称高速球。高速球是监控系统最复杂和综合表现效果最好的摄像机前端,制造复杂、价格昂贵,能够适应高密度、最复杂的监控场合。 二、 高速球的结构及原理 高速球是一种集成度相当高的产品,集成了云台系统、通讯系统、和摄像机系统,云台系统是指电机带动的旋转部分,通讯系统是指对电机的控制以及对图象和信号的处理部分,摄像机系统是指采纳的一体机机心。而几大系统之间,起着横向的连接的是一块主控核心cpu 和电源部分。电源部分通过与各大系统之间供电,很多地方是采纳的二极管、三极管等微电流供电,而核心 cpu 是实现所有功能正常运行的基础....

1、当您付费下载文档后,您只拥有了使用权限,并不意味着购买了版权,文档只能用于自身使用,不得用于其他商业用途(如 [转卖]进行直接盈利或[编辑后售卖]进行间接盈利)。
2、本站所有内容均由合作方或网友上传,本站不对文档的完整性、权威性及其观点立场正确性做任何保证或承诺!文档内容仅供研究参考,付费前请自行鉴别。
3、如文档内容存在违规,或者侵犯商业秘密、侵犯著作权等,请点击“违规举报”。

碎片内容

摄像机监控距离对照表

您可能关注的文档

确认删除?
VIP
微信客服
  • 扫码咨询
会员Q群
  • 会员专属群点击这里加入QQ群
客服邮箱
回到顶部