电脑桌面
添加小米粒文库到电脑桌面
安装后可以在桌面快捷访问

整理绿化用地检验批质量验收记录表

整理绿化用地检验批质量验收记录表_第1页
1/33
整理绿化用地检验批质量验收记录表_第2页
2/33
整理绿化用地检验批质量验收记录表_第3页
3/33
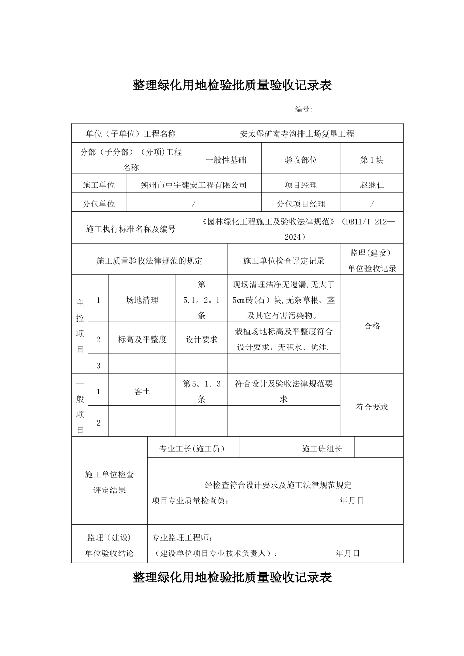
整理绿化用地检验批质量验收记录表编号:整理绿化用地检验批质量验收记录表单位(子单位)工程名称安太堡矿南寺沟排土场复垦工程分部(子分部)(分项)工程名称一般性基础验收部位第 1 块施工单位朔州市中宇建安工程有限公司项目经理赵继仁分包单位/分包项目经理/施工执行标准名称及编号《园林绿化工程施工及验收法律规范》(DB11/T 212—2024)施工质量验收法律规范的规定施工单位检查评定记录监理(建设)单位验收记录主控项目1场地清理第5.1。2。1条现场清理洁净无遗漏,无大于5㎝砖(石)块,无杂草根、茎及其它有害污染物。合格2标高及平整度设计要求栽植场地标高及平整度符合设计要求,无积水、坑洼.3一般项目1客土第 5。1。3条符合设计及验收法律规范要求符合要求2施工单位检查评定结果专业工长(施工员) 施工班组长经检查符合设计要求及施工法律规范规定项目专业质量检查员: 年月日监理(建设)单位验收结论专业监理工程师:(建设单位项目专业技术负责人): 年月日编号:整理绿化用地检验批质量验收记录表编号:单位(子单位)工程名称安太堡矿南寺沟排土场复垦工程分部(子分部)(分项)工程名称一般性基础验收部位第 2 块施工单位朔州市中宇建安工程有限公司项目经理赵继仁分包单位/分包项目经理/施工执行标准名称及编号《园林绿化工程施工及验收法律规范》(DB11/T 212—2024)施工质量验收法律规范的规定施工单位检查评定记录监理(建设)单位验收记录主控项目1场地清理第 5.1.2。1条现场清理洁净无遗漏,无大于 5㎝砖(石)块,无杂草根、茎及其它有害污染物。合格2标高及平整度设计要求栽植场地标高及平整度符合设计要求,无积水、坑洼。3一般项目1客土第 5.1.3 条符合设计及验收法律规范要求符合要求2施工单位检查评定结果专业工长(施工员) 施工班组长经检查符合设计要求及施工法律规范规定项目专业质量检查员: 年月日监理(建设)单位验收结论专业监理工程师:(建设单位项目专业技术负责人): 年月日整理绿化用地检验批质量验收记录表编号:单位(子单位)工程名称安太堡矿南寺沟排土场复垦工程分部(子分部)(分项)工程名称一般性基础验收部位第 3 块施工单位朔州市中宇建安工程有限公司项目经理赵继仁分包单位/分包项目经理/施工执行标准名称及编号《园林绿化工程施工及验收法律规范》(DB11/T 212—2024)施工质量验收法律规范的规定施工单位检查评定记录监理(建设)单位验收记录主控项目1场地清理第5。1。2.1条...

1、当您付费下载文档后,您只拥有了使用权限,并不意味着购买了版权,文档只能用于自身使用,不得用于其他商业用途(如 [转卖]进行直接盈利或[编辑后售卖]进行间接盈利)。
2、本站所有内容均由合作方或网友上传,本站不对文档的完整性、权威性及其观点立场正确性做任何保证或承诺!文档内容仅供研究参考,付费前请自行鉴别。
3、如文档内容存在违规,或者侵犯商业秘密、侵犯著作权等,请点击“违规举报”。

碎片内容

整理绿化用地检验批质量验收记录表

您可能关注的文档

确认删除?
VIP
微信客服
  • 扫码咨询
会员Q群
  • 会员专属群点击这里加入QQ群
客服邮箱
回到顶部