电脑桌面
添加小米粒文库到电脑桌面
安装后可以在桌面快捷访问

施工临时用电自查自纠

施工临时用电自查自纠_第1页
1/2
施工临时用电自查自纠_第2页
2/2
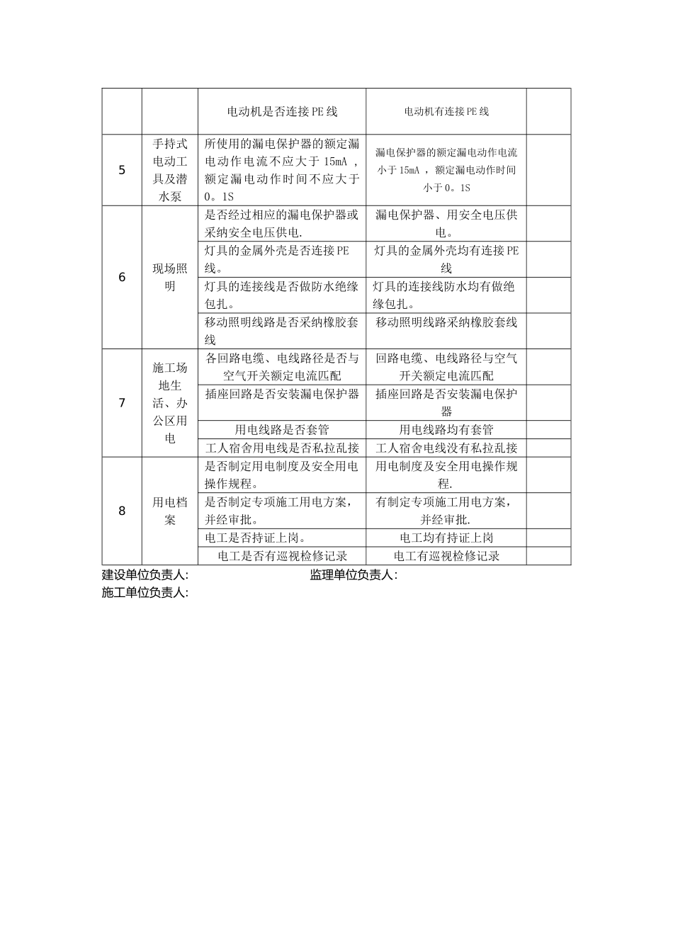
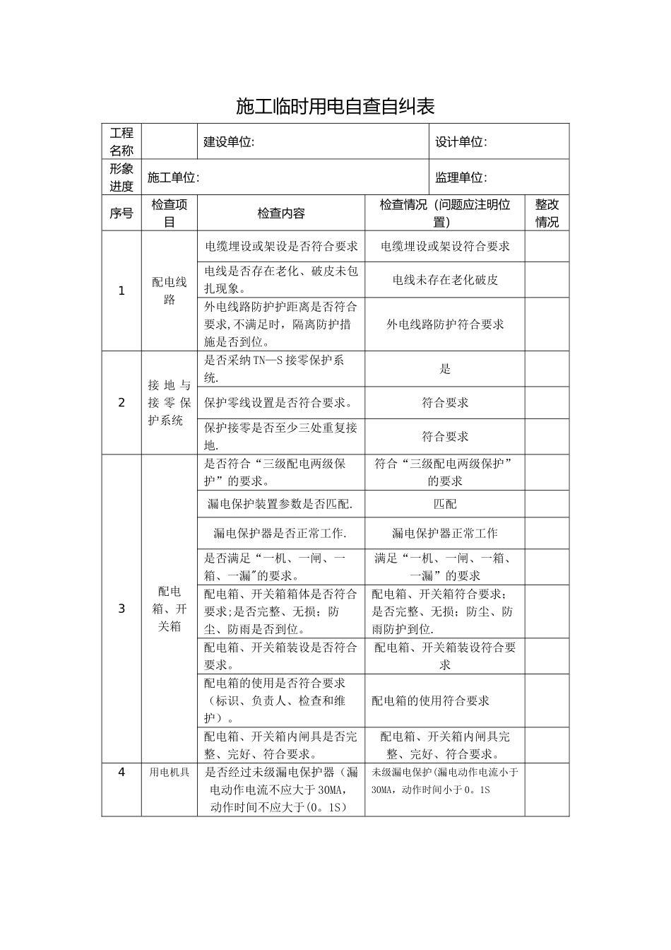
施工临时用电自查自纠表工程名称建设单位:设计单位:形象进度施工单位:监理单位:序号检查项目检查内容检查情况(问题应注明位置)整改情况1配电线路电缆埋设或架设是否符合要求电缆埋设或架设符合要求电线是否存在老化、破皮未包扎现象。电线未存在老化破皮外电线路防护护距离是否符合要求,不满足时,隔离防护措施是否到位。外电线路防护符合要求2接 地 与接 零 保护系统是否采纳 TN—S 接零保护系统.是保护零线设置是否符合要求。符合要求保护接零是否至少三处重复接地.符合要求3配电箱、开关箱是否符合“三级配电两级保护”的要求。符合“三级配电两级保护”的要求漏电保护装置参数是否匹配.匹配漏电保护器是否正常工作.漏电保护器正常工作是否满足“一机、一闸、一箱、一漏"的要求。满足“一机、一闸、一箱、一漏”的要求配电箱、开关箱箱体是否符合要求;是否完整、无损;防尘、防雨是否到位。配电箱、开关箱符合要求;是否完整、无损;防尘、防雨防护到位.配电箱、开关箱装设是否符合要求。配电箱、开关箱装设符合要求配电箱的使用是否符合要求(标识、负责人、检查和维护)。配电箱的使用符合要求配电箱、开关箱内闸具是否完整、完好、符合要求。配电箱、开关箱内闸具完整、完好、符合要求。4用电机具是否经过未级漏电保护器(漏电动作电流不应大于 30MA,动作时间不应大于(0。1S)未级漏电保护(漏电动作电流小于30MA,动作时间小于 0。1S电动机是否连接 PE 线电动机有连接 PE 线5手持式电动工具及潜水泵所使用的漏电保护器的额定漏电动作电流不应大于 15mA ,额定漏电动作时间不应大于0。1S漏电保护器的额定漏电动作电流小于 15mA ,额定漏电动作时间小于 0。1S6现场照明是否经过相应的漏电保护器或采纳安全电压供电.漏电保护器、用安全电压供电。灯具的金属外壳是否连接 PE线。灯具的金属外壳均有连接 PE线灯具的连接线是否做防水绝缘包扎。灯具的连接线防水均有做绝缘包扎。移动照明线路是否采纳橡胶套线移动照明线路采纳橡胶套线7施工场地生活、办公区用电各回路电缆、电线路径是否与空气开关额定电流匹配回路电缆、电线路径与空气开关额定电流匹配插座回路是否安装漏电保护器插座回路是否安装漏电保护器用电线路是否套管用电线路均有套管工人宿舍用电线是否私拉乱接工人宿舍电线没有私拉乱接8用电档案是否制定用电制度及安全用电操作规程。用电制度及安全用电操作规程.是否制定专项施工用电方案,并经审批。有制定专...

1、当您付费下载文档后,您只拥有了使用权限,并不意味着购买了版权,文档只能用于自身使用,不得用于其他商业用途(如 [转卖]进行直接盈利或[编辑后售卖]进行间接盈利)。
2、本站所有内容均由合作方或网友上传,本站不对文档的完整性、权威性及其观点立场正确性做任何保证或承诺!文档内容仅供研究参考,付费前请自行鉴别。
3、如文档内容存在违规,或者侵犯商业秘密、侵犯著作权等,请点击“违规举报”。

碎片内容

施工临时用电自查自纠

您可能关注的文档

确认删除?
VIP
微信客服
  • 扫码咨询
会员Q群
  • 会员专属群点击这里加入QQ群
客服邮箱
回到顶部