电脑桌面
添加小米粒文库到电脑桌面
安装后可以在桌面快捷访问

施工测量放线报验表

施工测量放线报验表_第1页
1/7
施工测量放线报验表_第2页
2/7
施工测量放线报验表_第3页
3/7
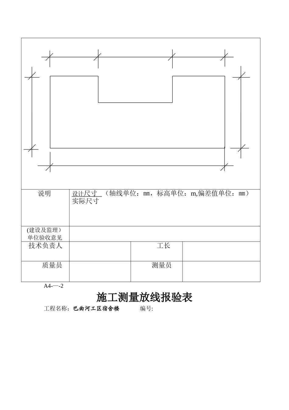
A4———2施工测量放线报验表工程名称:巴曲河工区宿舍楼 编号:致:青海省交通工程监理处囊多段监理办(监理单位) 根据合同约定,我方已完成(部位)1 ~ 12/A ~ D 轴 (内容)基础 。标高 的测量放线,经自检合格,请予查验. 附:放线以施工图纸为依据放线成果表 1 页 轴线、标高复核记录测量员(签名) 承包单位(章): 青海四建建筑工程有限责任公司 验线人(签名) 项目经理: 日期:查验结果:查验结论: 合格 纠错后重报监理工程师(签字):日期: 年 月 日本表一式二份,由承包单位填写,经监理审批后。承包、监理单位各存一份轴线标高复核记录工程名称巴曲河工区宿舍楼施工部位1~12/A~D 轴—2.10m施工图编号结施 日 期说明设计尺寸 (轴线单位:㎜,标高单位:m,偏差值单位:㎜)实际尺寸 (建设及监理)单位验收意见技术负责人工长质量员测量员A4-—-2施工测量放线报验表工程名称:巴曲河工区宿舍楼 编号:致: 青海省交通工程监理处囊多段监理办 (监理单位) 根据合同约定,我方已完成(部位)1~12/A ~ D 轴 (内容)+ 0.000m 轴线。标 高的测量放线,经自检合格,请予查验。 附:放线以施工图纸为依据放线成果表 1 页 轴线、标高复核记录测量员(签名) 承包单位(章):青海四建建筑工程有限责任公司验线人(签名) 项目经理: 日期:查验结果:查验结论: 合格 纠错后重报监理工程师(签字):日期: 年 月 日本表一式二份,由承包单位填写,经监理审批后.承包、监理单位各存一份A4--—2施工测量放线报验表工程名称:巴曲河工区宿舍楼 编号:致:青海省交通工程监理处囊多段监理办(监理单位) 根据合同约定,我方已完成(部位)1 ~ 12/A ~ D 轴 (内容)+3 。 30m 轴线。标高 的测量放线,经自检合格,请予查验。 附:放线以施工图纸为依据放线成果表 1 页 轴线、标高复核记录测量员(签名) 承包单位(章): 青海四建建筑工程有限责任公司验线人(签名) 项目经理: 日期:查验结果:查验结论: 合格 纠错后重报监理工程师(签字):日期: 年 月 日本表一式二份,由承包单位填写,经监理审批后。承包、监理单位各存一份A4—--2施工测量放线报验表工程名称:巴曲河工区宿舍楼 编号:致:青海省交通工程监理处囊多段监理办(监理单位) 根据合同约定,我方已完成(部位)1 ~ 12/A ~ C 轴 (内容)+6 。 60m 轴线。标高 的测量放线,经自检合格,请予查验。 附:放线...

1、当您付费下载文档后,您只拥有了使用权限,并不意味着购买了版权,文档只能用于自身使用,不得用于其他商业用途(如 [转卖]进行直接盈利或[编辑后售卖]进行间接盈利)。
2、本站所有内容均由合作方或网友上传,本站不对文档的完整性、权威性及其观点立场正确性做任何保证或承诺!文档内容仅供研究参考,付费前请自行鉴别。
3、如文档内容存在违规,或者侵犯商业秘密、侵犯著作权等,请点击“违规举报”。

碎片内容

施工测量放线报验表

您可能关注的文档

确认删除?
VIP
微信客服
  • 扫码咨询
会员Q群
  • 会员专属群点击这里加入QQ群
客服邮箱
回到顶部