电脑桌面
添加小米粒文库到电脑桌面
安装后可以在桌面快捷访问

施工现场定期安全检查记录表VIP专享

施工现场定期安全检查记录表_第1页
1/5
施工现场定期安全检查记录表_第2页
2/5
施工现场定期安全检查记录表_第3页
3/5
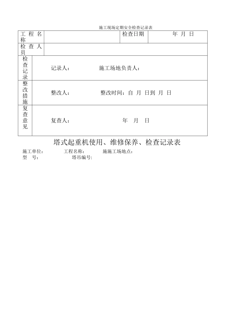
施工现场定期安全检查记录表 工 程 名称 检查日期 年 月 日 检 查 人员 检查记录 记录人: 施工场地负责人: 整 改措施 整改人: 整改时间:自 月 日到 月 日 复查意见 复查人: 年 月 日 塔式起重机使用、维修保养、检查记录表施工单位: 工程名称: 施施工场地点:型 号: 塔吊编号:日期维修保养记录1、固定基础或路基轨道符合规定要求 2、安全保护装置齐全灵敏有效3、各传动机构工作正常润滑良好无异常4、各制动器灵敏可靠,磨擦面无油污,间隙调整适当5、内爬式塔吊的提升架固定或固定式塔吊的固定符合要求6、通迅系统可靠7、电气控制系统工作正常8 主要连接部位螺栓,销子无松动退出现象,开口销无代作现象9、钢丝绳无严重磨损、断裂现象,固定符合规定要求10、吊钩和吊钩防脱爪符合要求11、起吊工具索具等符合安全技术要求运行记录(小时)机长签名机管员签名安全生产检查记录表 被检查单位检查组负责人检查组名称及参加人员:经检查存在如下隐患:改正措施:落实人签字: 年 月 日检查结论: 年 月 日安全生产事故、隐患、违章罚款单受罚单位(人员):惩罚原因处罚意见罚款金额(大写)罚 款 单 签发部门(章)年 月 日受 罚 单 位年 月 日收 款 单 位年 月 日 注:此通知单一式三份,盖章页交被检查单位,一联存根,二联存报。 安全检查隐患整改通知单工程名称:编号:序号存在问题123456789101112131415161718签收人(签字)年月日核查部门检查领导签字(签字):年月日

1、当您付费下载文档后,您只拥有了使用权限,并不意味着购买了版权,文档只能用于自身使用,不得用于其他商业用途(如 [转卖]进行直接盈利或[编辑后售卖]进行间接盈利)。
2、本站所有内容均由合作方或网友上传,本站不对文档的完整性、权威性及其观点立场正确性做任何保证或承诺!文档内容仅供研究参考,付费前请自行鉴别。
3、如文档内容存在违规,或者侵犯商业秘密、侵犯著作权等,请点击“违规举报”。

碎片内容

施工现场定期安全检查记录表

确认删除?
VIP
微信客服
  • 扫码咨询
会员Q群
  • 会员专属群点击这里加入QQ群
客服邮箱
回到顶部