电脑桌面
添加小米粒文库到电脑桌面
安装后可以在桌面快捷访问

无砟轨道工程施工方案

无砟轨道工程施工方案_第1页
1/54
无砟轨道工程施工方案_第2页
2/54
无砟轨道工程施工方案_第3页
3/54
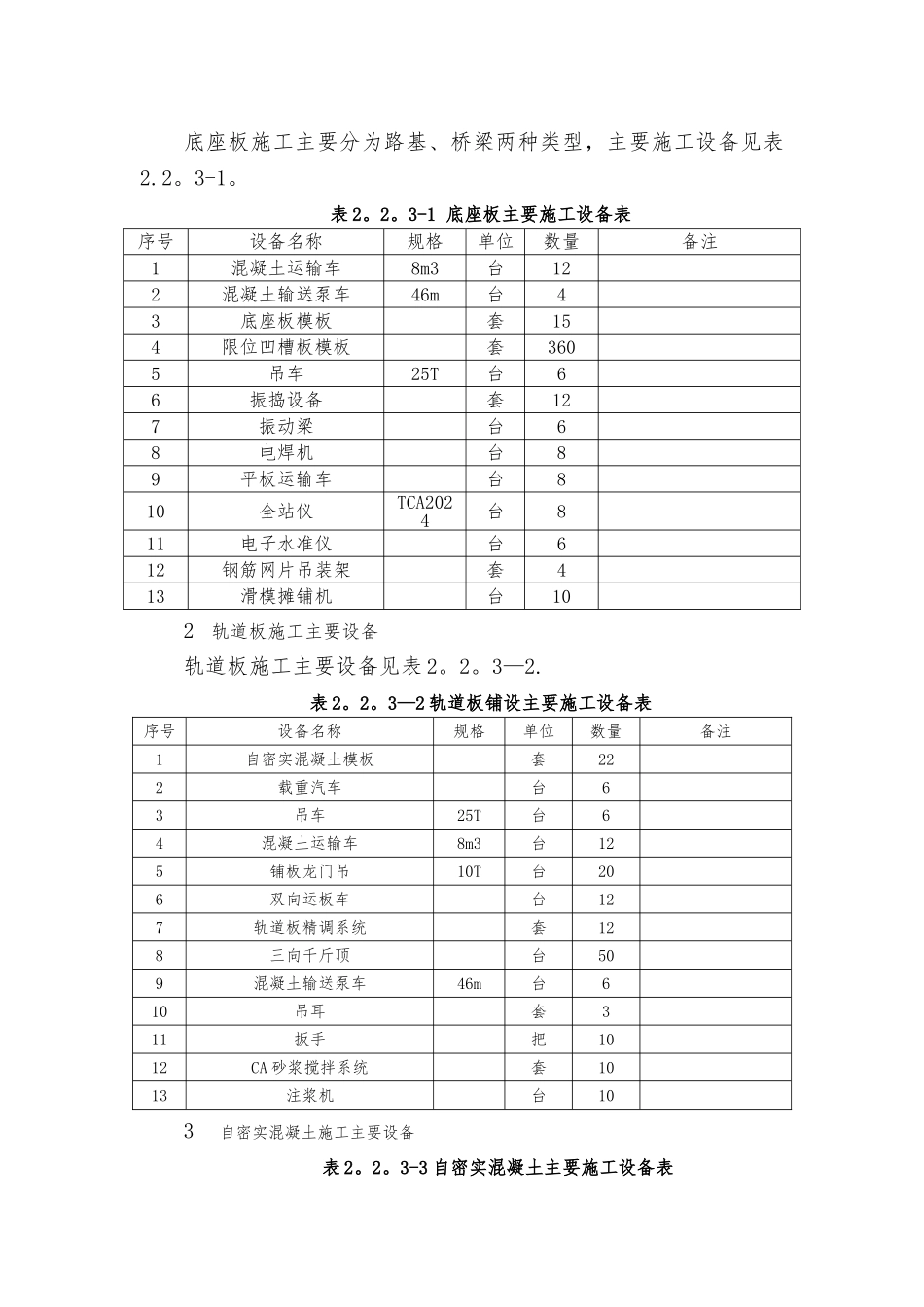
1.1.1 无砟轨道工程1.1.1.1 工程概况本标段全线无砟轨道铺轨公里 45。9917km,其中Ⅲ型板无砟轨道桥梁段铺轨公里 41.3985km,路基段铺轨公里 2。883km,轨枕埋入式无砟轨道铺轨公里 0。4868km,CRTSⅠ 型双块式无砟轨道铺轨公里 1。2234km,需铺设Ⅲ型板 28588 块。本标段无砟轨道工程施工主要为 CRTSⅢ 型板预制及铺设。1.1.1.2 总体施工方案本标段 CRTSⅢ 型板式无砟轨道共分为两段施工。首先,要进行混凝土底座及挡水台的现浇施工,混凝土采纳拌和站集中拌制,混凝土搅拌车运输,汽车泵泵送上桥,振捣密实。轨道板在预制厂预制后用平板卡车运输到本标段的集中存板场,再通过沿线的施工便道运输至铺设孔跨的桥下便道上,由铺板龙门吊或吊车吊装上桥进行粗铺.采纳 CRTSⅢ 型板精调系统完成轨道板精调作业.自密实混凝土采纳吊装灌注,采纳拌合站集中拌制,由吊车吊装上桥,利用灌注平台与料斗连接,进行连续灌注。无砟轨道施工应按预制规模化、工艺标准化、测量专业化的原则组织施工。无砟轨道板提前集中预制,本标段设置 CRTSⅢ 型板式无砟轨道板预制厂 1 处。砼枕、双块式轨枕外购.CRTSⅢ 型板预制板场由预制生产区、钢筋加工区、养护区、混凝土制备区、材料存放区、轨道板存放区、辅助生产区、办公生活区八部分组成,应根据现场地形,因地制宜,力求紧凑,满足板生产工艺和施工工期要求,做到工序衔接 合理,物流顺畅,生产规模适度预留余量.轨道板预制采纳并联式短线台座法生产,生产时间按 18h 计算,考虑检 修、保养等因素,台座占用时间约为 20~24h 计算,则单台座每工作日生产轨道板工效按 1。0~1。2 块计算,每月实际工作日按 25d 计,每台座每月 生产 25~30 块.无砟道床采纳双线相错同步施工,无砟轨道道床底座板采纳自密实钢筋混凝土,由拌和站集中拌合。混凝土采纳罐车输送至现场,吊车吊装上桥灌注。底座板混凝土施工主要包含混凝土的浇注、震捣、整平、收面、拉毛及养生等工序。轨道板由双向运板车运输至施工工点,铺板龙门吊或吊车吊装上桥进行粗铺,粗铺完毕后检查轨道板是否稳固,不能出现晃动.在轨道板粗铺就位后,使用精调支架、螺栓扳手配合轨道板测量系统完成对轨道板的精调定位.精调支架两端竖向和侧向用精调爪对轨道板进行微调。1.1.1.3 施工组织及工期安排1.1.1.3.1 施工组织根据施工组织总体安排,提前进行无碴道床施工前的各项准备工作,做好设备的组装和调试,对需要的进场材料做好施工前...

1、当您付费下载文档后,您只拥有了使用权限,并不意味着购买了版权,文档只能用于自身使用,不得用于其他商业用途(如 [转卖]进行直接盈利或[编辑后售卖]进行间接盈利)。
2、本站所有内容均由合作方或网友上传,本站不对文档的完整性、权威性及其观点立场正确性做任何保证或承诺!文档内容仅供研究参考,付费前请自行鉴别。
3、如文档内容存在违规,或者侵犯商业秘密、侵犯著作权等,请点击“违规举报”。

碎片内容

无砟轨道工程施工方案

元素商铺+ 关注
实名认证
内容提供者

欢迎挑选合适的文档

确认删除?
VIP
微信客服
  • 扫码咨询
会员Q群
  • 会员专属群点击这里加入QQ群
客服邮箱
回到顶部