电脑桌面
添加小米粒文库到电脑桌面
安装后可以在桌面快捷访问

2025年一级消防工程师电子表格及考点记忆归纳口诀

2025年一级消防工程师电子表格及考点记忆归纳口诀_第1页
1/18
2025年一级消防工程师电子表格及考点记忆归纳口诀_第2页
2/18
2025年一级消防工程师电子表格及考点记忆归纳口诀_第3页
3/18
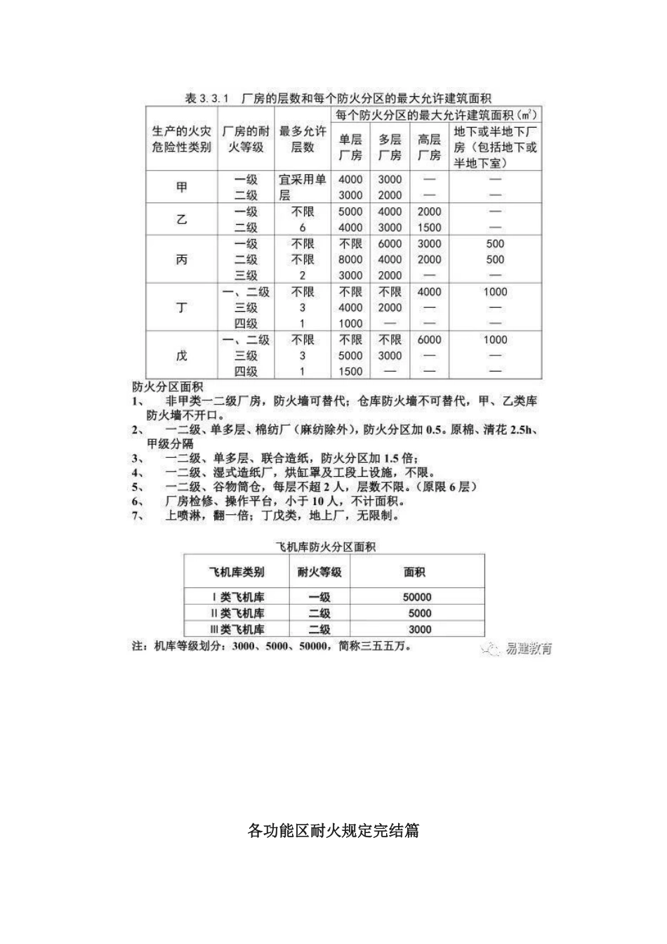
安全出口完结篇报警设置条件防火区面积完结篇各功能区耐火规定完结篇多种灭火剂机理完结篇多种灭火系统合用范围灭火器篇完结篇耐火等级完结篇一级消防记忆口诀,帮你迅速掌握知识点!1 二类高层哪些部位应设自动喷水灭火系统:二羔(高)防(房)盗(走道)使(办公室)底(自动扶梯底部)裤(可燃品库房)2 防火间距不够怎样协调两个建筑使其满足消防安全及生产生活规定?简(减少储量)单(砌防火墙)调(调整工艺)处(临帖面防火处理)改(功能)强拆(拆除)3 单位消防安全制度内容:教训巡检,疏(于)值班,防火防爆防易燃唯(维)患火电气雷电队伍有专兼没(灭)急眼(演习)评奖先4 人员汇集场所疏散消防安全总目的重要目的:保楼 ,保命,保财产,利救援次要目的:少生,少营,少污染,邻居免5 塔式高层建筑及疏散门至疏散楼梯距离 L<10m 可设剪刀楼梯间状况捡(剪刀楼梯)10 米烟蒂(梯)一(小时)分(不燃体墙分隔)钱(该楼梯间应分别设置前室)6 防火阀(含排烟防火阀)70°、180°为常开,280°干管常开支管常闭7 一推六二五:泡沫液强制送检:高倍数 1T 6%中倍数最小储量≥2.5T 低倍数 6%≥7 T3%≥3.5 T(今年考试概率低)8 人员汇集场所疏散重要目的:保楼 ,保命,保财产,利救援次要目的:少生,少营,少污染,邻居免9 塔式高层建筑及疏散门至疏散楼梯距离 L<10m 可设剪刀楼梯间状况捡(剪刀楼梯)10 米烟蒂(梯)一(小时)分(不燃体墙分隔)钱(该楼梯间应分别设置前室)10 排烟防火阀各层是常闭的--打开联动排烟风机启动,排烟风机处是常开的 280 度关闭--打开联动排烟风机关闭。口诀:干管管停不管启,支管管起不管停。各层排烟阀任意一种打开,联动排烟风机启动,只有安在排烟风机上的(总)排烟阀关闭,才联动排烟风机关闭。11 企业消防站,锅炉房,员工集体宿舍设置在全年最小风频率的下风侧(消防人甘拜下风)12 照度规定,一叔三层手术时,楼梯莫非(5)前室? LX13 乡消防(村寨)火灾隐患整改的首要和关键任务:水电灶寨。14 柴油发电机房燃油存储量≤8h 消防水泵备用泵采用柴油机作动力源时,柴油机的油料储备量≥6h15 高层与一二三四级建筑防火间距:13 9 6 9 6 1(1 )7 14 9 --8.12单多层之间 三级与三级(8) 四级与四级(12)三级与四级(10)助记:8.12 天津爆炸案16 灭火器的修,检,废:清水 1\3\6,干粉及洁净气体 2\5\10 CO212(报废)1/4(每个计...

1、当您付费下载文档后,您只拥有了使用权限,并不意味着购买了版权,文档只能用于自身使用,不得用于其他商业用途(如 [转卖]进行直接盈利或[编辑后售卖]进行间接盈利)。
2、本站所有内容均由合作方或网友上传,本站不对文档的完整性、权威性及其观点立场正确性做任何保证或承诺!文档内容仅供研究参考,付费前请自行鉴别。
3、如文档内容存在违规,或者侵犯商业秘密、侵犯著作权等,请点击“违规举报”。

碎片内容

2025年一级消防工程师电子表格及考点记忆归纳口诀

您可能关注的文档

确认删除?
VIP
微信客服
  • 扫码咨询
会员Q群
  • 会员专属群点击这里加入QQ群
客服邮箱
回到顶部