电脑桌面
添加小米粒文库到电脑桌面
安装后可以在桌面快捷访问

机械设备公司ERP编码规则方案书

机械设备公司ERP编码规则方案书_第1页
1/33
机械设备公司ERP编码规则方案书_第2页
2/33
机械设备公司ERP编码规则方案书_第3页
3/33
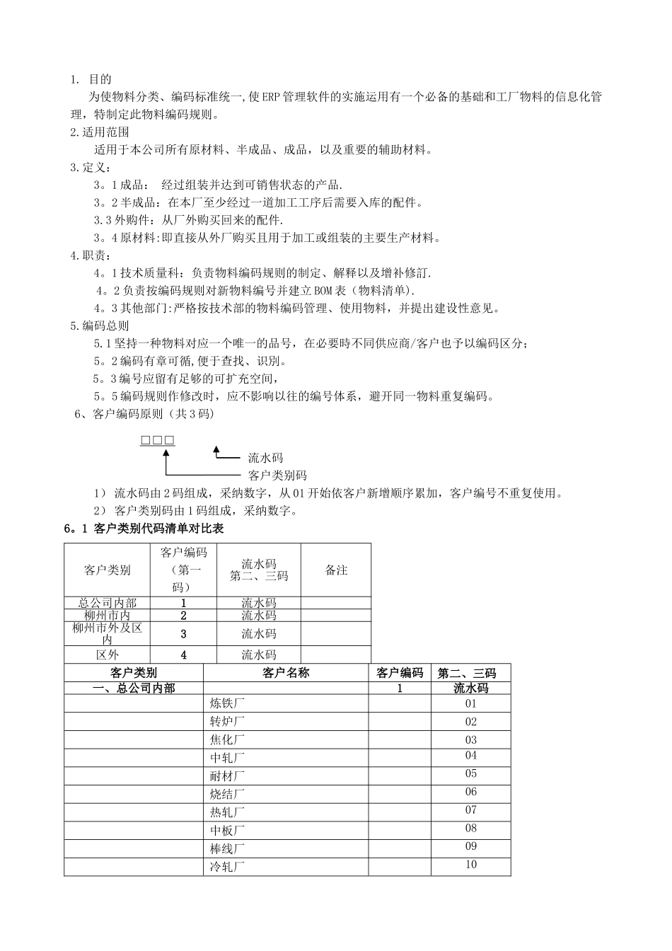
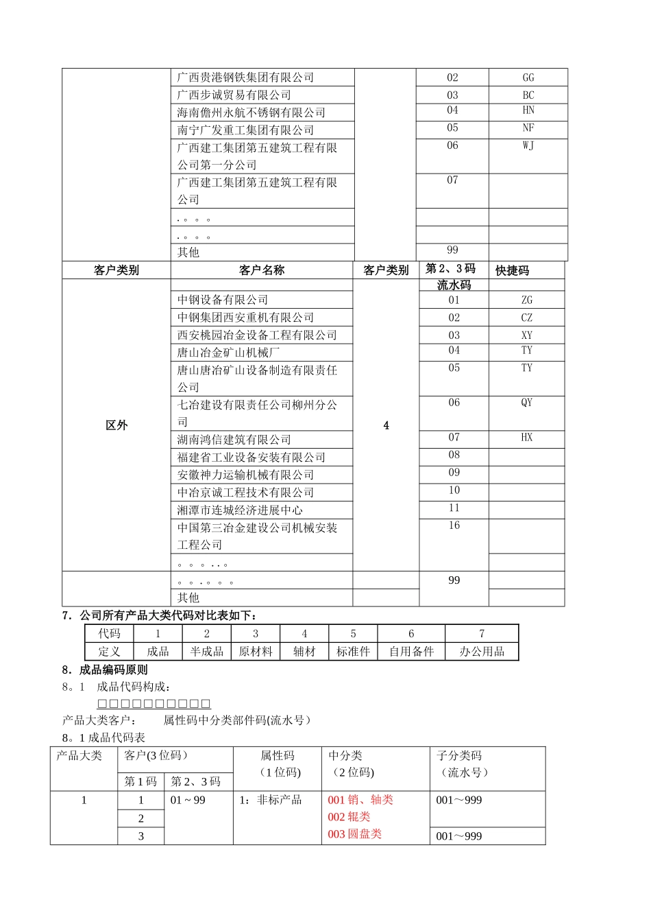
1. 目的 为使物料分类、编码标准统一,使 ERP 管理软件的实施运用有一个必备的基础和工厂物料的信息化管理,特制定此物料编码规则。2.适用范围 适用于本公司所有原材料、半成品、成品,以及重要的辅助材料。3.定义: 3。1 成品: 经过组装并达到可销售状态的产品.3。2 半成品:在本厂至少经过一道加工工序后需要入库的配件。 3.3 外购件:从厂外购买回来的配件.3。4 原材料:即直接从外厂购买且用于加工或组装的主要生产材料。4.职责: 4。1 技术质量科:负责物料编码规则的制定、解释以及增补修訂.4。2 负责按编码规则对新物料编号并建立 BOM 表(物料清单). 4。3 其他部门:严格按技术部的物料编码管理、使用物料,并提出建设性意见。5.编码总则 5.1 坚持一种物料对应一个唯一的品号,在必要時不同供应商/客户也予以编码区分; 5。2 编码有章可循,便于查找、识別。 5。3 编号应留有足够的可扩充空间, 5。5 编码规则作修改时,应不影响以往的编号体系,避开同一物料重复编码。6、客户编码原则(共 3 码)□□□ 流水码 客户类别码1) 流水码由 2 码组成,采纳数字,从 01 开始依客户新增顺序累加,客户编号不重复使用。2) 客户类别码由 1 码组成,采纳数字。6。1 客户类别代码清单对比表客户类别客户编码(第一码)流水码第二、三码备注总公司内部1流水码柳州市内2流水码柳州市外及区内3流水码区外4流水码客户类别客户名称客户编码第二、三码一、总公司内部1流水码炼铁厂01转炉厂02焦化厂03中轧厂04耐材厂05烧结厂06热轧厂07中板厂08棒线厂09冷轧厂10金材公司11制氧厂12动力厂13技术中心14集团公司机工部15钢加公司16集团公司物资部17柳州兴钢建筑安装工程处(修建部)18XXX 公司19柳州市运天运运输有限公司(运天运)20其他99 6.2 举例:客户名称 : 炼铁厂 客户编码: 1 01 客户类别码:总公司内部 流水码(01~~99)客户类别客户名称客户编码第三、四码快捷码柳州市内2流水码柳州高华机械有限公司01GH柳州佳力新电机有限公司02JL柳州市盛工机械设备有限公司03SG柳州市华工百川橡塑科技有限公司04HG柳州市湖滨贸易有限公司05HB柳州福臻车体实业有限公司06FZ柳州市欧科塑胶机械成套设备有限公司07OK柳州天晟模具有限公司08TS柳州市精业机器有限公司09JY柳州汇众模具技术有限公司10HZ柳州强实科技有限责任公司11QS柳州市净宇环保设备有限责任公司12JY柳州市铸海机电设备有限公司13ZH柳州市永捷模具有...

1、当您付费下载文档后,您只拥有了使用权限,并不意味着购买了版权,文档只能用于自身使用,不得用于其他商业用途(如 [转卖]进行直接盈利或[编辑后售卖]进行间接盈利)。
2、本站所有内容均由合作方或网友上传,本站不对文档的完整性、权威性及其观点立场正确性做任何保证或承诺!文档内容仅供研究参考,付费前请自行鉴别。
3、如文档内容存在违规,或者侵犯商业秘密、侵犯著作权等,请点击“违规举报”。

碎片内容

机械设备公司ERP编码规则方案书

一二三四传媒+ 关注
实名认证
内容提供者

大量资料供您选择,没有合适的可以联系小二。

相关文档

确认删除?
VIP
微信客服
  • 扫码咨询
会员Q群
  • 会员专属群点击这里加入QQ群
客服邮箱
回到顶部