电脑桌面
添加小米粒文库到电脑桌面
安装后可以在桌面快捷访问

某化妆品废水处理工程设计方案

某化妆品废水处理工程设计方案_第1页
1/15
某化妆品废水处理工程设计方案_第2页
2/15
某化妆品废水处理工程设计方案_第3页
3/15
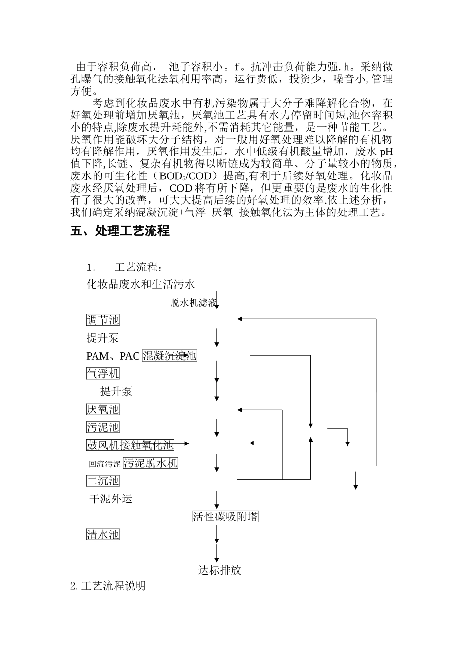
一、项目概况从化某妆品有限公司是一家生产化妆品的企业,位于从化市太平镇工业开发区。该公司的生产废水主要来自于车间设备的清洗过程,所排放的废水含有大量悬浮物和各种污染物,具有较高的COD、BOD、SS 和 LAS 等特点。由于该企业所排放的废水水质指标超出了《广东省水污染物排放限值》(DB44/26—2001)的第二时段一级标准,为了保护其周围的水体环境,需要对排出的废水进行处理,使其最后出水达到《广东省水污染物排放限值》(DB44/26—2001)的第二时段一级标准。根据该企业提供的资料,原有的一套废水处理设施不能适应现在所排放废水水量和水质的要求,需要对其进行改造。二、设计依据及原则2。1。设计依据1.国家地方有关环保法规;2.企业提供的水质、水量及相关资料;3.《广东省水污染物排放限值》(DB44/26-2001);4.《给水排水工程结构设计法律规范》(GBJ69-84);5.《室外排水设计法律规范》(GBJ14—87);6.《建筑给水排水设计法律规范》(GBJ15—88);7.《通用用电设备设计法律规范》(GB50055—93);8.同类工程的设计经验资料。2.2 编制原则1.仔细贯彻国家关于环境保护工作的设计和政策,符合国家的有关法规、法律规范、标准。2.选用工艺流程处理效果好,技术先进,稳妥可靠,适应性强,经济合理、运转灵活、安全适用。3.采纳国内的先进技术和高效低耗的名牌产品。4、操作管理方便,管理人员技术要求简单。5、尽量控制工程成本,达到以最少的投资实现最大的环境效益.三、设计水量、水质及排放标准1。设计水量本废水处理站设计水量按 250 吨/天,20 小时运行,12.5 吨/小时的规模进行设计。废水中包含有 50 吨/天的生活污水和 200 吨/天的生产废水。2。设计水质废水中主要污染物指标有 SS、LAS、CODcr、BOD5等,根据企业提供的水质及参考同类型的废水水质,本处理工程设计进水水质指标如下:CODcr≤10000mg/lBOD5≤4000mg/lpH≤11 SS≤2000mg/lLAS(阴离子表面活性剂)≤200mg/l 动植物油≤150mg/l3.排放标准废水处理站出水排放应执行《广东省水污染物排放限值》(DB44/26-2001)的第二时段一级标准,出水水质指标达到以下标准:CODcr≤90mg/L BOD5≤20mg/L SS≤60mg/L LAS(阴离子表面活性剂)≤5mg/lPH:6-9 动植物油≤10mg/l四、处理工艺流程的选择及确定1、废水的特点化 妆 品 废 水 含 有 大 量 悬 浮 物 和 各 种 污 染 物 , 具 有 较 高 的COD、BOD、SS 和 LAS 等特点.单纯采纳...

1、当您付费下载文档后,您只拥有了使用权限,并不意味着购买了版权,文档只能用于自身使用,不得用于其他商业用途(如 [转卖]进行直接盈利或[编辑后售卖]进行间接盈利)。
2、本站所有内容均由合作方或网友上传,本站不对文档的完整性、权威性及其观点立场正确性做任何保证或承诺!文档内容仅供研究参考,付费前请自行鉴别。
3、如文档内容存在违规,或者侵犯商业秘密、侵犯著作权等,请点击“违规举报”。

碎片内容

某化妆品废水处理工程设计方案

您可能关注的文档

确认删除?
VIP
微信客服
  • 扫码咨询
会员Q群
  • 会员专属群点击这里加入QQ群
客服邮箱
回到顶部