电脑桌面
添加小米粒文库到电脑桌面
安装后可以在桌面快捷访问

桥梁工程施工组织设计

桥梁工程施工组织设计_第1页
1/46
桥梁工程施工组织设计_第2页
2/46
桥梁工程施工组织设计_第3页
3/46
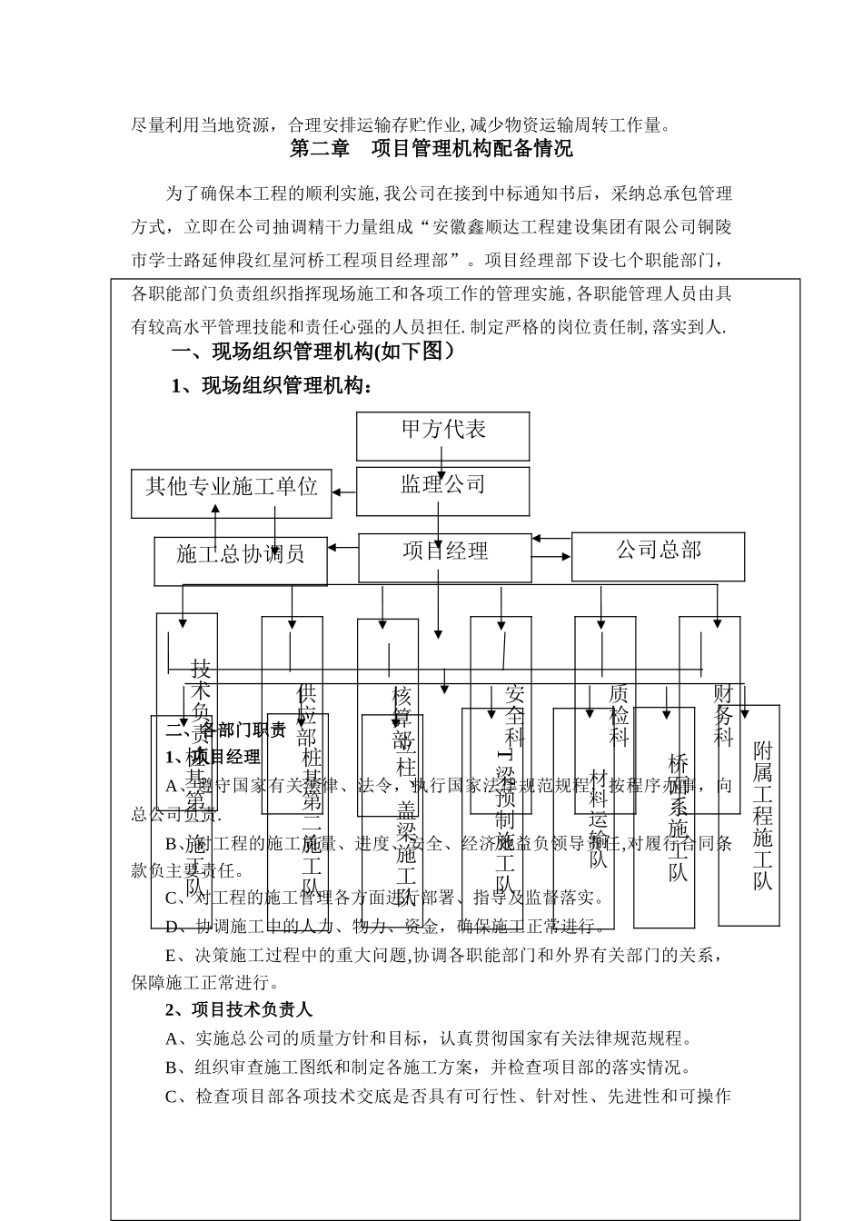
施工组织设计施工组织设计文字说明一、编制说明二、项目管理机构配备情况三、施工准备及资源配备计划四、施工总平面布置及临时用地五、主要工程项目的施工方案、方法与技术措施六、雨季、高温季节的施工措施七、管线保护措施八、施工进度计划及工期保证措施九、工程质量管理体系及保证措施十、安全生产管理体系及保证措施十一、环境保护、水土保持保证体系及保证措施十二、文明施工、文物保护体系及保证措施十三、项目风险预测与防范,事故应急预案十四、其他应说明的事项附表一 拟投入的主要施工机械设备表附表二 劳动力计划表附表三 施工进度横道图附表四 施工总平面图第一章编制说明1.1 工程概况1、工程名称:铜陵市学士路延伸段红星河桥工程2、建设地点:铜陵主城区3、工程工期:180 日历天4、质量要求:工程交工验收的质量评定合格;竣工验收的质量评定合格。5、安全文明:确保达到安全、文明施工场地要求6、承包方式:本工程绝不转包7、项目概况:学士路(沿新大道—经一路)位于铜陵市主城区,西接铜都大道,东连纬一路,是铜陵市一条东西向城市主干路.学士路在 K0+950。8 处上跨红星河,设置桥梁一座,桥梁跨径组合采纳 3×20m,下部结构为 Φ1。4m 桩基础,上部结构采纳低高度密肋预应力 T 梁.桥梁宽度与桥位处道路设计宽度一致,横向分为三幅桥:中幅为机动车道桥,桥面全宽 25 米;两边幅为人行道和非机动车道桥,桥面全宽 9。5 米。本项目设计基准期为 100 年,汽车荷载标准为公路Ⅰ级,安全等级为二级。1.2 编制依据1.铜陵市学士路延伸段红星河桥工程招标文件;2.2024 年《安徽省建设工程工程量清单计价法律规范》及现行有关法律规范、规程和文件;3.我单位现场调查的有关资料;4.我单位现有的施工技术力量、机械设备和历年来工程建设经验.5.本着“质量第一、安全第一、确保工期、造福一方”的原则。1.3 编制原则1.严格遵守《招标文件》规定的技术法律规范、计划工期条款要求,严格执行建设部现行的施工技术法律规范检验评定标准.2.严格遵守《招标文件》规定的工期,有效集中施工力量,按期完工、按期交付,使建设单位尽快发挥经济效益。3.结合本工程具体情况,积极采纳先进的施工技术和施工工艺,达到提高劳动效率,提高工程质量,加快施工进度,降低工程成本,提高经济效益的目的.4.科学合理安排施工计划,制订好雨季、高温季度、农忙季节施工技术措施,组织连续、均衡而紧凑的施工。做到布局合理,重点突击,...

1、当您付费下载文档后,您只拥有了使用权限,并不意味着购买了版权,文档只能用于自身使用,不得用于其他商业用途(如 [转卖]进行直接盈利或[编辑后售卖]进行间接盈利)。
2、本站所有内容均由合作方或网友上传,本站不对文档的完整性、权威性及其观点立场正确性做任何保证或承诺!文档内容仅供研究参考,付费前请自行鉴别。
3、如文档内容存在违规,或者侵犯商业秘密、侵犯著作权等,请点击“违规举报”。

碎片内容

桥梁工程施工组织设计

您可能关注的文档

确认删除?
VIP
微信客服
  • 扫码咨询
会员Q群
  • 会员专属群点击这里加入QQ群
客服邮箱
回到顶部