电脑桌面
添加小米粒文库到电脑桌面
安装后可以在桌面快捷访问

桥梁工程环境文明保护VIP专享

桥梁工程环境文明保护_第1页
1/13
桥梁工程环境文明保护_第2页
2/13
桥梁工程环境文明保护_第3页
3/13
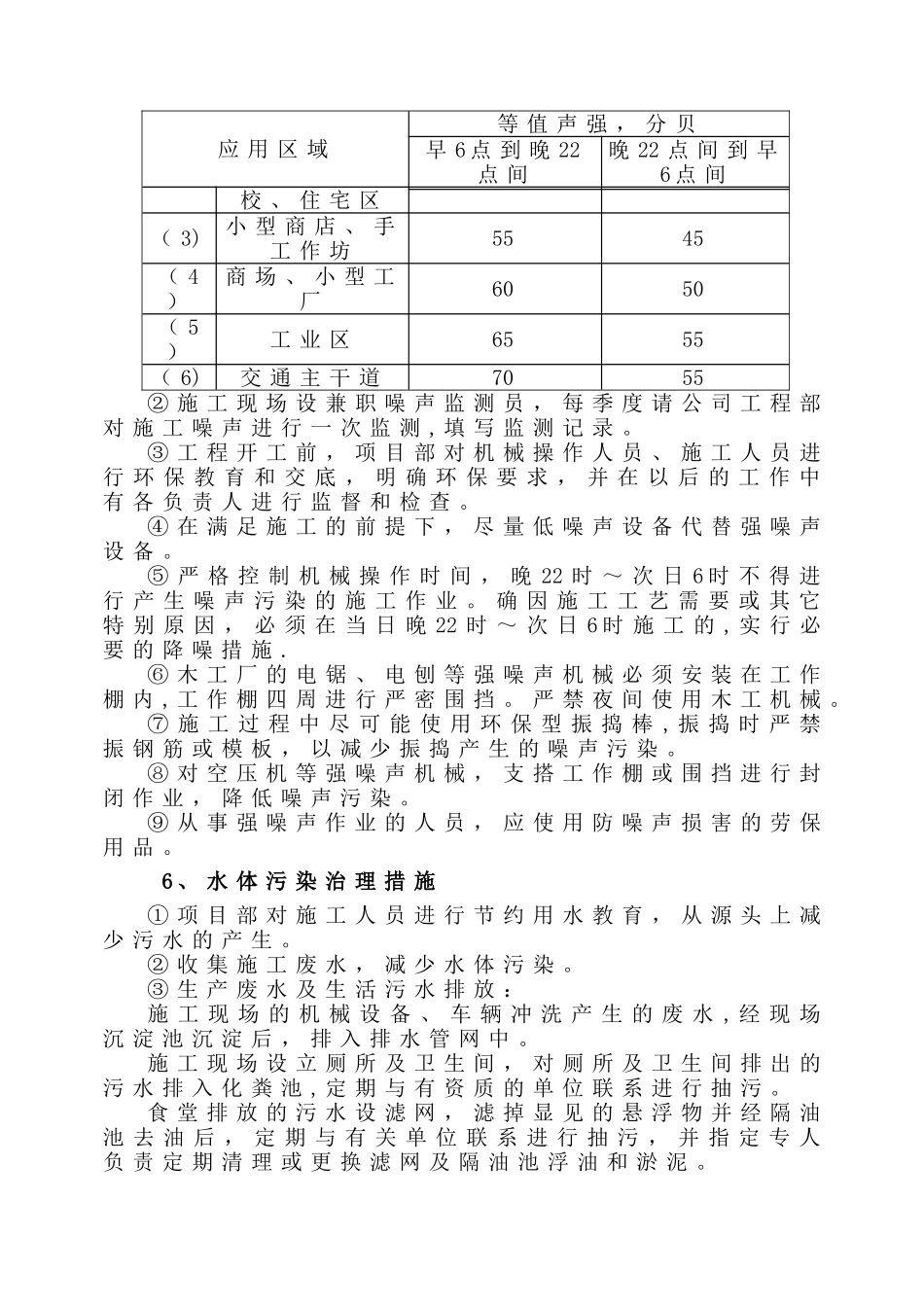
目 录第 一 部 分 环 境 保 护 措 施 11 、 工 程 概 况 0 2 、 环 境 管 理 体 系 0 3 、 环 境 保 护 目 标 0 4 、 环 境 保 护 措 施 0 5 、 噪 声 污 染 治 理 措 施 0 6 、 水 体 污 染 治 理 措 施 1 7 、 大 气 污 染 治 理 措 施 2 8 、 土 地 污 染 治 理 措 施 2 9 、 能 源 资 源 的 控 制 3 10 、 环 保 节 能 型 材 料 设 备 的 选 择 3 第 二 部 分 文 明 施 工 方 案 4 1 、 文 明 、 安 全 施 工 保 证 体 系 4 2 、 项 目 经 理 部 各 岗 位 文 明 安 全 职 责 4 2 。 1 项 目 经 理 文 明 安 全 职 责 4 2.2 项 目 部 副 经 理 文 明 安 全 职 责 5 2 。 3 项 目 部 总 工 程 师 文 明 安 全 职 责 5 2.4 工 程 管 理 部 文 明 安 全 职 责 6 2 。 5 施 工 员 文 明 安 全 职 责 6 2 。 6 作 业 队 文 明 安 全 职 责 6 2 。 7 各 科 室 负 责 人 文 明 安 全 职 责 7 3 、 文 明 安 全 施 工 措 施 7 3.1 文 明 生 产 措 施 7 3.2 安 全 生 产 措 施 9 3 。 3 保 卫 及 消 防 措 施 10 环境保护文明施工方案第 一 部 分 环 境 保 护 措 施1 、 工 程 概 况 :花 都 区 花 东 镇 七 星 村 九 队 巷 道 改 造 工 程 施 工 总 承 包 位于 广 州 市 花 都 区 花 东 镇 七 星 村 , 本 工 程 主 要 建 设 内 容 为 巷道 硬 底 化 面 积 共 8593㎡ , 施 工 时 先 挖 除 破 裂 旧 水 泥 碎 块 及清 表 , 挖 除 旧 砼 343.72m³。 清 表 土 方 2024。 65m³, 巷 道 平 均清 表 深 度 为 0 。 2m , 村 道 平 均 清 表 深 度 0.35m ; 巷 道 硬 底 化路 面 高 程 与 现 状 原 有 地 面 高 程 一 致 , 硬 底 化 铺 筑 时 注 意与 现 有 水 泥 路 顺 接 , 或 根 据 实 际 地 形 调 整 , 做 好 坡 度 使 雨水 能 够 自 然 汇 入 雨 水 口 或 下 水 道 . 新 建 3m 宽 村 道 177m;4m 宽道 路 73m 。 抗 震 设...

1、当您付费下载文档后,您只拥有了使用权限,并不意味着购买了版权,文档只能用于自身使用,不得用于其他商业用途(如 [转卖]进行直接盈利或[编辑后售卖]进行间接盈利)。
2、本站所有内容均由合作方或网友上传,本站不对文档的完整性、权威性及其观点立场正确性做任何保证或承诺!文档内容仅供研究参考,付费前请自行鉴别。
3、如文档内容存在违规,或者侵犯商业秘密、侵犯著作权等,请点击“违规举报”。

碎片内容

桥梁工程环境文明保护

文森传品+ 关注
实名认证
内容提供者

一家传播文化教育的小店,资料丰富,随意挑选。

确认删除?
VIP
微信客服
  • 扫码咨询
会员Q群
  • 会员专属群点击这里加入QQ群
客服邮箱
回到顶部