电脑桌面
添加小米粒文库到电脑桌面
安装后可以在桌面快捷访问

桥梁施工安全检查VIP专享

桥梁施工安全检查_第1页
1/4
桥梁施工安全检查_第2页
2/4
桥梁施工安全检查_第3页
3/4
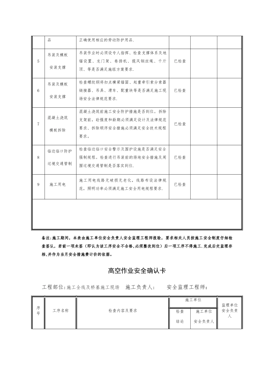
贡山丙中洛至吉瓦图公路改建工程 桥梁施工安全 监理检查确认卡 施工单位:LJ1-3//QL1 标段 监理单位:云南展旭公路工程咨询有限公司 贡山丙中洛至吉瓦图公路改建工程项目驻地办 检查日期: 2024。5。8桥梁主体及上部结构施工作业安全确认卡工程部位:施工全线及桥基施工现场 施工负责人: 安全监理工程师:序号工序名称检查内容及要求施工单位监理单位安全负责人 检查 结论施工单位安全负责人1专项施工方案施工(专项)方案是否通过审批或专家评审。检查已存档2工前安全交底安全教育培训岗位责任制度施工负责人在桥梁主体及上部结构施工前、必须进行班前交底、作业人员经岗前培训合格后方可上岗.严格落实岗位责任制度。检查已存档3机械设备及人员资质检查特种作业人员资质和进场特种设备检验合格证件是否齐全有效、机械设备状态是否完好.已检查4作业人员健康及劳动防护用施工作业人员必须身心健康、不带情绪、不带病、不酒后和疲劳施工作业、必须按规定佩戴及已检查品正确使用相应的劳动防护用品.5吊装及模板 安装支撑吊装作业时必须设专人指挥、检查支撑体系及地锚设置、龙门架、卷扬机、揽风钢丝绳、千斤顶、等是否满足施组方案要求. 已检查6吊装及模板 安装支撑检查螺纹纲将扣点横梁锚固、起重牵引索分索器链接器、吊具、滑车、配重块等是否满足施工现场安全法律规范要求.已检查7混凝土浇筑 模板拆除混凝土浇筑前施工安全防护措施是否到位。拆除支架前,砼强度和龄期必须满足设计及法律规范要求、拆除顺序安全措施必须满足安全技术规程要求。 已检查8临边临口防护过境交通管制检查临边临口安全警示及围护设施是否满足安全强制规程。检查进行吊装前的场地安全措施及周围过境交通管制是否落实到位.已检查9 施工用电施工用电线路无破损无老化,线路布设法律规范,照明功率必须满足施工安全用电规程要求.已检查备注:施工期间,本表由施工单位安全负责人安全监理工程师报验,要求相关人员按施工安全制度仔细检查签认,若前一项未签(即认为该工序安全不合格,必须整改到位)后一项工序不得施工.完成后交监理存档,并作为当月安全措施费计价的依据。高空作业安全确认卡工程部位:施工全线及桥基施工现场 施工负责人: 安全监理工程师:序号工序名称检查内容及要求施工单位监理单位安全负责人 检查 结论施工单位安全负责人1 临边临口 防护措施临边及预留孔洞是否有安全防护.已检查2操作平台防护措施高处作业必须搭设法律规范操作平台,...

1、当您付费下载文档后,您只拥有了使用权限,并不意味着购买了版权,文档只能用于自身使用,不得用于其他商业用途(如 [转卖]进行直接盈利或[编辑后售卖]进行间接盈利)。
2、本站所有内容均由合作方或网友上传,本站不对文档的完整性、权威性及其观点立场正确性做任何保证或承诺!文档内容仅供研究参考,付费前请自行鉴别。
3、如文档内容存在违规,或者侵犯商业秘密、侵犯著作权等,请点击“违规举报”。

碎片内容

桥梁施工安全检查

确认删除?
VIP
微信客服
  • 扫码咨询
会员Q群
  • 会员专属群点击这里加入QQ群
客服邮箱
回到顶部