电脑桌面
添加小米粒文库到电脑桌面
安装后可以在桌面快捷访问

桥梁施工小结

桥梁施工小结_第1页
1/21
桥梁施工小结_第2页
2/21
桥梁施工小结_第3页
3/21
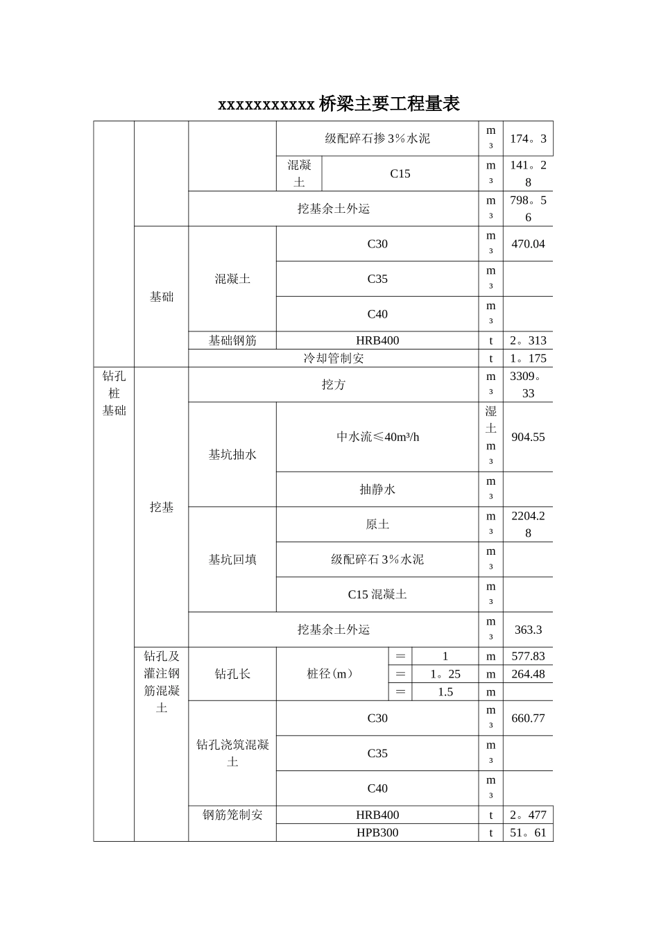
施工小结一、里程桩号施工里程:改 DK100+492。79~改 DK100+798.04二、开、竣工日期开工日期:2024 年 1 月 20 日竣工日期:2024 年 4 月 13 日三、工程概况xxxxxxxxxxx 桥址位于 xxxxxxxxxxxxxxxxxx,起讫里程为改DK100+492。79~改 DK100+798。04,孔跨布置为(3×32m)简支梁+1×(32+48+32)m 连续梁+(1×24m +1×20m)简支梁。大桥在改 DK100+622 处与 xxx 省道相交,采纳 1 联连续梁跨越.桥梁基础包括明挖基础 1 个(青方台)、挖井基础 3 个(1#~2#墩、连方台)及桩基础 6 个(3#~8#墩).本工点的工程内容为:临时用地、临时用地复垦、铁路跨公路立交工程、引道、改移公路、改移道路、桥涵工程、桥梁下部及附属工程,含简支 T 梁、连续梁台顶围篮、吊篮、防震落梁作制安、连续梁、连续梁桥面系、接触网支座、限高架制作安装、大临工程和过渡工程(不含制梁厂、铺架基地).工程数量表xxxxxxxxxxx 桥梁主要工程量表项目单位合同数量合计明挖基础挖基挖方m³1060。01基坑抽水中水流≤40m³/h湿土m³133.4抽静水m³基坑回填原土m³261。45xxxxxxxxxxx 桥梁主要工程量表级配碎石掺 3%水泥m³174。3混凝土C15m³141。28挖基余土外运m³798。56基础混凝土C30m³470.04C35m³C40m³基础钢筋HRB400t2。313冷却管制安t1。175钻孔桩基础挖基挖方m³3309。33基坑抽水中水流≤40m³/h湿土m³904.55抽静水m³基坑回填原土m³2204.28级配碎石 3%水泥m³C15 混凝土m³挖基余土外运m³363.3钻孔及灌注钢筋混凝土钻孔长桩径(m)=1m577.83=1。25m264.48=1.5m钻孔浇筑混凝土C30m³660.77C35m³C40m³钢筋笼制安HRB400t2。477HPB300t51。61xxxxxxxxxxx 桥梁主要工程量表3钢护筒桩径(m)=1t23.805=1。25t16.28=1。5t钻渣外运m³778.39承台混凝土C30m³383.93C35m³C40m³668.57垫层C15m³碎石垫层m³84。76钢筋HRB400t46.764冷却管制安t1。521挖井基础挖基挖方m³2110。79基坑回填原土m³544。73级配碎石掺 3%水泥m³69。81C15 混凝土m³基坑抽水中水流≤40m³/hm³70.85挖基余土外运m³1566.07基础混凝土C30m³C35m³C40m³一般混凝土C30m³1426钢筋HRB400t6。614冷却管制安t3。565基坑C20 混凝土m302xxxxxxxxxxx 桥梁主要工程量表护壁³钢筋t15.1墩台实体墩台身墩身混凝土C35m³1624.23C40m³75。8钢筋HRB400t64。666HPB300t26。52墩身基础连接钢筋 HRB400t8。505单圆柱桥墩墩身混凝土C35m³C40m³钢筋HRB4...

1、当您付费下载文档后,您只拥有了使用权限,并不意味着购买了版权,文档只能用于自身使用,不得用于其他商业用途(如 [转卖]进行直接盈利或[编辑后售卖]进行间接盈利)。
2、本站所有内容均由合作方或网友上传,本站不对文档的完整性、权威性及其观点立场正确性做任何保证或承诺!文档内容仅供研究参考,付费前请自行鉴别。
3、如文档内容存在违规,或者侵犯商业秘密、侵犯著作权等,请点击“违规举报”。

碎片内容

桥梁施工小结

您可能关注的文档

确认删除?
VIP
微信客服
  • 扫码咨询
会员Q群
  • 会员专属群点击这里加入QQ群
客服邮箱
回到顶部