电脑桌面
添加小米粒文库到电脑桌面
安装后可以在桌面快捷访问

桥梁模板配置方案

桥梁模板配置方案_第1页
1/9
桥梁模板配置方案_第2页
2/9
桥梁模板配置方案_第3页
3/9
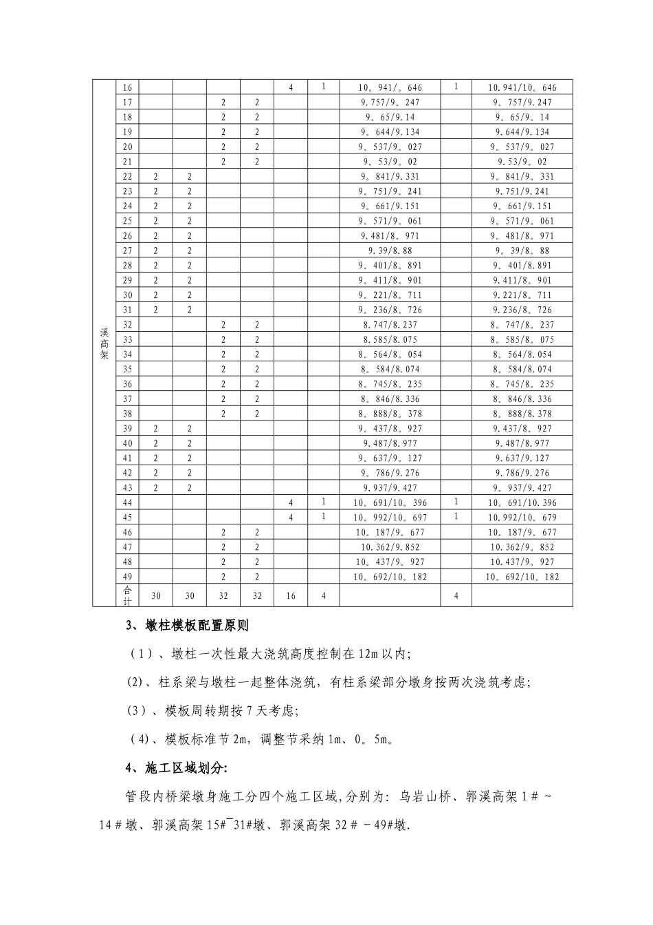
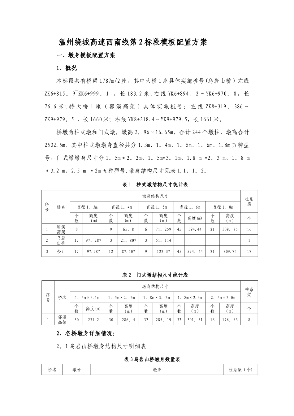
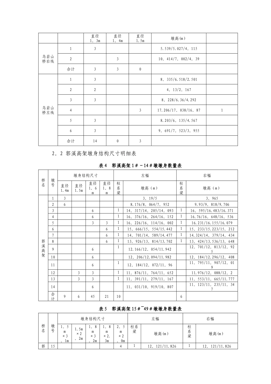
温州绕城高速西南线第 2 标段模板配置方案一、墩身模板配置方案1、概况本标段共有桥梁 1787m/2 座,其中大桥 1 座具体实施桩号(乌岩山桥)左线ZK6+815。9~ZK6+999。1 ,长 183.2 米;右线 YK6+894。2~YK6+970。8,长76.6 米;特大桥 1 座(郭溪高架)具体实施桩号:左线 ZK8+319。386~ZK9+979。5 ,长 1660 米;右线 YK8+318.4~YK9+979.5,长 1661 米。桥墩为柱式墩和门式墩,墩高 3。96~16.65m,合计 244 个墩柱,墩高合计2532.5m。其中柱式墩墩身直径共分 1.3m、1。4m、1。5m、1。6m、1.8m 五种型号,门式墩墩身尺寸分 1。5m*2。2m、1。5m*3。1m、1.8 m *2。3 m、1。8 m *3.2 m、2.5 m *2m 五种型号.墩身结构尺寸见表 1.1、1。2。2、各桥墩身详细情况:2。1 乌岩山桥墩身结构尺寸明细表表 3 乌岩山桥墩身数量表桥名墩号墩身柱系梁(个)表 1 柱式墩结构尺寸统计表序号桥名墩身结构尺寸柱系梁直径 1。3m直径 1。4m直径 1。5m直径 1。6m直径 1。8m个数高度(m)个数高度(m)个数高度(m)个数高度(m)个数高度(m)个1郭溪高架0965。8671。25945594.4421309。75162乌岩山桥1797。287321。807351。11413合计1797.2871287.6079122.3745594。4421309.7517表 2 门式墩结构尺寸统计表序号桥名墩身结构尺寸 柱系梁1。5m×3.1m1。5m×2。2m1。8m×3。2m1。8m×2.3m2。5m×2.0m个数高度(m)个数高度(m)个数高度(m)个数高度(m)个数高度(m)个1郭溪高架30271.230286。532285。1932301。5116176。638直径1。3m直径1。4m直径1.5m墩高(m)乌岩山桥右线135.539/5.027/4。1152310。414/7。002/4。39合计330乌岩山桥左线138。335/6.518/2.501224。13/2。167338。228/6.36/4.2924317.206/17。038/16。871538.203/6。135/4.567639。691/7。523/3。955合计14032。2 郭溪高架墩身结构尺寸明细表表 4 郭溪高架 1#~14#墩墩身数量表桥名墩号墩身结构尺寸左幅右幅直径1.4m直径1.5m直径1。6m直径1。8m柱系梁墩高(m)柱系梁墩高(m)郭溪高架133。19/53。965268.176/8。064/7。9529.93/9。818/9.70636114。317/14。205/14。093116。595/16.483/16.37146116。376/16。264/16。152116.76/16。648/16。536533116。226/16。114/16。002116.231/16.155/16.07966115。666/15。554/15.442115。233/15.223/15。21276114。701/14。589/14.477114.324/14。379/14。43486113。926/13。814/13.702113。424/13.536/13。6...

1、当您付费下载文档后,您只拥有了使用权限,并不意味着购买了版权,文档只能用于自身使用,不得用于其他商业用途(如 [转卖]进行直接盈利或[编辑后售卖]进行间接盈利)。
2、本站所有内容均由合作方或网友上传,本站不对文档的完整性、权威性及其观点立场正确性做任何保证或承诺!文档内容仅供研究参考,付费前请自行鉴别。
3、如文档内容存在违规,或者侵犯商业秘密、侵犯著作权等,请点击“违规举报”。

碎片内容

桥梁模板配置方案

您可能关注的文档

确认删除?
VIP
微信客服
  • 扫码咨询
会员Q群
  • 会员专属群点击这里加入QQ群
客服邮箱
回到顶部