电脑桌面
添加小米粒文库到电脑桌面
安装后可以在桌面快捷访问

桥梁现浇板施工方案

桥梁现浇板施工方案_第1页
1/11
桥梁现浇板施工方案_第2页
2/11
桥梁现浇板施工方案_第3页
3/11
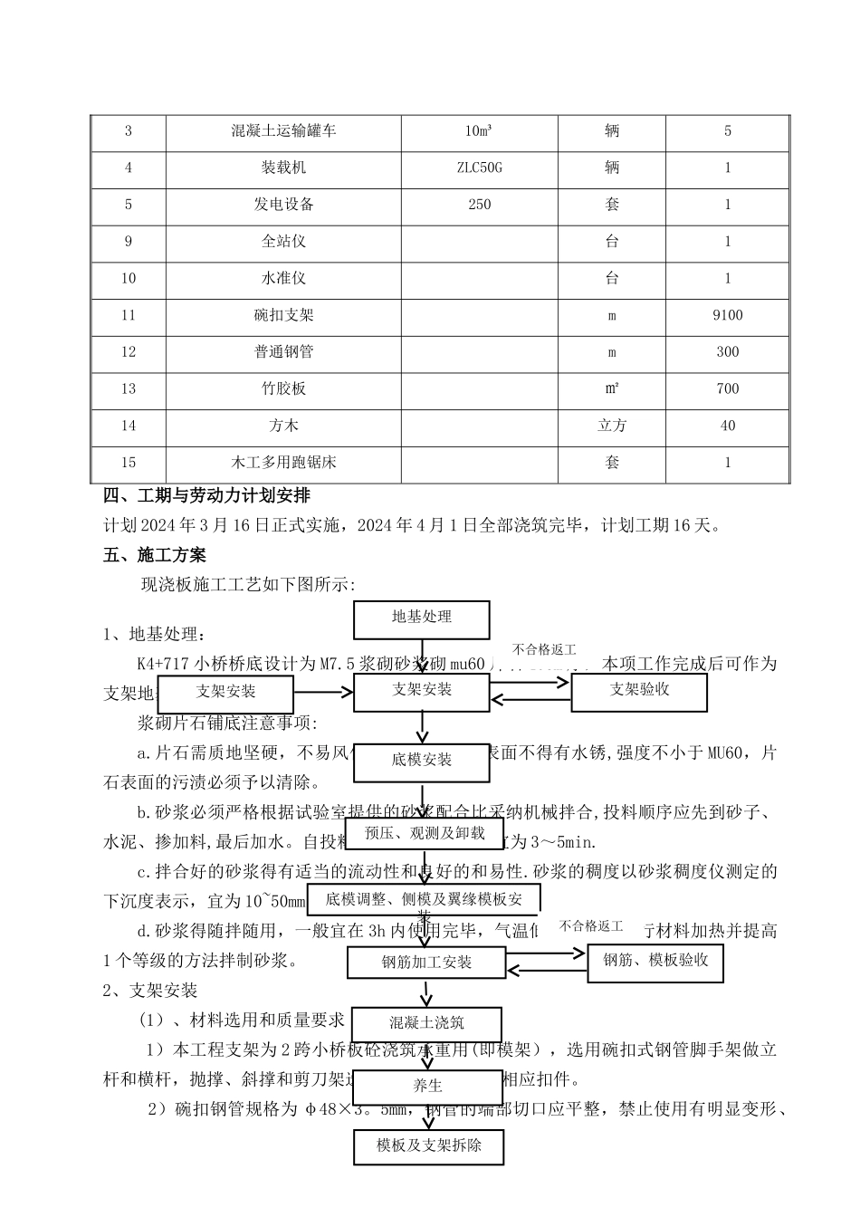
首件工程白土坡大桥 K4+717 小桥现浇板施工方案一、工程概况K4+717 小桥位于整体式路基段,地理位置处于深沟斜坡上,斜交角度为 20°.桥梁中心桩号为 K4+717,左右幅桥宽均为 13。25m.设计为 2-8m 现浇混凝土现浇板,每跨 8m,全桥共计 16m 长.基础及下部结构为扩大基础及墩、台身,全桥设计为 2 处桥台以及 1 处墩台,桥梁左右两侧均设置八字墙。地形地貌及水文地质条件K4+717 小桥桥址处地形起伏不平,地貌单元主要为侵蚀构造山地区,刚好处于深沟向上斜坡处,两侧与沟底高差约 7m,地表为冲积沉积物、土石混合物.相关文件显示最冷月为 1 月,最热月为 7 月,降水集中,地区分布不均,降水量集中在 7、8 月,占全年降水量 56%左右,冬半年降水稀少,从 11 月至次年 4 月,降雨量占全年的 12%,且桥址位于平原山区交接地带,山前迎风坡形成多雨带。K4+717 小桥为 2-8m 简支小桥,采纳整体现浇简支板式体系,现浇板采纳满堂支架就地浇筑。首件工程选定本标段拟将 K4+717 小桥右幅两跨共计 16m 现浇板作为首件工程开工,用以指导其余小桥、通道现浇板施工.K4+717 小桥每块现浇板设计尺寸如下图所示:每块 C40 混凝土现浇板使用材料具体如下:Φ20 螺纹钢 664。7kg,Φ18 螺纹钢2253.4kg,Φ14 螺纹钢 1398。8kg,Φ12 螺纹钢 940。7kg,Φ8 光圆钢筋 878。3kg,浇筑C40 混凝土 50 立方。二、编制依据《两阶段施工图设计》第三册第四分册《公路桥涵施工技术法律规范》(JTJ 041-2024)《建筑工程安全施工技术》(JTJ 076—95)《土力学与地基基础》(教材)《路桥施工计算手册》《建筑施工碗扣式脚手架安全技术法律规范》(JGJ166—2024)。《桥梁施工百问》河北省交通运输厅《河北省高速公路施工标准化管理指南》《钢结构设计》《绕城高速公路建设项目施工标准化管理实施细则》三、人员、机械设备组织为安全、优质、高效地完成本工程,根据“集中领导、职责明确、提高效率、有利协调的原则,指派具有丰富施工和管理经验的杨泗强担任生产负责人,桥梁工程师苟光明对现场施工进行管理,质检工程师陈华担任质检负责人,试验负责人秦智负责对进场原材料进行取样检查、施工过程中的试验检测,安全生产负责人康毅、专职安全员杨冲、杨陇对整个施工场地进行安全巡视。主要人员安排表序号姓名职务岗位职责备注1项目总工技术指导和监督2生产副经理现场指导和监督3施工负责人现场管理和工作安排4安全负责人安全监督指...

1、当您付费下载文档后,您只拥有了使用权限,并不意味着购买了版权,文档只能用于自身使用,不得用于其他商业用途(如 [转卖]进行直接盈利或[编辑后售卖]进行间接盈利)。
2、本站所有内容均由合作方或网友上传,本站不对文档的完整性、权威性及其观点立场正确性做任何保证或承诺!文档内容仅供研究参考,付费前请自行鉴别。
3、如文档内容存在违规,或者侵犯商业秘密、侵犯著作权等,请点击“违规举报”。

碎片内容

桥梁现浇板施工方案

您可能关注的文档

确认删除?
VIP
微信客服
  • 扫码咨询
会员Q群
  • 会员专属群点击这里加入QQ群
客服邮箱
回到顶部