电脑桌面
添加小米粒文库到电脑桌面
安装后可以在桌面快捷访问

桩基工程施工组织设计

桩基工程施工组织设计_第1页
1/12
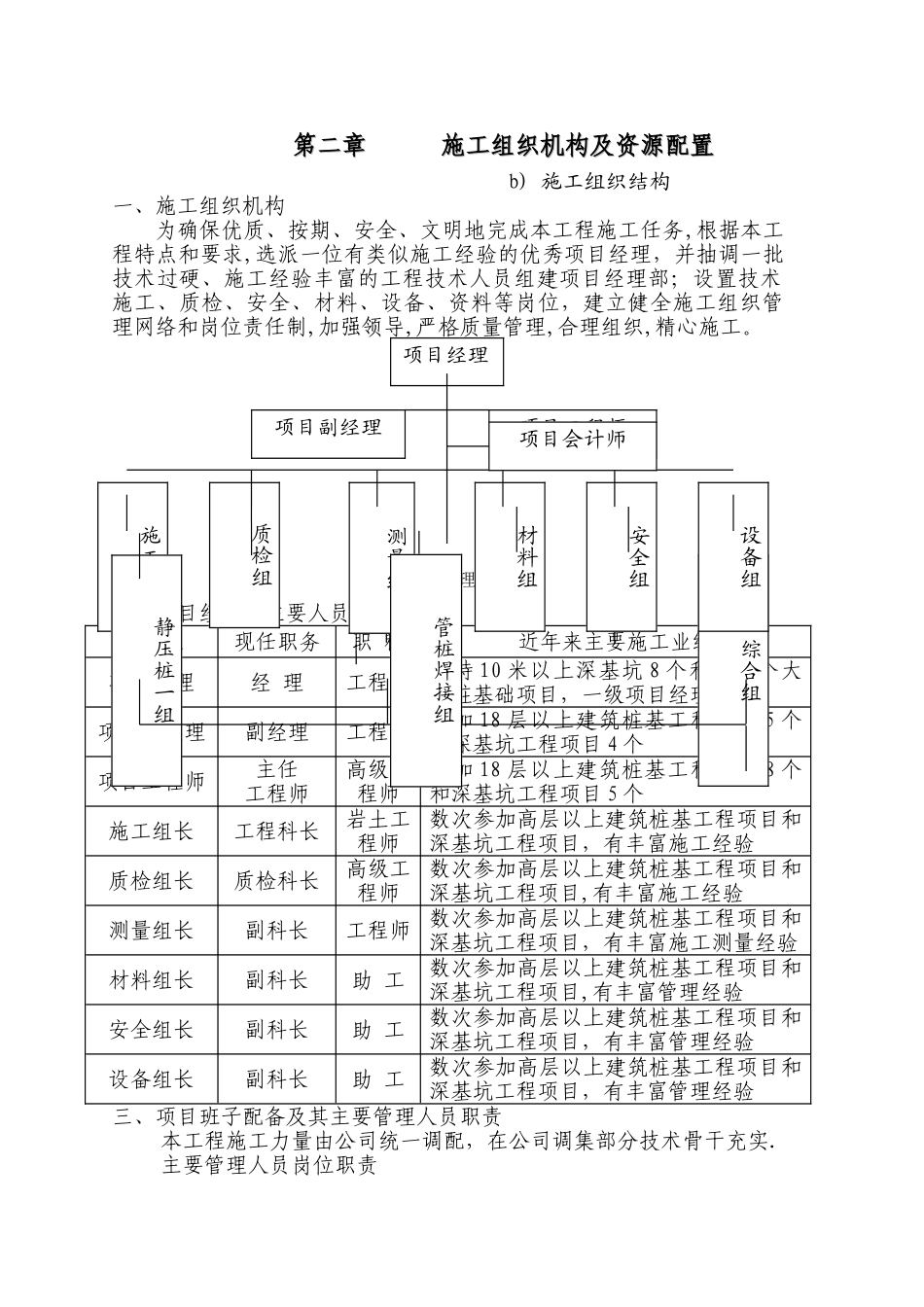
桩基工程施工组织设计_第2页
2/12
桩基工程施工组织设计_第3页
3/12
第一章 概述 第一节 编制依据 (1)本工程岩土工程详细勘察报告(2)本工程设计图纸(3)《建筑桩基技术法律规范》(JGJ94—2024)(4)《建筑地基基础设计法律规范》(GB50007—2024)(5)《建筑地基基础工程施工质量验收法律规范》(GB50202—2024)(6)《混凝土结构工程施工质量验收法律规范》(GB50204-2024)(7)《工程测量法律规范》(GB50026—2024)(8)《建筑施工安全检查标准》(JGJ59—99)(9)《建筑工程施工质量验收统一标准》(GB50300—2024)(10)《建筑桩基检测技术法律规范》(JGJ106—2024)(11)《钢筋焊接及验收规程》(JGJ18—2024)(12)工程相关技术法律规范第二节 工程概况(1)工程名称:岱骏·融汇商业中心桩基工程(2)工程地点:普洱市市区东南部、师专一号路与茶苑路延长线交汇处,西北侧毗邻思茅师范专科学院(3)建设单位:云南岱骏房地产开发有限公司普洱分公司(4)设计单位:云南工程建设总承包公司(5)勘察单位:云南木盛和岩土工程有限公司(6)监理单位:昆明建设咨询监理有限公司(7)施工单位:核工业西南建设集团公司(8)设计概况:本工程结构设计使用年限 50 年,结构安全等级二级,地基基础的设计等级为乙级,抗震设计按 8 度,(0。20g,第三组).建筑基础桩基形式采纳旋挖桩.(9)现场情况:工程所处地势较为平坦宽阔,施工测量方便,能提供足够的工作面。(10)气象水文:普洱盆地属典型的亚热带高原气候,夏无酷暑,冬无严寒,平均气温 14.5 摄氏度,降水主要集中在 6~10 月份,多年平均降雨量 1018。2mm.第三节 施工条件(1)环境条件拟建场区地形较平坦,交通便利,水电量供应充足,地下无管线、电缆、沟渠等障碍物。(2)工程场地地质条件详见本工程地质勘察报告.(3)工程场地水文条件地表水勘察场地地处盆地与山区接触带,位于沟口洪积扇地带,为地表、地下水汇合径流、排泄区,地表水丰富,场地内分布的小河有流水;小河水流量小,勘察期间为雨季测得流量约为 101/s,据调查旱季时有断流,遇强降雨时,沟渠形成洪水,流量达 20—30 余/s,对场地影响大,特别是对基坑开挖降水影响大。地下水特征及赋存条件根据勘察场地地层的岩性特征及赋税水条件,将地下水分为第四系松散层孔隙水及基岩裂隙水两种类型。孔隙水的含水介质主要未洪冲积层卵石、夹粉土、粉质黏土层,含水层属中等~强透水底层,其富水性强,水量较大,地下水主要接受大气降水及地表水下身补给,受季节性的降雨量控制,动态变化...

1、当您付费下载文档后,您只拥有了使用权限,并不意味着购买了版权,文档只能用于自身使用,不得用于其他商业用途(如 [转卖]进行直接盈利或[编辑后售卖]进行间接盈利)。
2、本站所有内容均由合作方或网友上传,本站不对文档的完整性、权威性及其观点立场正确性做任何保证或承诺!文档内容仅供研究参考,付费前请自行鉴别。
3、如文档内容存在违规,或者侵犯商业秘密、侵犯著作权等,请点击“违规举报”。

碎片内容

桩基工程施工组织设计

您可能关注的文档

确认删除?
VIP
微信客服
  • 扫码咨询
会员Q群
  • 会员专属群点击这里加入QQ群
客服邮箱
回到顶部