电脑桌面
添加小米粒文库到电脑桌面
安装后可以在桌面快捷访问

桩基高压注浆补强加固+施工方案2

桩基高压注浆补强加固+施工方案2_第1页
1/6
桩基高压注浆补强加固+施工方案2_第2页
2/6
桩基高压注浆补强加固+施工方案2_第3页
3/6
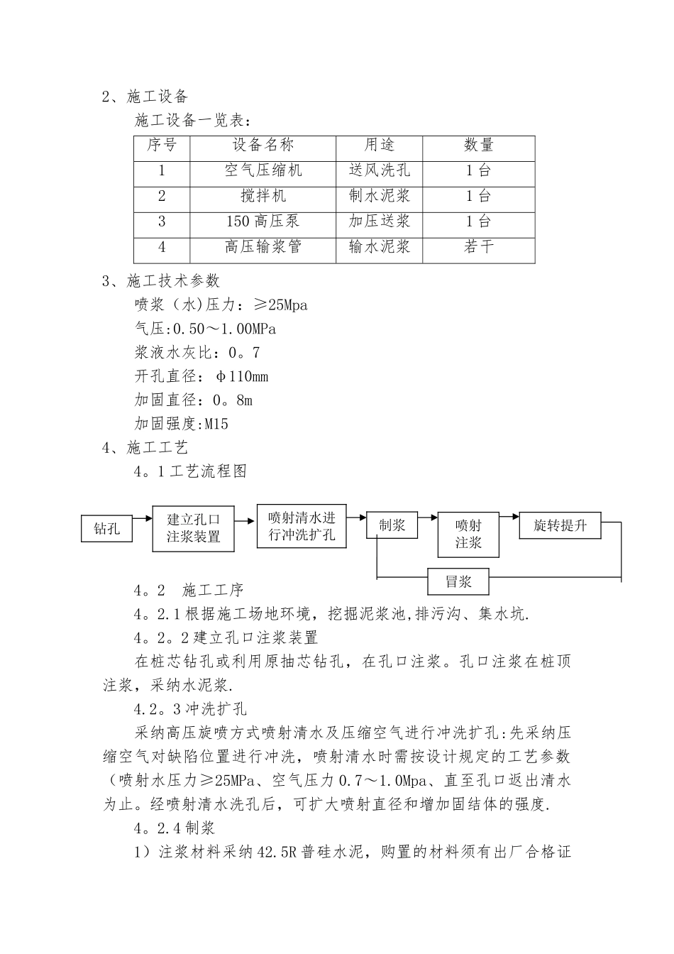
桩基高压注浆补强加固施工方案审批表施工单位意见:项目技术负责人(签章): 项目经理(签章): 年 月 日设计单位意见:项目负责人(签章): 年 月 日监理单位意见:总监理工程师(签章): 年 月 日建设单位意见:项目负责人(签章): 年 月 日桩基高压注浆补强加固施 工 方 案编制单位:福建红建工程有限公司编 制 人:陈润辉审 核 人:林全编制时间: 2024 年月日 一、施工概况49#工程桩施工概况如下:在施工 49#桩(22 轴/K 轴)桩径800mm,施工桩长 18.80m,钢筋笼长度 15m,下导管 18。50。开挖时间下午 3 点 40 分终孔时间 5 点 40 分,7 点下钢筋笼、导管;8 点 30分开始灌注混凝土,混凝土采纳金辉商品混凝土,砼强度 C35 水下混凝土.浇捣至 8 点 50 分拆除第一节导管后发现导管堵塞,现场测量已浇捣混凝土 9.8m 还剩余约 7m 未浇捣。现场实行拆除导管重新下导管,导管下至 7m 处无法继续下降采纳锤击方式才能把导管敲下.继续浇捣至设计桩顶标高—6。20m 处.经抽芯检查发现 49#桩(22 轴/K轴)桩径 800mm,施工桩长 18.80m,有效桩长 17.40m,桩身质量不能满足设计要求。取芯第一节 0。00m-1.95m 完整 第二节 1.95m—2.91m 完整 第三节 2.91m—5。43m 完整 第四节 5.43m-13。30m 不能满足设计要求,需对该部位缺陷位置进行补强加固处理。 第五节 13.30m—17。40m 完整二、编制依据《混凝土结构工程施工质量验收法律规范》JGJ94-2024;《建筑地基基础工程施工质量验收法律规范》GB50204—2024;《建筑桩基技术法律规范》(JGJ94—2024);《钢筋焊接及验收法律规范》JGJ18—2024;《建筑机械使用安全技术规程》JGJ33-2001;《建设工程施工现场供用电安全法律规范》GB50194-1993;《建筑工程施工质量验收统一标准》GB50300—2001.三、施工方案根据现场芯样分析和设计要求,要对该桩缺陷位置不达标部位实施有效的加固补强措施,该桩为边桩,设计要求竖向抗压承载力1600KN,竖向抗拔承载力 500KN,桩端进入碎裂状强风化泥岩 6m,目前较有效的方法就是采纳复合注浆法.其加固原理为先对桩抽芯孔采纳高压水流冲洗,然后采纳高压循环灌浆系统进行多次反复压浆工艺,以使桩缺陷部位有效填充并向外扩大 1。5 倍以达到补强的目的.1、施工场地布置及准备施工场地主要设施有:水泥站、制浆站、泥浆池、临时生活设施等。2、施工设备施工设备一览表:序号设备名称用途数量1空气压缩机送风...

1、当您付费下载文档后,您只拥有了使用权限,并不意味着购买了版权,文档只能用于自身使用,不得用于其他商业用途(如 [转卖]进行直接盈利或[编辑后售卖]进行间接盈利)。
2、本站所有内容均由合作方或网友上传,本站不对文档的完整性、权威性及其观点立场正确性做任何保证或承诺!文档内容仅供研究参考,付费前请自行鉴别。
3、如文档内容存在违规,或者侵犯商业秘密、侵犯著作权等,请点击“违规举报”。

碎片内容

桩基高压注浆补强加固+施工方案2

确认删除?
VIP
微信客服
  • 扫码咨询
会员Q群
  • 会员专属群点击这里加入QQ群
客服邮箱
回到顶部