电脑桌面
添加小米粒文库到电脑桌面
安装后可以在桌面快捷访问

梁、板、柱混凝土施工质量标准和检验方法验收记录

梁、板、柱混凝土施工质量标准和检验方法验收记录_第1页
1/3
梁、板、柱混凝土施工质量标准和检验方法验收记录_第2页
2/3
梁、板、柱混凝土施工质量标准和检验方法验收记录_第3页
3/3
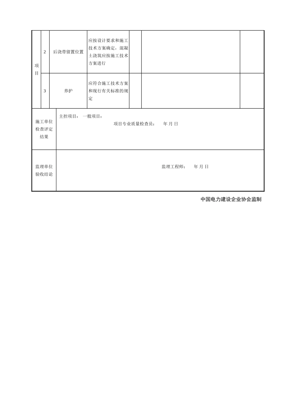
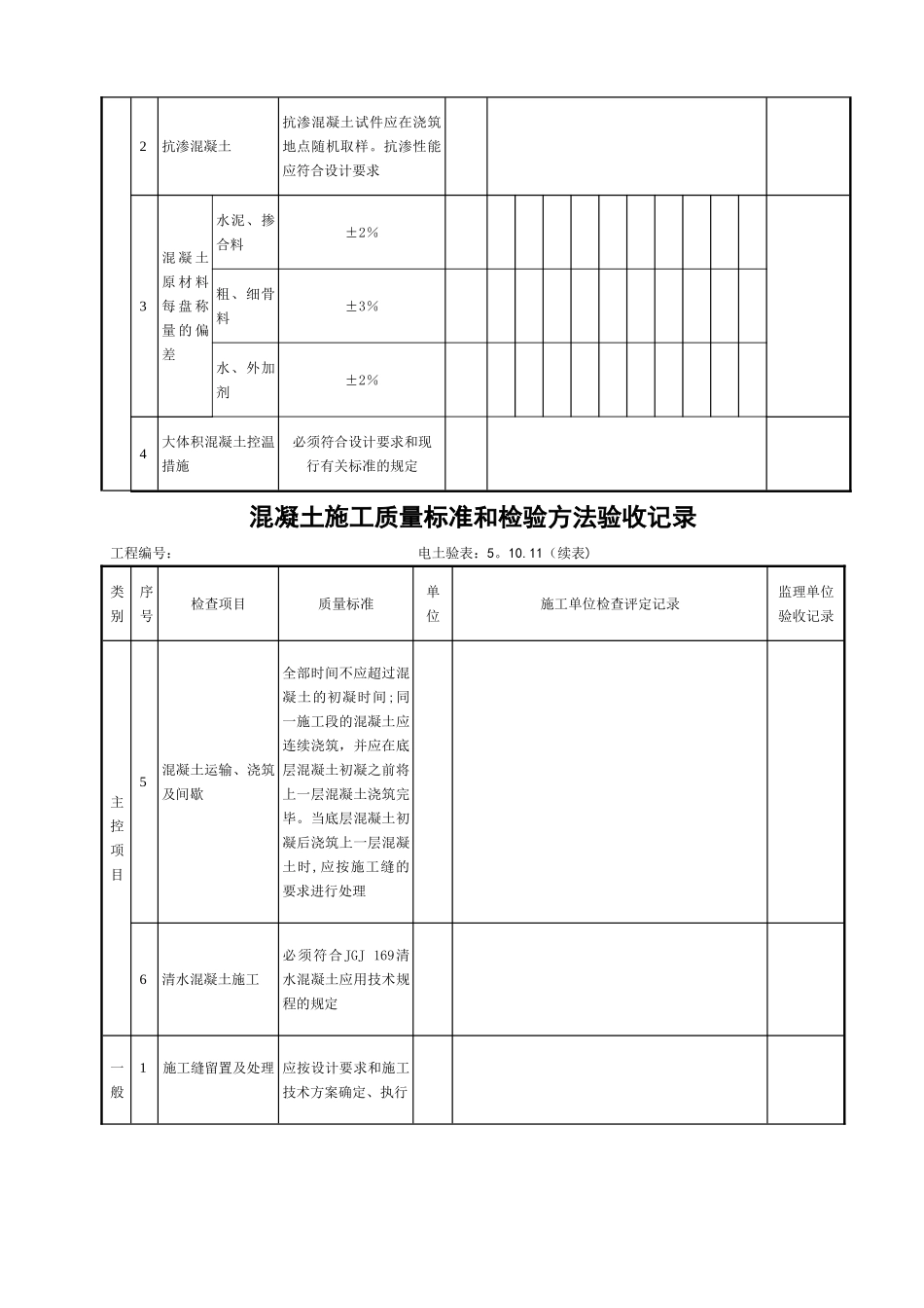
混凝土施工质量标准和检验方法验收记录工程编号: 电土验表:5.10。11单位(子单位)工程名称警卫传达室分部(子分部)工程主体分部工程分项工程名称混凝土分项工程验收部位警卫传达室 梁、板、柱施工单位特变电工(德阳)电力工程有限公司项目经理祝华龙项目技术负责人刁文彬施工执行标准名称及编号1、企业标准:/ 2、施工技术法律规范:《电力建设施工质量验收及评价规程第一部分:土建工程》( DL / T 5210。1-2024)分包单位/分包项目经理/施工班组长类别序号检查项目质量标准单位施工单位检查评定记录监理单位验收记录主控项目1混凝土强度及试件取样留置混凝土的强度等级必须符合设计要求。用于检查结构构件混凝土强度的试件,应在混凝土的浇筑地点随机抽取。取样与试件留置应符合下列规定: (1)每拌制 100 盘且不超过 100m3 的同配合比的混凝土,取样不得少于一次; (2)每工作班拌制的同一配合比的混凝土不足 100 盘时,取样不得少于一次; (3)当一次连续浇筑超过 1000m3时,同一配合比的混凝土每 200m3 取样不得少于一次; (4) 每一楼层,同一配合比的混凝土,取样不得少于一次; (5)每次取样应至少留置一组标准养护试件,同条件养护试件的留置组数应根据实际需要确定。2抗渗混凝土抗渗混凝土试件应在浇筑地点随机取样。抗渗性能应符合设计要求3混 凝 土原 材 料每 盘 称量 的 偏差水泥、掺合料±2%粗、细骨料±3%水、外加剂±2%4大体积混凝土控温措施必须符合设计要求和现行有关标准的规定混凝土施工质量标准和检验方法验收记录工程编号: 电土验表:5。10.11(续表)类别序号检查项目质量标准单位施工单位检查评定记录监理单位验收记录主控项目5混凝土运输、浇筑及间歇全部时间不应超过混凝土的初凝时间;同一施工段的混凝土应连续浇筑,并应在底层混凝土初凝之前将上一层混凝土浇筑完毕。当底层混凝土初凝后浇筑上一层混凝土时,应按施工缝的要求进行处理6清水混凝土施工必须符合JGJ 169清水混凝土应用技术规程的规定一般1施工缝留置及处理 应按设计要求和施工技术方案确定、执行项目2后浇带留置位置应按设计要求和施工技术方案确定,混凝土浇筑应按施工技术方案进行3养护应符合施工技术方案和现行有关标准的规定施工单位检查评定结果主控项目: 一般项目:项目专业质量检查员: 年 月 日监理单位验收结论监理工程师: 年 月 日中国电力建设企业协会监制

1、当您付费下载文档后,您只拥有了使用权限,并不意味着购买了版权,文档只能用于自身使用,不得用于其他商业用途(如 [转卖]进行直接盈利或[编辑后售卖]进行间接盈利)。
2、本站所有内容均由合作方或网友上传,本站不对文档的完整性、权威性及其观点立场正确性做任何保证或承诺!文档内容仅供研究参考,付费前请自行鉴别。
3、如文档内容存在违规,或者侵犯商业秘密、侵犯著作权等,请点击“违规举报”。

碎片内容

梁、板、柱混凝土施工质量标准和检验方法验收记录

您可能关注的文档

确认删除?
VIP
微信客服
  • 扫码咨询
会员Q群
  • 会员专属群点击这里加入QQ群
客服邮箱
回到顶部