电脑桌面
添加小米粒文库到电脑桌面
安装后可以在桌面快捷访问

楼面样板工艺流程牌

楼面样板工艺流程牌_第1页
1/6
楼面样板工艺流程牌_第2页
2/6
楼面样板工艺流程牌_第3页
3/6
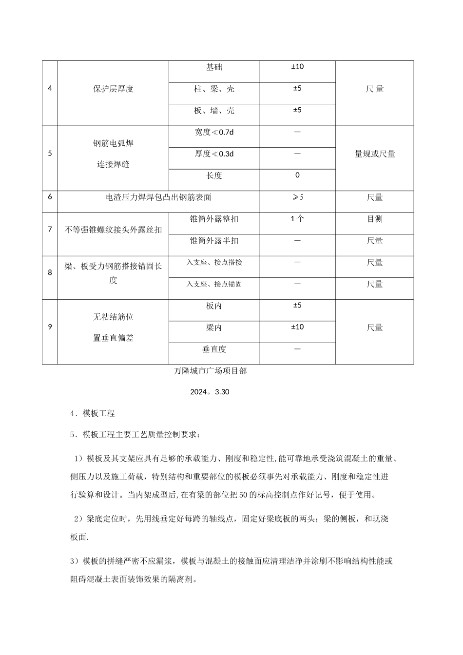
楼面样板工艺牌施工工艺:标高及轴线定位 钢筋绑扎 水电预埋 模板安装 板面及剪力墙、柱验收 钢筋验收 砼浇筑 砼养护 模板拆除 成品保护施工艺质量控制要求1﹑轴线标高测量控制 a)平面轴线投测根据轴线控制点,将所需轴线投测到施工区域内,同一取悦内所投测的纵横轴线各不得少于 2 条,以此作为角度、距离的校核。经校核无误后方可在该区域。内放出其它相应的设计轴线和细部线. b)引测标高 标高基准点的测设必须经过复测无误后方可使用。将其放置于不动的围墙或楼层柱上。控制层高的标高点,每 20 米以内都用同一控制点,根据常规操作布置在外墙上,便于拉尺控制标高。对于局部预埋预留的控制,采纳在钢筋上设卡子,或缠有色胶带作控制点。如控制楼层砼地面标高的 50 线(在预埋、预留件固定、验收后拆除)。2﹑ 结构平面尺寸控制 将平面轴线控制点投测到各层,建立各层各施工段的控制网;确定平面上各构件轴线,并测设出竖向结构的轮廓线.清水混凝土绝不允许出现露筋情况,因此,每一层楼面或基础上外露的竖向结构的插筋应基本符合结构,在浇筑楼层(或基础)混凝土前都必须加以校正. 万隆城市广场项目部 2024。3。303﹑钢筋工程﹑钢筋施工工艺柱子钢筋绑扎程序:柱主筋焊接→柱箍筋绑扎→柱箍筋加密区绑扎→预埋电线管、开关盒→绑扎保护层垫块→钢筋焊接、绑扎工程隐蔽验收→与模板工序交接。梁模钢筋绑扎程序:梁模板验收完→在模板侧邦上画箍筋分档标记→放箍筋 →穿梁下铁筋并与箍筋扎 →穿梁上铁筋并与箍筋绑扎→安装保护层垫块→验收﹑钢筋加工以在现场集中加工为主,严格按钢筋样本执行。钢筋加工包括:接头闪光对焊、钢筋机械连接接头、钢筋电渣压力焊接头,盘条调直与除锈,断料与成型.现场钢筋接头:(1)筏板与地下室底板全采纳机械连接;(2)框架梁及柱当 d≥22 或梁跨度≥9m时,采纳机械连接或焊接;(3)除以上要求部分,可以绑扎或焊接。注:外观检查:钢筋与电极接触处无烧伤缺陷;焊包突出钢筋表面高度≥4mm.接头处轴线偏移≤0。1d,且≤2mm;弯折角≤30;焊包接头无焊包不匀、夹渣、偏包、气孔等缺陷。外观检查不合格的接头应切除重焊或实行补强焊接措施。﹑严格控制钢筋接头质量。镦粗直螺纹套筒进场时严格检查。螺纹丝扣逐个检查,套好的丝头要上塑料保护帽.镦粗直螺纹套丝机和力矩板手,随机抽检,,定期巡检一次,并注意平常的保养。严把钢筋材料进场关。凡是进场的钢筋均按试验定抽样进行复试.④﹑...

1、当您付费下载文档后,您只拥有了使用权限,并不意味着购买了版权,文档只能用于自身使用,不得用于其他商业用途(如 [转卖]进行直接盈利或[编辑后售卖]进行间接盈利)。
2、本站所有内容均由合作方或网友上传,本站不对文档的完整性、权威性及其观点立场正确性做任何保证或承诺!文档内容仅供研究参考,付费前请自行鉴别。
3、如文档内容存在违规,或者侵犯商业秘密、侵犯著作权等,请点击“违规举报”。

碎片内容

楼面样板工艺流程牌

确认删除?
VIP
微信客服
  • 扫码咨询
会员Q群
  • 会员专属群点击这里加入QQ群
客服邮箱
回到顶部