电脑桌面
添加小米粒文库到电脑桌面
安装后可以在桌面快捷访问

2025年工程师水利水电工程资格考试工程地质专业案例模拟题

2025年工程师水利水电工程资格考试工程地质专业案例模拟题_第1页
1/10
2025年工程师水利水电工程资格考试工程地质专业案例模拟题_第2页
2/10
2025年工程师水利水电工程资格考试工程地质专业案例模拟题_第3页
3/10
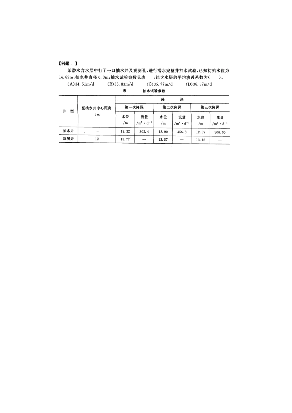
勘察设计注册土木工程师(水利水电工程)资格考试工程地质专业案例模拟题1.下列哪些选项是工程地质条件所包括的原因?( ) A.岩性与地层构造 B.地质构造与地质构造 C. 水文地质条件 D.水文气象原因 工程地质条件各原因之间有何关系?( ) A.互相联络、互相制约 B.有重要、次要原因之分 C. 同一地区不一样地责问题中起控制作用的重要原因是不变化的 D. 同一地区不一样地责问题中起控制作用的重要原因是变化的解析:由于工程地质条件是与工程建设有关的地质原因之综合,而水文气象原因虽与工程建设有关,但不属地质原因.故非工程地质条件所包含的原因. 对的选项为 ABC.工程地质条件各原因之间互相联络、互相制约 ;有重要、次要原因之分;同一地区不一样地责问题中起控制作用的重要原因是变化的. 对的选项为 ABD.2、某峡谷河段,从上游自下游依次分布有四个坝址,平均河水位为 150m,至第四级阶地基岩顶面高程 370m 处的高差为 320m,在高程 370m 处河谷宽 350m,问下列哪一坝址工程地质条件最优?( ) A:覆盖层厚约 30m,左坝肩 360m 高程处有 1 条倾向河内、长约 50m 的泥化夹,有顺河断裂分布。 B:覆盖层厚约 42m,左坝肩 250m 高程处有 4 条倾向河内、长约 60m 的泥化夹,有顺河断裂分布。 C:覆盖层厚约 49m,左坝肩 250m 高程处有 5 条倾向河内、长约 60m 的泥化夹,有顺河断裂分布。 D:覆盖层厚约 65m,左坝肩 250m 高程处有 4 条倾向河内、长约 60m 的泥化夹,有顺河断裂分布。右岸下游有一 300 万方滑坡.•解析:显然覆盖层厚度、泥化夹层为坝址工程地质条件的控制原因。•综合比选成果:A 坝址覆盖层厚度较小、泥化夹层少且分布较高为最优。3.压水试验段位于地下水位如下,承压水埋藏深度为 50m,使用安设在与试验段连通的测压力管上的压力计测压(忽视管内压力损失),试验段长 L=5m,根据如下试验成果,评价该试验段的透水性 ?( ) P(MPa) P1=0.3 P2= 0.6 P3= 1.0 Q(l/min) Q1=30 Q2=65 Q3=100 A.强透水 B.中等透水 C.弱透水 D.微透水 解析: ∵ q =Q3/(L· P3 ) ( P623 ) =100/(5 × 1.0)=20(Lu) 由 《水利水电工程地质勘察规范》GB50287-1999 附录 J 岩土渗透性分级知: 100> q≥10 属中等透水 (P718) ∴该试验段属中等透水

1、当您付费下载文档后,您只拥有了使用权限,并不意味着购买了版权,文档只能用于自身使用,不得用于其他商业用途(如 [转卖]进行直接盈利或[编辑后售卖]进行间接盈利)。
2、本站所有内容均由合作方或网友上传,本站不对文档的完整性、权威性及其观点立场正确性做任何保证或承诺!文档内容仅供研究参考,付费前请自行鉴别。
3、如文档内容存在违规,或者侵犯商业秘密、侵犯著作权等,请点击“违规举报”。

碎片内容

2025年工程师水利水电工程资格考试工程地质专业案例模拟题

您可能关注的文档

确认删除?
VIP
微信客服
  • 扫码咨询
会员Q群
  • 会员专属群点击这里加入QQ群
客服邮箱
回到顶部