电脑桌面
添加小米粒文库到电脑桌面
安装后可以在桌面快捷访问

水利工程施工单位施工月报完整格式

水利工程施工单位施工月报完整格式_第1页
1/8
水利工程施工单位施工月报完整格式_第2页
2/8
水利工程施工单位施工月报完整格式_第3页
3/8
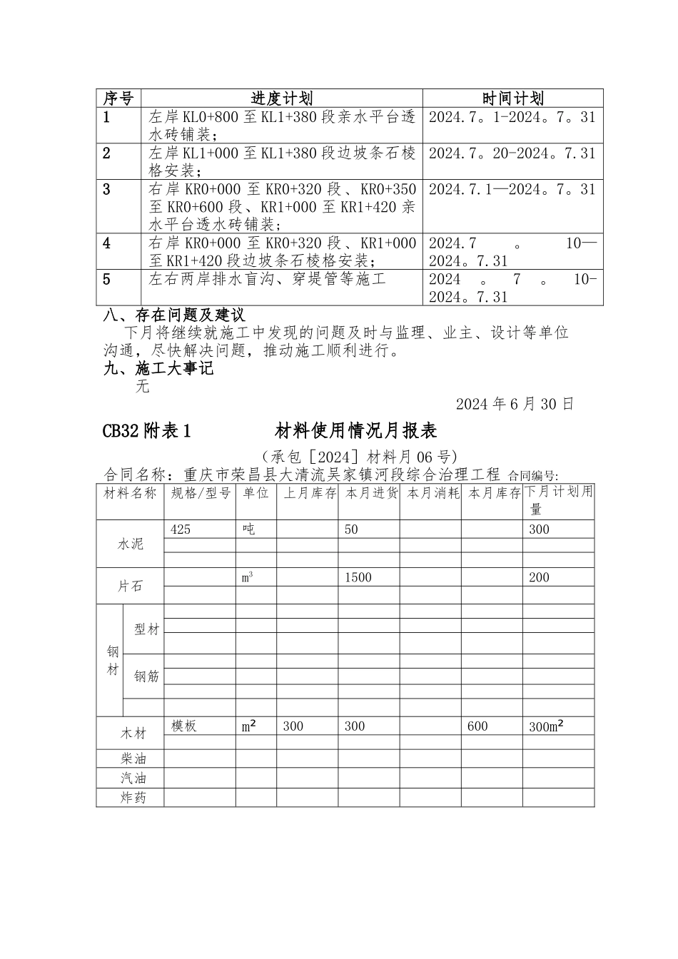
施 工 月 报( [2024]月报 06 号)2024 年 第 6 期2024 年 6 月 1 日至 2024 年 6 月 30 日工程名称:重庆市荣昌县大清流河吴家镇段综合治理工程 承 包 人 :重庆市天地人实业有限公司 项目经理: 戴勤波 日 期: 2024 年 6 月 30 日 施 工 月 报一、工程概况: 重庆市荣昌县大清流河吴家镇段综合治理工程位于重庆市荣昌县吴家镇,工程范围为 1。5km,起于道姑桥上游约 0。3km,下止道姑桥下约 1。2km,新建防洪护岸总长 2。78km,其中:大清流河干流长2.60km,三拱桥河长 0。18km;在 KL0+313。03 至 KL0+408。03 段预留排洪口;新建排洪箱涵 1 座.二、本月机械设备反铲挖掘机 3 台进行护脚沟槽土石方开挖、块石换填、块石格宾笼安装、土石回填及护坡修坡堤顶回填压实、土方、围堰填筑、清理、弃渣外运等工序的施工。三、本月材料进场片石进场 1500m3 碎石进场 500m3 砂进场 400m3 水泥 50 吨条石 50m3 二、本月工程进度序号本月进度计划实际完成情况1右 岸 KR1+150 至 KR1+411段)堤脚沟槽土石方开挖、格宾笼安装;堤脚大块石干砌;边坡填筑。右岸 KR1+150 至 KR1+411 段)堤脚沟槽土石方开挖、格宾笼安装;堤脚大块石干砌等已完成;边坡填筑因月底下雨未完成.2左 岸 KL1+200 至 KL1+380段)堤脚沟槽土石方开挖、格宾笼安装;堤脚大块石干砌;边坡填筑。左岸 KL1+200 至 KL1+380 段)堤脚沟槽土石方开挖、格宾笼安装;堤脚大块石干砌;边坡填筑。3右 岸 KR0+000 至 KR1+150段)堤脚亲水平台砼浇筑;左岸 KL0+800 至 KL1+200 段堤脚亲水平台砼浇筑完成堤脚亲水平台砼浇筑 360 米,后因施工方案变更为透水砖而暂停施工1、本月工程实际完成情况与计划量对比:75%2、原因分析及实行的措施:a.格宾笼安装进度尚属正常,因月中连续高温天气,稍有延迟,通过调整作息时间等措施按期完成;b。右岸末端边坡填筑因设计堤脚线向河道中心靠近,导致缺方严重,从上游转运降低了效率提高了成本,在月底降雨到来之前未完成计划;c。亲水平台因施工方案再作调整,混凝土浇筑刚进入正常施工被迫停下,故此未能如期完成。下月项目部将加强管理,合理安排施工,力争把滞后的施工任务赶上去。三、本月工程质量1、本月施工实行的质量控制方法和措施 护脚沟槽土石方开挖、块石换填、土石回填、格宾石笼安装、边坡土方修坡及碾压等工序,均严格根据施工法律规范进行施工,并通知质检公司专...

1、当您付费下载文档后,您只拥有了使用权限,并不意味着购买了版权,文档只能用于自身使用,不得用于其他商业用途(如 [转卖]进行直接盈利或[编辑后售卖]进行间接盈利)。
2、本站所有内容均由合作方或网友上传,本站不对文档的完整性、权威性及其观点立场正确性做任何保证或承诺!文档内容仅供研究参考,付费前请自行鉴别。
3、如文档内容存在违规,或者侵犯商业秘密、侵犯著作权等,请点击“违规举报”。

碎片内容

水利工程施工单位施工月报完整格式

确认删除?
VIP
微信客服
  • 扫码咨询
会员Q群
  • 会员专属群点击这里加入QQ群
客服邮箱
回到顶部