电脑桌面
添加小米粒文库到电脑桌面
安装后可以在桌面快捷访问

水利施工单位常用表格CB

水利施工单位常用表格CB_第1页
1/58
水利施工单位常用表格CB_第2页
2/58
水利施工单位常用表格CB_第3页
3/58
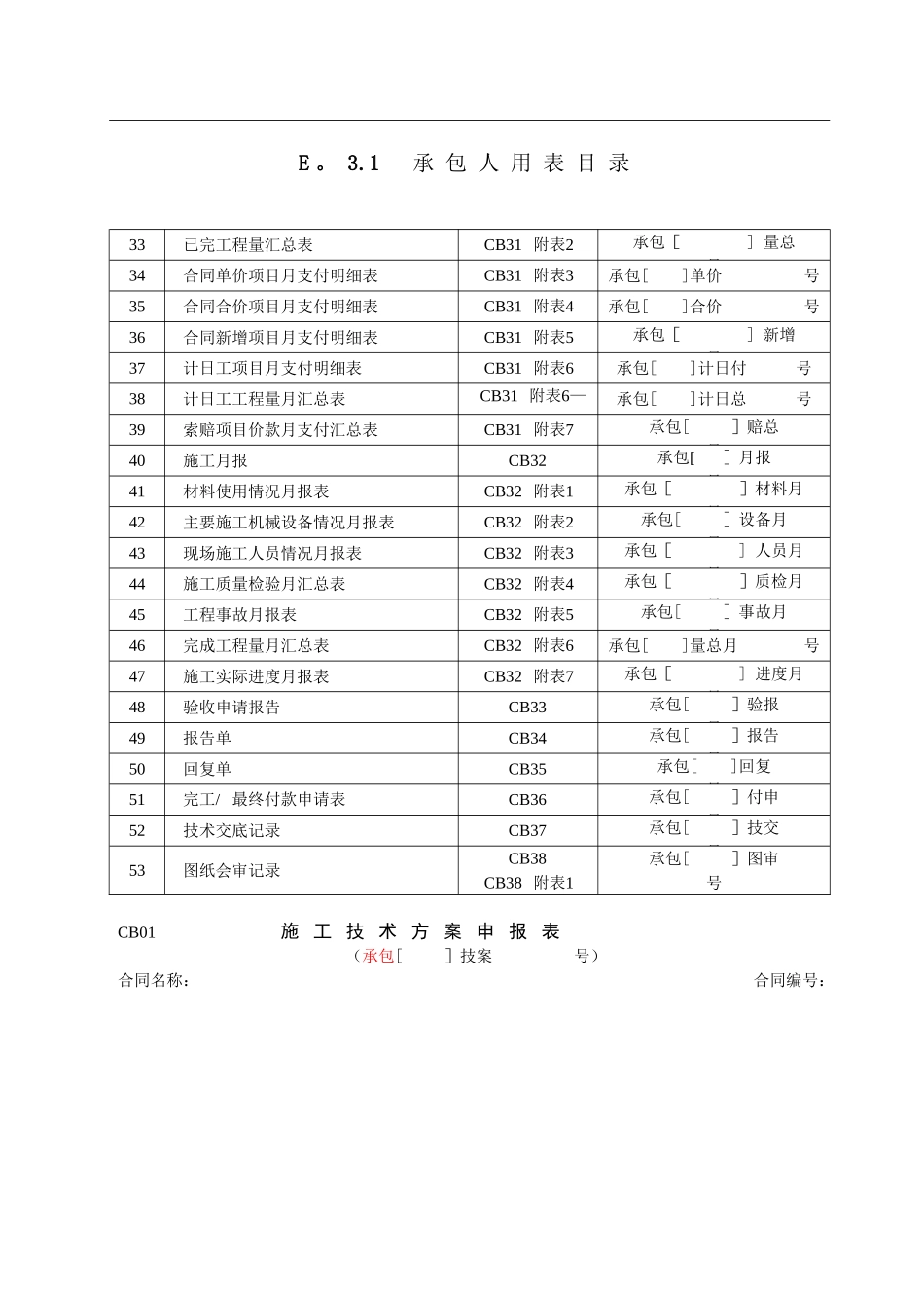
E 。 3 。 1 承包人用表目录 序号表格名称表格类型表格编号1施工技术方案申报表CB01承包[ ]技案 号2施工进度计划申报表CB02承包[ ]进度 号3施工图用图计划报告CB03承包[ ] 图计 号4资金流计划申报表CB04承包[ ]资金 号5施工分包申报表CB05承包[ ]分包 号6现场组织机构及主要人员报审表CB06承包[ ]机人 号7材料/ 构配件进场报验单CB07承包[ ]材验 号8施工设备进场报验单CB08承包[ ]设备 号9工程预付款申报表CB09承包[ ]工预付 号10工程材料预付款报审表 CB10承包[ ]材预付 号11施工放样报验单CB11承包[ ]放样 号12联合测量通知单CB12承包[ ]联测 号13施工测量成果报验单CB13承包[ ]测量 号14合同项目开工申请表CB14承包[ ]合开工 号15分部工程开工申请表CB15承包[ ]分开工 号16设备采购计划申报表CB16承包[ ]设采 号17混凝土浇筑开仓报审表CB17承包[ ] 开仓 号18单元工程施工质量报验单CB18承包[ ]质报 号19施工质量缺陷处理措施报审表CB19承包[ ]缺陷 号20事故报告单CB20承包[ ] 事故 号21暂停施工申请报告CB21承包[ ]暂停 号22复工申请表CB22承包[ ]复工 号23变更申请报告CB23承包[ ]变更 号24施工进度计划调整申报表CB24承包[ ]进调 号25延长工期申报表CB25承包[ ] 延期 号26变更项目价格申报表CB26承包[ ]变价 号27索赔意向通知CB27承包[ ]赔通 号28索赔申请报告CB28承包[ ]赔报 号29工程计量报验单CB29承包[ ]计量 号30计日工工程量签证单CB30承包[ ] 计日证 号31工程价款月支付申请书CB31承包[ ]月付 号32工程价款月支付汇总表CB31 附表1承包[ ] 月总 号E 。 3.1 承 包 人 用 表 目 录33已完工程量汇总表CB31 附表2承包[ ] 量总 号34合同单价项目月支付明细表CB31 附表3承包[ ]单价 号35合同合价项目月支付明细表CB31 附表4承包[ ]合价 号36合同新增项目月支付明细表CB31 附表5承包[ ] 新增 号37计日工项目月支付明细表CB31 附表6承包[ ]计日付 号38计日工工程量月汇总表CB31 附表6—1承包[ ]计日总 号39索赔项目价款月支付汇总表CB31 附表7承包[ ]赔总 号40施工月报CB32承包[ ]月报 号41材料使用情况月报表CB32 附表1承包[ ]材料月 号42主要施工机械设备情况月报表CB32 附表2承包[ ]设备月 号43现场施工人员情况月报表CB32 附表3承包[ ] 人员月 号44施工质量检验月汇总...

1、当您付费下载文档后,您只拥有了使用权限,并不意味着购买了版权,文档只能用于自身使用,不得用于其他商业用途(如 [转卖]进行直接盈利或[编辑后售卖]进行间接盈利)。
2、本站所有内容均由合作方或网友上传,本站不对文档的完整性、权威性及其观点立场正确性做任何保证或承诺!文档内容仅供研究参考,付费前请自行鉴别。
3、如文档内容存在违规,或者侵犯商业秘密、侵犯著作权等,请点击“违规举报”。

碎片内容

水利施工单位常用表格CB

人从众+ 关注
实名认证
内容提供者

欢迎光临小店,本店以公文和教育为主,希望符合您的需求。

相关文档

确认删除?
VIP
微信客服
  • 扫码咨询
会员Q群
  • 会员专属群点击这里加入QQ群
客服邮箱
回到顶部