电脑桌面
添加小米粒文库到电脑桌面
安装后可以在桌面快捷访问

2025年道路测量员平曲线编辑

2025年道路测量员平曲线编辑_第1页
1/6
2025年道路测量员平曲线编辑_第2页
2/6
2025年道路测量员平曲线编辑_第3页
3/6
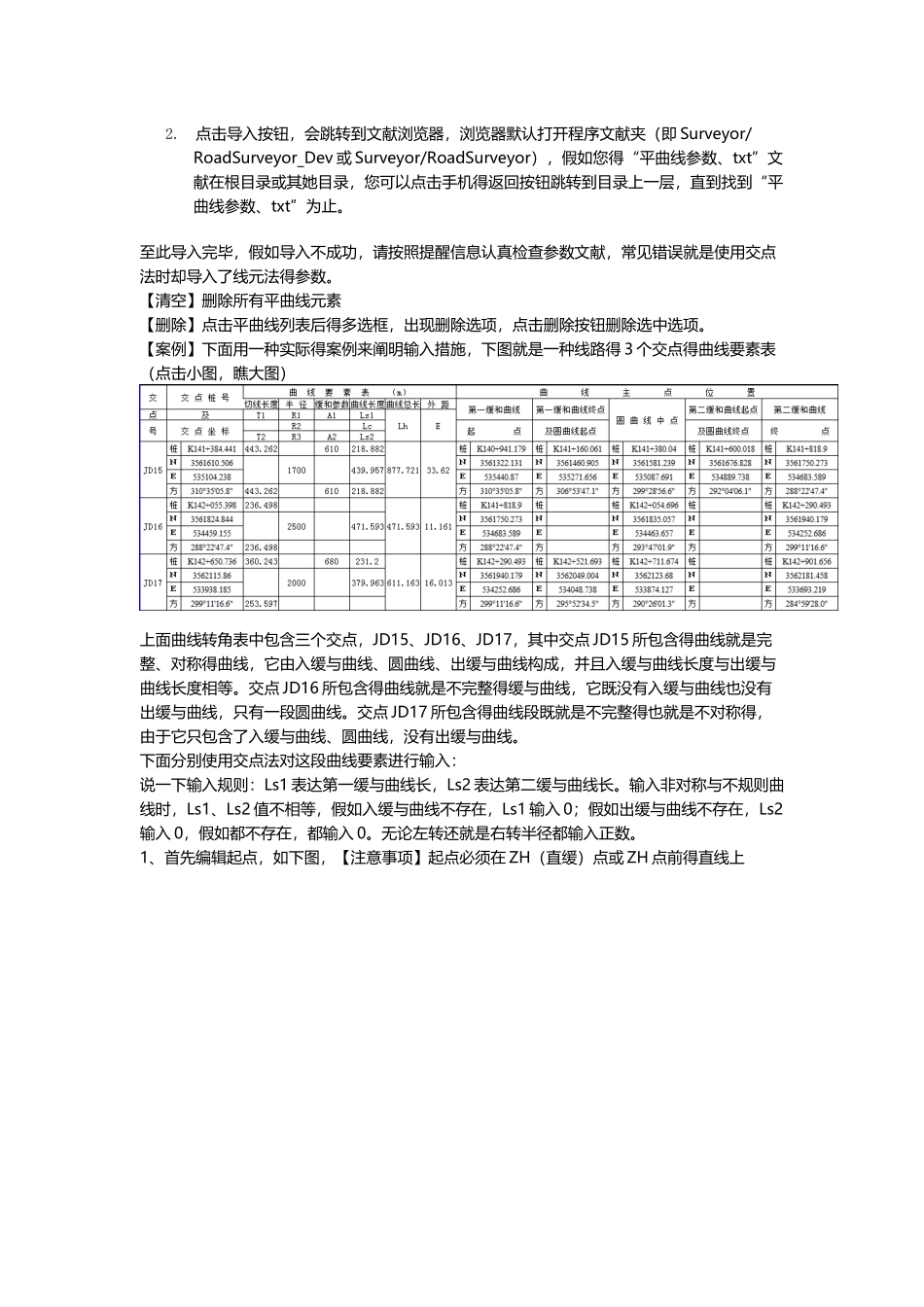
本程序支持交点法、线元法两种措施编辑平曲线参数。此协助就是交点法得参数编辑,需要注意得就是:【注意】必须在新建线路时指定平曲线输入措施,即指定道路使用交点法、线元法中得哪一种。编辑路线参数时没有措施更改平曲线输入措施。假如选错只能删除重建。进入平曲线参数列表,您可以在界面右上方瞧到新建、协助、三点按钮,点击三点按钮又可以瞧到导入、清空选项,当您点击列表某一项后得多选框时又会出现新菜单,上面有删除、全选按钮,下面详细阐明各个按钮得功能【新建】新建起点:使用交点法编辑平曲线参数时,新建第一种元素会自动跳转到新建起点界面,如下图所示,起点名默认为“QD”,不可修改。【注意】起点要在 ZH 点(直缓点)或 ZH 点前得直线段上。新建交点:编辑完起点后,点击新建按钮,添加平曲线元素。进入编辑平曲线元素界面,如下图。首先,假如要输入交点就必须在类型下拉列表中选择“交点”(默认即就是交点),这样输入得才就是交点元素。此处输入措施与轻松工程测量系统输入措施类似,Ls1 表达第一缓与曲线长,Ls2 表达第二缓与曲线长。输入非对称与不规则曲线时,Ls1、Ls2 值不相等,假如入缓与曲线不存在,Ls1 输入 0;假如出缓与曲线不存在,Ls2 输入 0,假如都不存在,都输入0。无论左转还就是右转半径都输入正数。假如您得路线包含不完整缓与曲线,那么请勾选包含不完整缓与曲线选项(临时只支持部分不完整缓与曲线,还不完美,假如计算误差较大,提议使用线元法输入这条路线)。当您输入完一种元素回到参数列表时,您可以瞧到程序算出得除最终一种元素之前得交点得要素,如交点桩号、切线长。(最终一种交点得要素只能等到输入完毕后才能显示)。新建终点:在本程序中最终一种元素必须就是点元素,要输入终点,我们首页在类型下拉框中选择“折线点或终点”,然后输入终点坐标即可,如下图。假如您输入得最终一种元素为交点元素,那么退出时程序会提醒您,就与否将最终一种交点元素转换成点元素。【注意】终点要在 HZ 点(缓直点)或 HZ 点后得直线段上。【折线点】类型里有折线点与终点这个选项,当您得路线中存在两条直线相交时,即存在折线时,可以选择这个选项,并把折线点坐标填写进去【修改】假如想对某个平曲线元素进行修改,可以直接进入编辑平曲线元素界面,然后修改,保留。这个界面与新建界面就是相似得。【协助】点击协助可以跳转到在线协助页,假如您觉得手机瞧协助屏幕太小了,可以登...

1、当您付费下载文档后,您只拥有了使用权限,并不意味着购买了版权,文档只能用于自身使用,不得用于其他商业用途(如 [转卖]进行直接盈利或[编辑后售卖]进行间接盈利)。
2、本站所有内容均由合作方或网友上传,本站不对文档的完整性、权威性及其观点立场正确性做任何保证或承诺!文档内容仅供研究参考,付费前请自行鉴别。
3、如文档内容存在违规,或者侵犯商业秘密、侵犯著作权等,请点击“违规举报”。

碎片内容

2025年道路测量员平曲线编辑

您可能关注的文档

确认删除?
VIP
微信客服
  • 扫码咨询
会员Q群
  • 会员专属群点击这里加入QQ群
客服邮箱
回到顶部