电脑桌面
添加小米粒文库到电脑桌面
安装后可以在桌面快捷访问

水泥稳定碎石基层及底基层检验批质量检验记录

水泥稳定碎石基层及底基层检验批质量检验记录_第1页
1/3
水泥稳定碎石基层及底基层检验批质量检验记录_第2页
2/3
水泥稳定碎石基层及底基层检验批质量检验记录_第3页
3/3
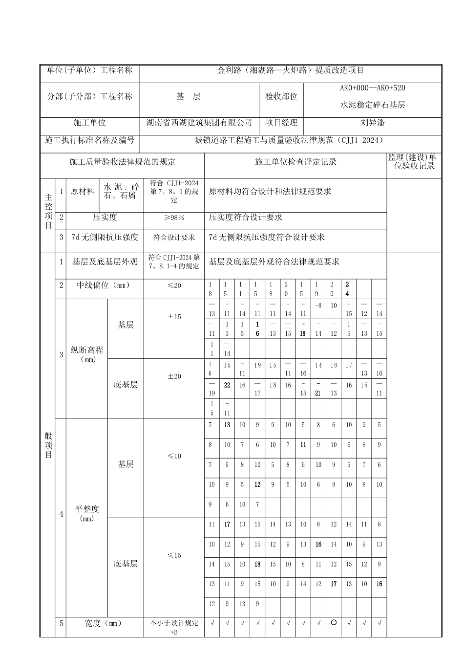
水泥稳定碎石基层及底基层检验批质量检验记录CJJ 1—2024单位(子单位)工程名称金利路(湘湖路—火炬路)提质改造项目分部(子分部)工程名称 基 层验收部位AK0+000—AK0+520水泥稳定碎石基层施工单位湖南省西湖建筑集团有限公司项目经理刘异潘施工执行标准名称及编号城镇道路工程施工与质量验收法律规范(CJJ1-2024)施工质量验收法律规范的规定施工单位检查评定记录监理(建设)单位验收记录主控项目1原材料水 泥 . 碎石。石屑符合 CJJ1-2024第 7。8。1 的规定原材料均符合设计和法律规范要求 2压实度≥98%压实度符合设计要求 37d 无侧限抗压强度符合设计要求7d 无侧限抗压强度符合设计要求一般项目1基层及底基层外观符合 CJJ1-2024 第 7。8.1-4 的规定基层及底基层外观符合法律规范要求 2中线偏位(mm)≤20181511151820151920243纵断高程(mm)基层±15—13-11-14-11—11-14-11-810-15—12—14-11131516—13—15-18-14-1215—13-1511—14底基层±20161 5-111 91 5—11—161 41 81 7—13—16—192216—171 816-15-21—13161 5—1115-114平整度(mm)基层≤1071310991058610958107610711910689758105861095761095129510681081096107底基层≤151117131514131081214118101291512913161410913141510181510811121512913119151091412171310161291395宽度(㎜)不小于设计规定+B√√√√√√√√○√√√√√√√√√√√√√○√√√6横 坡±0。3%且不反坡√√√√√√√○√√○√√○√√√√√√√√√√√√√√√○√√√√√√○√√√√√√√○√√√√√√√√√√○√√√√√√√○√√√√√√√√√√√√√√○√√√√√√√√√√√√√√○√√√√√√√√√√7厚度(mm)±10—8108-911108-6—1098-9-675施工单位检查评定结果专业工长(施工员) 施工班组长 项目专业质量检查员: 2024 年 月 日监理(建设)单位验收结论专业监理工程师(建设单位项目专业技术负责人): 2024 年 月 日

1、当您付费下载文档后,您只拥有了使用权限,并不意味着购买了版权,文档只能用于自身使用,不得用于其他商业用途(如 [转卖]进行直接盈利或[编辑后售卖]进行间接盈利)。
2、本站所有内容均由合作方或网友上传,本站不对文档的完整性、权威性及其观点立场正确性做任何保证或承诺!文档内容仅供研究参考,付费前请自行鉴别。
3、如文档内容存在违规,或者侵犯商业秘密、侵犯著作权等,请点击“违规举报”。

碎片内容

水泥稳定碎石基层及底基层检验批质量检验记录

文森传品+ 关注
实名认证
内容提供者

一家传播文化教育的小店,资料丰富,随意挑选。

确认删除?
VIP
微信客服
  • 扫码咨询
会员Q群
  • 会员专属群点击这里加入QQ群
客服邮箱
回到顶部