电脑桌面
添加小米粒文库到电脑桌面
安装后可以在桌面快捷访问

水电站调试大纲

水电站调试大纲_第1页
1/23
水电站调试大纲_第2页
2/23
水电站调试大纲_第3页
3/23
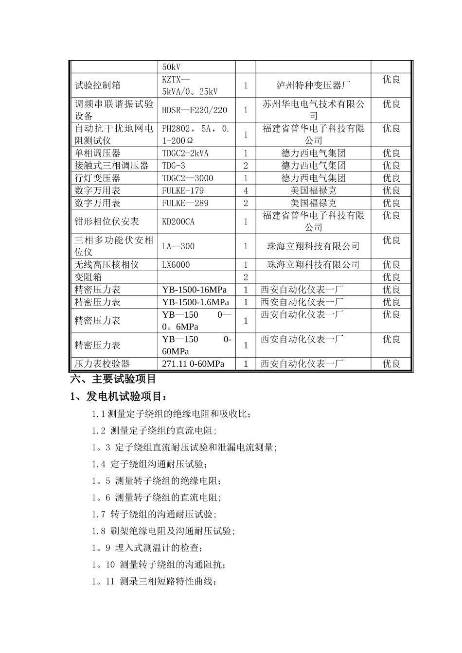
四川省 XXXXX 水电站机电设备安装工程电气设备试验、调试项目批准:校核:编制:中国葛洲坝集团 XXX 项目部二 0 一一年十一月一.总则1.1、为确保 XXX 水电站试验工作顺利、有序地进行,特制订本方案;1。2、本方案仅适用于 XXX 水电站;1.3、本方案仅列出调试主要试验项目,相应试验的具体方法参见相应厂家技术文件二。编制依据2。1《电气装置安装工程电气交接试验标准》GB50150-20242。2《水轮发电机组启动试验规程》(DL/T507—2024)2。3《水轮发电机组安装技术法律规范》(GB8564-2024)2.4 水轮机电液调节系统及装置调整试验导则(DL496—92)2。5《大中型水轮发电机静止整流励磁系统及装置试验规程》(DL489—92)2.6《水轮机调速器与油压装置试验验收规程》( GB/T9652。2—1897)2。7 有关设备合同、厂家资料、设计资料三。组织机构调试负责人:陈肖平调试班主要成员:何宇、易刚辉、夏黎东、张家有、李晓冬四、电站主要设备参数序号设备名称规格型号数量备注1水轮机LHD85—LG—2103 台2水轮发电机立轴 SF—J25-20/46003 台3调速器WBTD—100-—4.03 台4调速器油压装置HYZ—2。5—4。03 套5励磁系统WKL2—C3 套6进水碟阀PDF89—WY—3203 组7中低压压缩空气系统ZD-MAEC—2033 套8漏油装置系统LY2—0.6/403 套9排水系统ZD-MAEC—2023 套10蝶阀液压站YYZ27000—33 套11厂用变SCB10—630/103 台12励磁变ZSC9-500/10.53 台13开关柜18 面14主变压器SF10-6300/121。SF10-31500/1212 台15GIS1 组五.本次调试主要投入设备工器具名称型号数量生产厂家完好状况微机继保测试仪继保之星 16001武汉豪迈电力自动化有限公司优良断路器动作特性测试仪HDKC—6001苏州华电电气技术有限公司优良直流高压发生器ZGS-200/2mA1苏州华电电气技术有限公司优良变压器直流电阻测试仪BZC33951保定金达电力科技有限公司优良变压器变比测试仪BBC66381保定金达电力科技有限公司优良回路电阻测试仪HLC55011保定金达电力科技有限公司优良高压数字兆欧表KD100K1福建省普华电子科技有限公司优良全自动变频抗干扰介损仪PH28011福建省普华电子科技有限公司优良SF6 微水测试仪GMS-Ⅲ1常州人本电气有限公司优良SF6 检漏仪TIF XP-1A1美国 TIF优良全自动伏安特性变比极性综合测试仪PM-800 CT1徐州派雷曼电气有限责任公司优良轻型试验变压器LTYDQ—5kVA/1泸州特种变压器厂优良50kV试验控制箱KZTX—5kVA/0。25kV1泸州特种变压器厂优良调频串联谐振试验设备H...

1、当您付费下载文档后,您只拥有了使用权限,并不意味着购买了版权,文档只能用于自身使用,不得用于其他商业用途(如 [转卖]进行直接盈利或[编辑后售卖]进行间接盈利)。
2、本站所有内容均由合作方或网友上传,本站不对文档的完整性、权威性及其观点立场正确性做任何保证或承诺!文档内容仅供研究参考,付费前请自行鉴别。
3、如文档内容存在违规,或者侵犯商业秘密、侵犯著作权等,请点击“违规举报”。

碎片内容

水电站调试大纲

确认删除?
VIP
微信客服
  • 扫码咨询
会员Q群
  • 会员专属群点击这里加入QQ群
客服邮箱
回到顶部