电脑桌面
添加小米粒文库到电脑桌面
安装后可以在桌面快捷访问

水稳层报验表

水稳层报验表_第1页
1/2
水稳层报验表_第2页
2/2
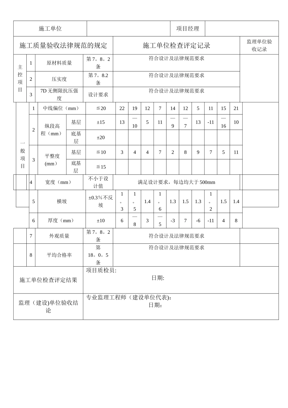
__5 %水泥稳定碎石基层 __工程报验申请表工程名称:莲花湖风景区景观工程编号: A5—3 致:湖北新天地工程建设监理有限责任公司 (监理单位) 我单位已完成了_____ A 区园路段 5 %水泥稳定碎石基层 ____工程,按设计文件及有关法律规范进行了自检,质量合格,请予以审查和验收。附件:1、工程质量控制资料 □ 2、安全和功能检验(检测)报告 □ 3、观感质量验收记录 □ 4、隐蔽工程验收记录 □ 5、5 %水泥稳定碎石基层检验批 质量验收记录 □承包单位(章):项目经理:日 期:审查意见:项目监理机构(章):总/专业监理工程师:日 期:本表一式三份,经项目监理机构审核后,建设单位、监理单位、承包单位各存一份.5%水泥稳定碎石基层检验批质量验收记录表单位(子单位)工程名称分部(子分部)工程名称验收部位施工单位项目经理施工质量验收法律规范的规定施工单位检查评定记录监理单位验收记录主控项目1原材料质量第 7。8。2条符合设计及法律规范要求2压实度第 7。8.2条符合设计及法律规范要求37D 无侧限抗压强度设计要求符合设计及法律规范要求一般项目1中线偏位(mm)≦202219127141251115212纵段高程(mm)基层±1513—10511—9—713-11—1610底基层±203平整度(mm)基层≦1034472897511底基层≦154宽度(mm)不小于设计值满足设计要求,每边均大于 500mm5横坡±0.3%不反坡1。31。51.41。61.31.51.31。21.51.46厚度(mm)±106—83—5-37-6-11487外观质量第 7。8。2条符合设计及法律规范要求8平均合格率第18。0。5条符合设计及法律规范要求施工单位检查评定结果项目质检员: 日期:监理(建设)单位验收结论专业监理工程师(建设单位代表): 日期:

1、当您付费下载文档后,您只拥有了使用权限,并不意味着购买了版权,文档只能用于自身使用,不得用于其他商业用途(如 [转卖]进行直接盈利或[编辑后售卖]进行间接盈利)。
2、本站所有内容均由合作方或网友上传,本站不对文档的完整性、权威性及其观点立场正确性做任何保证或承诺!文档内容仅供研究参考,付费前请自行鉴别。
3、如文档内容存在违规,或者侵犯商业秘密、侵犯著作权等,请点击“违规举报”。

碎片内容

水稳层报验表

您可能关注的文档

确认删除?
VIP
微信客服
  • 扫码咨询
会员Q群
  • 会员专属群点击这里加入QQ群
客服邮箱
回到顶部