电脑桌面
添加小米粒文库到电脑桌面
安装后可以在桌面快捷访问

2025年国际焊接工程师考试材料最后复习提纲VIP专享

2025年国际焊接工程师考试材料最后复习提纲_第1页
1/12
2025年国际焊接工程师考试材料最后复习提纲_第2页
2/12
2025年国际焊接工程师考试材料最后复习提纲_第3页
3/12
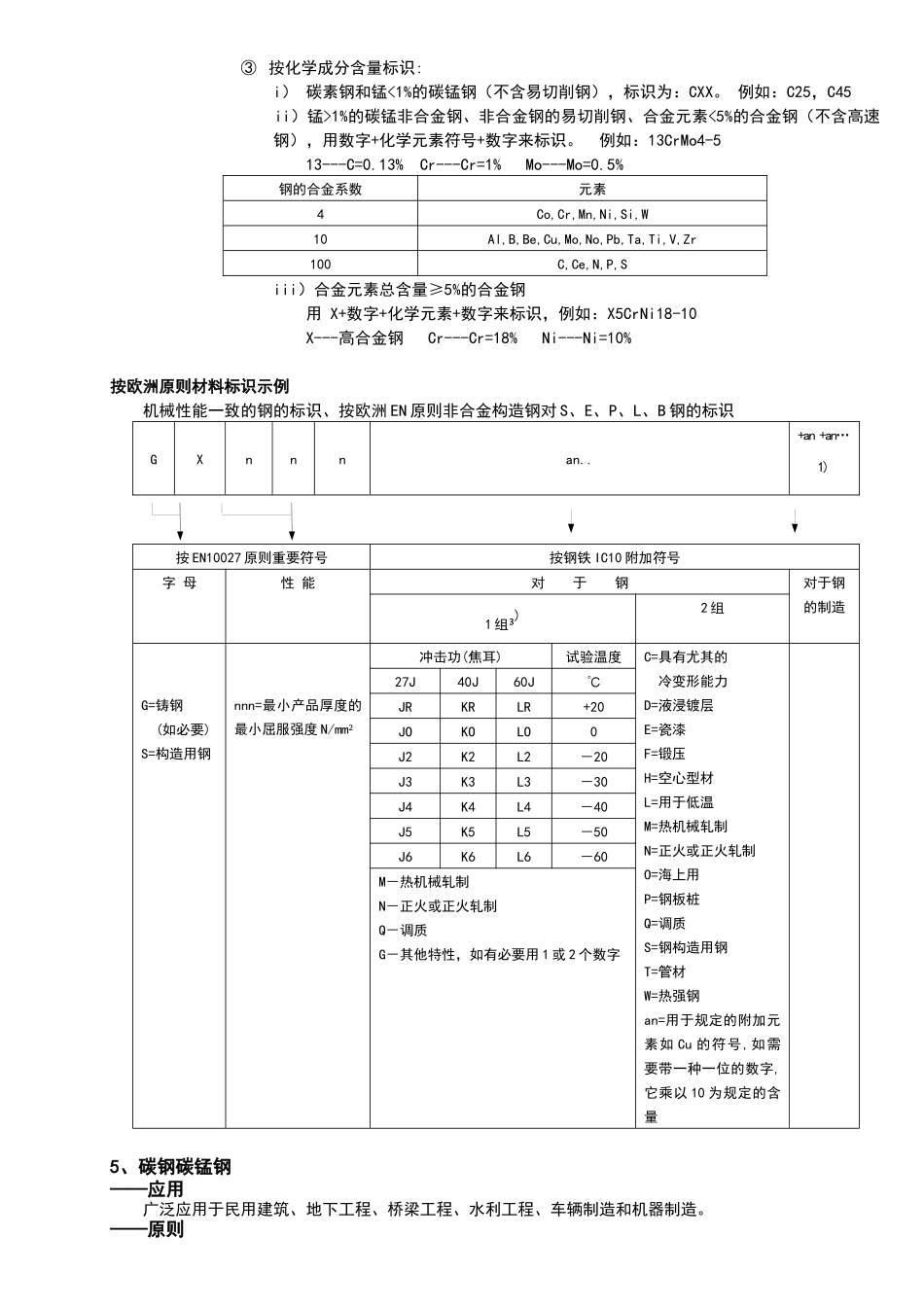
1、材料基础知识——金属构造、铁碳合金、铁碳相图金属材料中常见的晶格形式纯铁的结晶过程置换固溶体、间隙固溶体、金属化合物共晶相图、包晶相图铁碳合金相图中各特征点的意义铁素体、奥氏体、珠光体、贝氏体、马氏体、莱氏体、渗碳体,魏氏组织共析钢、亚共析钢、过共析钢、共晶白口铁、亚共晶白口铁、过共晶白口铁钢的冷却转变,TTT 曲线,CCT 曲线——焊接冶金焊接接头构成和各区的特点焊接裂纹的种类和形成机理焊接接头断裂形式和裂纹试验——热处理热处理种类、作用正火、淬火、回火、调质、消除应力退火、时效强化、固溶处理——金属材料性能,试验措施(破坏性检查),材料特征值强度、塑性、韧性、硬度、导热性、热膨胀性、耐腐蚀性2、钢的工业生产——高炉炼铁过程还原过程,焦碳既作为燃料又作为还原剂,成品为生铁。 ——炼钢过程基本氧化过程,由生铁炼成钢规定去除不期望存在的铁的伴生杂质,如碳、硅、锰、磷和硫。精炼措施:酸性转炉炼钢法、平炉炼钢法、电炉炼钢法——钢的浇注 浇注的钢水中仍具有大量氧的成分。应进行脱氧,这一过程为还原。沸腾钢镇静钢(在钢水中添加约 0.15%的硅和少许的锰和铝)尤其镇静钢(在钢水中添加约 0.2%的硅,约 0.02%的铝和少许的锰)——合金元素对钢性能的影响性 能CSiMnPSCrNiMoCuAl抗拉强度++++(-)+++++硬度+++++++++屈服极限+++++++++延伸率-<2%(-)(-)--(-)-(-)-冲击韧性--+--(-)+-(-)冷变形性--(-)--(+)-(-)深冲性---(-)-(-)-(+)-(-)铸造--+-(-)(-)-(-)压力焊能力--(+)---(+)(-)-熔化焊能力--+----+(-)热脆性--+ +++淬硬性+ +++++(+)+热强性+至 400++-+(+) 同C+临界冷却速度-----(-)耐腐蚀性+(+)-+ +(+) 同C(+)+抗高温氧化性++ +(+)+冷作硬化性++++(+)疲劳性能(+) 间接(+)同 C(+)同 C(+) 同C(+) 同C3、钢的分类,EN10020 原则,——按合金元素的含量分类 碳钢(非合金钢)低合金钢∑合金元素含量<5% 例如 13CrMo4-5 高合金钢∑合金元素含量≥5% 例如 X6CrNi16-13——按使用规定分类一般钢优质钢 特殊优质钢 4、钢的标识体系,EN10027EN10027-2 材料的数字标识× ×× ×× × × ① ② ③ ④ ⑤① -材料分组: 0=纯铁 1=钢 2=重金属如 Cu、Ni 3=轻金属如 Al② -分类组别见表 2③ -不一样品种的数字编号④⑤ -钢种的数量有规定时的标识数字例:1. 01 16按 EN...

1、当您付费下载文档后,您只拥有了使用权限,并不意味着购买了版权,文档只能用于自身使用,不得用于其他商业用途(如 [转卖]进行直接盈利或[编辑后售卖]进行间接盈利)。
2、本站所有内容均由合作方或网友上传,本站不对文档的完整性、权威性及其观点立场正确性做任何保证或承诺!文档内容仅供研究参考,付费前请自行鉴别。
3、如文档内容存在违规,或者侵犯商业秘密、侵犯著作权等,请点击“违规举报”。

碎片内容

2025年国际焊接工程师考试材料最后复习提纲

您可能关注的文档

确认删除?
VIP
微信客服
  • 扫码咨询
会员Q群
  • 会员专属群点击这里加入QQ群
客服邮箱
回到顶部