电脑桌面
添加小米粒文库到电脑桌面
安装后可以在桌面快捷访问

汽车加油加气站设计规范

汽车加油加气站设计规范_第1页
1/7
汽车加油加气站设计规范_第2页
2/7
汽车加油加气站设计规范_第3页
3/7
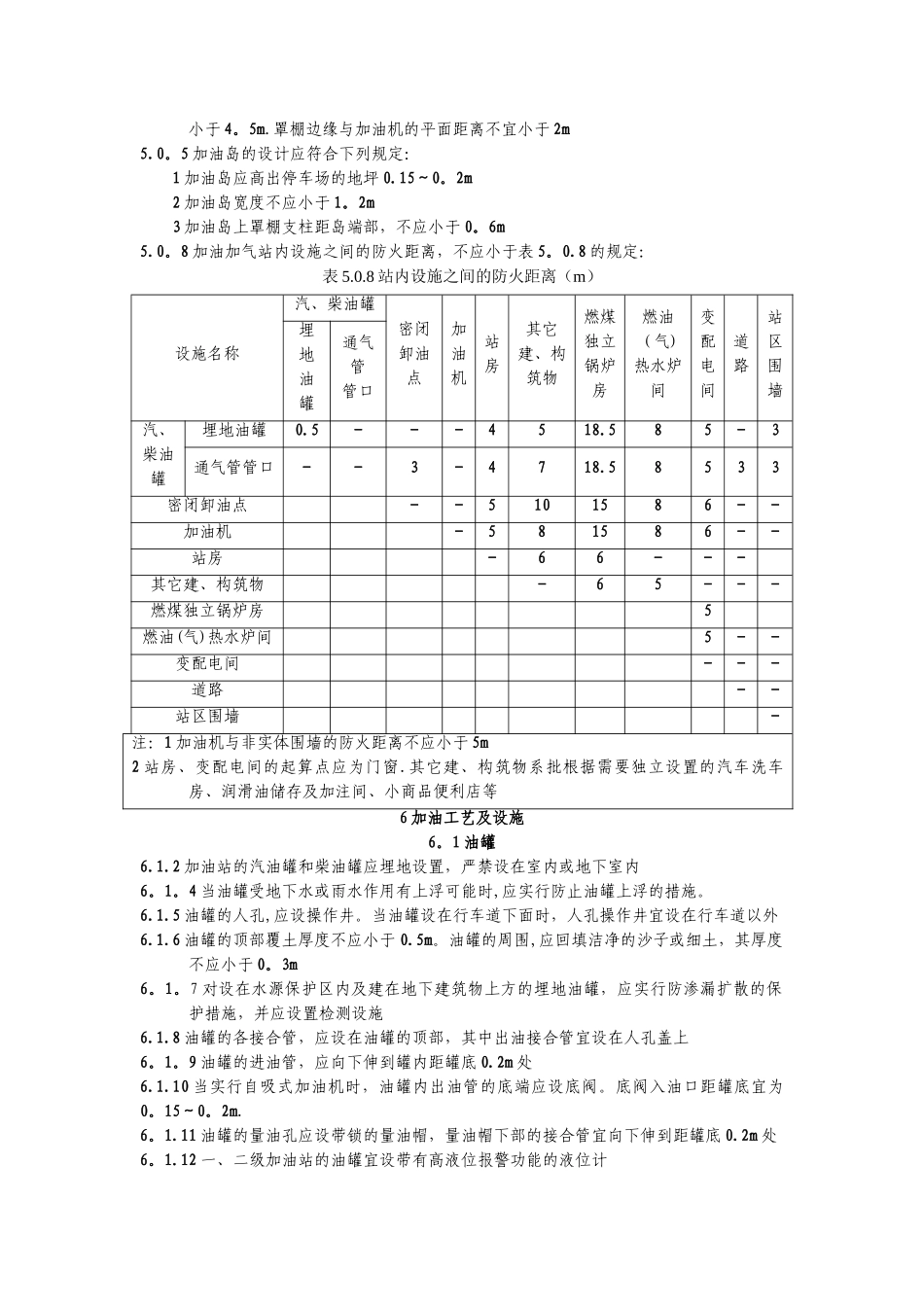
GB50156—2024 汽车加油加气站设计与施工法律规范发表日期:2024 年 5 月 29 日目次2 术语…………………………………………………………………(3)3 一般规定…………………………………………………………………(3)4 站址选择…………………………………………………………………(3)5 总平面布置………………………………………………………………(4)6 加油工艺及设施…………………………………………………………(5)9 消防设施及排水…………………………………………………………(6)10 电气装置………………………………………………………………(7)11 采暖通风、建筑物、绿化……………………………………………(7)附录 A 计算间距的起讫点………………………………………………(8)附录 C 民用建筑物保护类别划分………………………………………(8)2 术语2。0。1 加油加气站:加油站、液化石油气加气站、压缩天然气加气站、加油加气合建站的统称2。0。2 加油站:为汽车油箱充装汽油、柴油的专门场所2.0。7 站房:用于加油加气站管理和经营的建筑物2.0。8 加油岛:用于安装加油机的平台2。0。10 埋地油罐:采纳直接覆土或罐池充沙(细土)方式埋设在地下,且罐内最高液面低于罐外 4m 范围内地面的最低标高 0。2m 的卧式油口储罐2。0.12 密闭卸油点:埋地油罐以密闭方式接卸汽车油罐车所载油品的固定接头处2.0。13 卸油油气回收系统:将汽油油罐车卸油时产生的油气回收至油罐车的密闭油气回收系统2.0。14 加油油气回收系统:将给汽油车辆加油时产生的油气回收到埋地汽油罐的密闭油气回收系统3 一般规定3.0。3 加油站的等级划分,应符合表 3。0。3 的规定:表 3.0。3 加油站的等级划分级别油罐容积(m3)总容积单罐容积一级120<V<﹦180V<﹦50二级60<V<﹦120V<﹦50三级V<﹦60V<﹦30注:V 为油罐总容积;柴油罐容积可折半计入油罐总容积4 站址选择4.0。2 在城市建成区内不应建一级加油站4。0。4 加油站的油罐、加油机和通气管管口与站外建、构筑物的防火距离,不应小于表4。0。4 的规定:表 4.0。4 油罐、加油机和通气管管口与站外建、构筑物的防火间距(m)级别项目埋地油罐通气管管口加油机一级站二级站三级站重要公共建筑物5050505050明火或散发火花地点3025181818民用建筑保护类别一类保护物2520161616二类保护物2016121212三类保护物1612101010甲、乙类物品生产厂房、库房...

1、当您付费下载文档后,您只拥有了使用权限,并不意味着购买了版权,文档只能用于自身使用,不得用于其他商业用途(如 [转卖]进行直接盈利或[编辑后售卖]进行间接盈利)。
2、本站所有内容均由合作方或网友上传,本站不对文档的完整性、权威性及其观点立场正确性做任何保证或承诺!文档内容仅供研究参考,付费前请自行鉴别。
3、如文档内容存在违规,或者侵犯商业秘密、侵犯著作权等,请点击“违规举报”。

碎片内容

汽车加油加气站设计规范

确认删除?
VIP
微信客服
  • 扫码咨询
会员Q群
  • 会员专属群点击这里加入QQ群
客服邮箱
回到顶部